【导读】在现代开关电源设计中,75W以上功率等级的离线式电源必须引入功率因数校正(PFC)技术。该技术的核心目标是调整输入电流波形,使其实时跟随交流输入电压变化,从而令电源系统对电网呈现近似纯电阻特性。在正弦电压输入条件下,实现理想PFC的关键在于对输入电流进行精确采样与波形整形。采用峰值电流模式的控制策略,可有效提升电流跟踪精度与系统动态响应性能。
在上期中,我们探讨了使用第二级滤波器来减少电压纹波。
本期,为大家带来的是《采用峰值电流模式控制的功率因数校正》,将介绍一种无需采样电阻、避免中点采样问题的创新 PFC 控制方法。
引言
在现代开关电源设计中,75W以上功率等级的离线式电源必须引入功率因数校正(PFC)技术。该技术的核心目标是调整输入电流波形,使其实时跟随交流输入电压变化,从而令电源系统对电网呈现近似纯电阻特性。在正弦电压输入条件下,实现理想PFC的关键在于对输入电流进行精确采样与波形整形。采用峰值电流模式的控制策略,可有效提升电流跟踪精度与系统动态响应性能。
设计人员通常会在 PFC 应用中使用以下两种电流检测方法的其中之一。第一种方法是在 PFC 接地回路中放置一个电流采样电阻器(在图 1 中指定为 R1)以检测输入电流,该电流将送至平均电流模式控制器(如图 2 所示),以强制输入电流跟随输入电压。由于电流采样电阻器可检测全部升压电感器电流,因此这种电流检测方法可提供良好的功率因数并降低总计谐波失真 (THD)。不过,电流采样电阻器会导致额外的功率损耗,这在需要高效率的应用中可能是个问题。

图 1. PFC 的常用电流检测方法。

图 2. PFC 的传统平均电流模式控制。
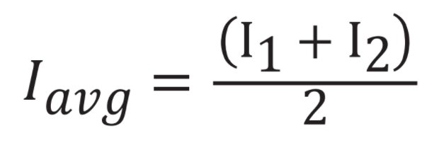
第二种方法是将电流互感器与升压开关串联以检测开关电流(在图 1 中指定为 CT 和 R2)。如果无法使用电流采样电阻(例如对于交错 PFC 和 semi-bridgeless PFC),最好使用这种方法。电流互感器仅检测开关电流 (IQ)(而非全部电感器电流),因此要控制全部电感器电流,一种简单的解决方案是在电流互感器输出的中间(脉宽调制 [PWM] 导通时间的中间)进行采样。采样将起作用,因为在连续导通模式 (CCM) 下,中点瞬时电流值等于平均电感器电流值(如图 3 所示)。与第一种方法相比,这种方法的功率损耗更少,但也存在限制:PFC 的占空比在 0% 至 100% 之间变化。当占空比较小时,PWM 导通时间很短;因此,很难在 PWM 导通时间的中间准确采样。任何采样位置偏移都会导致反馈信号误差,并使 THD 和功率因数变差。

图 3. CCM 下的 PFC 电感器电流波形。
本文介绍了控制 PFC 并实现单位功率因数的新方法 - 一种特殊的峰值电流模式。这种方法不需要电流采样电阻,因此消除了功率损耗。虽然它仍使用电流互感器来检测开关电流,但无需在 PWM 导通时间的中间进行采样,从而避免了采样位置偏移问题。除此以外还有其他好处。
CCM PFC 的峰值电流模式控制
峰值电流模式控制广泛用于直流/直流转换器,但它不适用于 PFC,因为 PFC 需要控制平均电流,而不是峰值电流。控制电感器峰值电流会导致较差的 THD 和较低的功率因数。
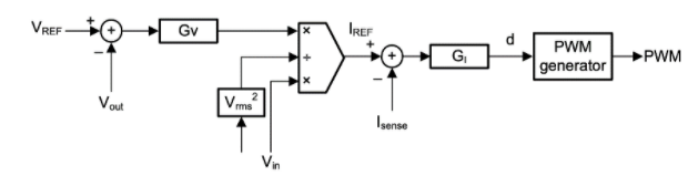
通过使用特殊的 PWM 发生器(如图 4 所示),PFC 可以实现峰值电流模式控制。图 4 比较了检测到的开关电流 IQ 与锯齿波。锯齿波峰值电压 (VRAMP) 在每个开关周期开始时开始,其幅度在开关周期结束时线性下降至 0V。升压开关 (Q) 在开关周期开始时导通。当 IQ 超过锯齿波时,Q 关断。
这种 PWM 发生器已存在于几乎所有数字电源控制器中,例如 TI 的 C2000? 实时微控制器和 UCD3138。这些数字控制器具有一个带可编程斜率补偿的峰值电流模式控制???。对具有斜率 VRAMP/T 的补偿进行编程可生成预期的锯齿波。

图 4: CCM 中建议方法的 PWM 波形生成。
要实现单位功率因数,可通过方程式 1 计算锯齿波 VRAMP 的峰值:

方程式 1
其中 Gv 是电压环路输出,Vout 是 PFC 输出电压,L 是升压电感器的电感,R 是电流互感器输出端的电流检测电阻,Ton 是 PFC PWM 导通时间。
由于 PWM 导通时间在两个连续开关周期中几乎相同,因此您可以使用上一开关周期中的 Ton 信息来计算此开关周期的 VRAMP 值。
了解如何使用此控制方法实现单位功率因数。从图 3 可以看出,在 Ton 时间内,输入电压施加到电感器,导致电感器电流从 I1 上升到 I2。采用方程式 2:

方程式 2
其中 Vin 是 PFC 输入电压。方程式 3 计算每个开关周期中的平均电感器电流:

方程式 3
将方程式 2 代入方程式 3 可得到方程式 4:

方程式 4
从图 4 中,方程式 5 为:

方程式 5
方程式 6 适用于在 CCM 稳定状态下运行的 PFC:

方程式 6
将方程式 6 代入方程式 5 并求解 I2 可得到方程式 7:

方程式 7
将方程式 1 和方程式 7 代入方程式 4 可得到方程式 8:

方程式 8
在方程式 8 中,Gv 是 PFC 电压环路输出。它在稳定状态下是恒定的;因此,Iavg 与 Vin 成正比,并跟随 Vin 的形状。如果 Vin 是正弦波,则 Iavg 也是正弦波??刂频绺衅鞣逯档缌骺墒迪值ノ还β室蚴?/p>
与传统的平均电流模式控制相比,这种方法消除了电流采样电阻器引起的功率损耗。与需要精确采样位置的电流互感器检测方法相比,该方法无需对电流进行采样。模拟比较器会确定 PWM 关断瞬间,从而避免了采样偏移问题。
为了节省系统成本,一些设计人员更喜欢使用组合控制,通过单个控制器控制 PFC 和直流/直流控制器。您可以将组合控制器置于交流/直流电源的初级侧或次级侧;每一侧都有其优缺点。如果选择将组合控制器置于初级侧,则需要跨越隔离边界,将直流/直流输出电压和电流信息发送到初级侧,并且控制器和主机之间的通信也需要跨越隔离边界。如果选择将组合控制器置于次级侧,因为传统的平均电流模式控制方法需要输入交流电压信息,因此必须检测输入电压并将其用于调制电流环路基准。跨越隔离边界检测输入电压颇具挑战。
在新控制方法中,方程式 1 仅包括 Vout,不包括 Vin。因为不需要检测 Vin,所以可以去除 Vin 检测电路。此控制方法仅需要电流互感器输出和 Vout 信息。由于电流互感器提供隔离,因此低成本的光耦合器可以检测 Vout 并将其送至次级侧。然后,您可以将 PFC 控制器放置在交流/直流电源的次级侧,并将其与同样位于次级侧的直流/直流控制器组合以构建组合控制器,从而大大降低系统成本。
DCM PFC 的峰值电流模式控制
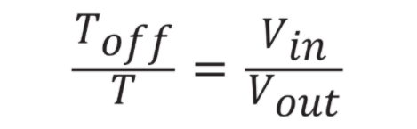
您可以将相同算法扩展到不连续导通模式 (DCM) 运行。图 5 显示了 DCM 中的电感器电流波形。电感器电流在 Toff 结束时下降为零,并在其余 Tdcm 期间保持为零;因此,T= Ton + Toff + Tdcm。PWM 波形发生器与图 4 相同,但 PWM 关断时间为 Toff + Tdcm,而不是 Toff(如图 6 所示)。

图 5:DCM 下的 PFC 电感器电流波形。

图 6:DCM 中建议方法的 PWM 波形生成。
将方程式 4 重写为方程式 9 可计算一个开关周期内 DCM 下的平均电流:

方程式 9
在稳定状态下,电感器伏秒必须在每个开关周期中保持平衡,从而得到方程式 10:

方程式 10
求解 Toff 并代入方程式 9 可得到方程式 11:

方程式 11
从方程式 6 中,方程式 12 为:

方程式 12
方程式 13 计算锯齿波 Vramp 的峰值:

方程式 13
将方程式 13 代入方程式 12 并求解 I2 可得到方程式 14:

方程式 14
将 I2 代入方程式 11 可得到方程式 15:

方程式 15
在方程式 15 中,Gv 在稳定状态下是恒定的;因此,Iavg 与 Vin 成正比,并跟随 Vin 的形状。如果 Vin 是正弦波,那么 Iavg 也是正弦波,从而实现单位功率因数。
从方程式 9 到方程式 15 对 CCM 和 DCM 均有效,因此,如果根据方程式 13 生成了锯齿波信号峰值,则可以为 CCM 和 DCM 实现单位功率因数。
方程式 1 是方程式 13 的特殊情况,其中 T = Ton + Toff。对于轻负载(PFC 在轻负载下处于 DCM 模式)、THD 和功率因数不太重要的应用,可使用公式 1 来简化实现。
测试结果
已在 360W PFC 评估模块 (EVM) 上验证了这一建议的控制方法。图 7 显示了输入电流波形,从中可以看到良好的正弦电流波形。

图 7:360W PFC EVM 上的测试结果。
结论
与传统的平均电流模式控制方法相比,这种新型 PFC 峰值电流模式控制方法具有许多优势。通过将 PFC 控制器放置在交流/直流电源的次级侧来构建具有直流/直流控制器的组合控制器可以降低成本。消除电流分流电阻器可消除功率损耗,从而提高效率。使用电流互感器时,通过消除因 PWM 占空比较小而产生的反馈信号误差可改善 THD。最后,通过 C2000 MCU 和 UCD3138 等现有数字电源控制器可轻松实现这种控制方法。
本文来源于德州仪器《模拟设计期刊》?!赌D馍杓破诳酚傻轮菀瞧鞴こ淌妥揖淖床⒒惚?,覆盖从基础知识到先进技术、从数据转换器到传感器应用的广泛主题,为模拟设计新手和资深用户提供实用信息和解决方案。
推荐阅读:






