【导读】大家学习电子都会接触运算放大器,常常听到虚短虚断一说。虚短虚断是解开负反馈运放电路的核心方法,具体就要从运放的原理开始说起了。
模电的半壁江山——运算放大器的原理和应用
大家学习电子都会接触运算放大器,常常听到虚短虚断一说。虚短虚断是解开负反馈运放电路的核心方法,具体就要从运放的原理开始说起了。
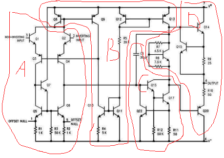
LM741原理图
拿LM741为例子??梢越诓康缏吠挤治狝,B,C,D四个部分。A是差分输入级。差分输入有同相输入和反相输入两个输入端。主要作用是在放大差模信号型号的同时抑制共模信号,比如抑制温度造成的零漂等,保证静态工作点的稳定,然后将放大后的信号送入C,中间放大级,将信号实现进一步的放大。最后通过D,甲乙类推挽输出输出信号,保证输出信号的功率。B部分是电流源偏置,为芯片中的工作电路提供稳定的工作电流。
运放进行封装
将该电路封装之后就剩两个输入端和输出端。在原理图中两级的放大电路,所以运放的一个特点是放大倍数理想下无限大,实际可以达到10000倍以上;运放引入了镜像恒流源,使输入电阻接近于无穷大。所以先抓住运放的两个特点:输入电阻极大,放大倍数极大,理想状态都是无穷大。
然后引出输出电压计算。U0=U+-U-,即,输出电压=(同相输入电压-反相输入电压)*放大倍数。所以要是直接将该器件不引人,负反馈,因为放大倍数有10000以上,则只要同相和反相存在一定差值,比如0.001V,那么放大后的输出的就可以10V以上,一般直接就是电源电压了。
开环的运放
这样的开环电路可以作为比较器。将反相输入作为参考电压,则将同相最为一个输入端。如果同相输入电压比反相输入大,则输出为正,否则就是输出负电压。要是在输出端,接入稳压管,则可以输出固定电压。
引入稳压二极管
另一个重要的应用就是用在放大。如上所说,要是直接这样连接,无法放大我们想要放大的倍数。所以在这里引入负反馈。反馈就是将输出引入输入,在两者之间形成关系,负反馈则是建立的联系效果减弱了原先要改变方向的能力。比如我一开始向前走10步,引入反馈后我依旧往前走,但走了2步,向前走的步数减少了;要是走了20步,这就是正反馈,正反馈在正弦波发生电路应用较大。
负反馈的引入
然后就是虚短,虚断的引入。在引入负反馈后,输出稳定在某个值,比如2V,这时候我们反推,此时的同相和反相的电压差值就是2/10000,这时候两者的压差基本可以忽略不计了,即此时的U+=U-。在深度负反馈下同相电压等于反相电压,就是虚短。由于输入电阻无穷大,所以输入到运放的电流就是U/R,R是无穷大,则输入电流为0,即I+=I-=0A,就是虚断。虚短和虚短在搭建放大电路时计算参数十分方便的。如上图的同相放大器,根据虚短,U-=U+=U;再根据虚断,没有电流通过反相输入端流入运放,则可以列出方程(0-U)/R1=(U-U0)/R2,就可以算出该电路的放大倍数。
同相负反馈电路
再如上图,根据虚短U+=U-=0,根据虚断(U-0)/R2=(0-U0)/R3,带入可以算出U0=-U,即输出电压是输入电压的负数,我们可以根据这个原理搭建自己需要的电路,实现加减运算,通过电容实现积分或者微分电路,根据二极管或者三极管,实现指数或者对数运算。
免责声明:本文为转载文章,转载此文目的在于传递更多信息,版权归原作者所有。本文所用视频、图片、文字如涉及作品版权问题,请联系小编进行处理。
推荐阅读:




