【导读】减少浪涌电流的另一种方法是减少启动期间转换器上的负载。这降低了浪涌电流中与负载相关的部分,并且仅留下由输入滤波电容引起的部分。减载的基本方式有两种:输出软启动和输出负载切换。
减少浪涌电流的另一种方法是减少启动期间转换器上的负载。这降低了浪涌电流中与负载相关的部分,并且仅留下由输入滤波电容引起的部分。减载的基本方式有两种:输出软启动和输出负载切换。
负载限制
减少浪涌电流的另一种方法是减少启动期间转换器上的负载。这降低了浪涌电流中与负载相关的部分,并且仅留下由输入滤波电容引起的部分。减载的基本方式有两种:输出软启动和输出负载切换。
输出软启动与具有输出电压调节功能的转换器配合使用,主要为电阻负载供电。由于输出电流与输出电压成正比,如果输出电压初始设置较低,则输出电流也会较低,因此浪涌电流也会较低。然后允许输出电压斜坡上升至工作电压。
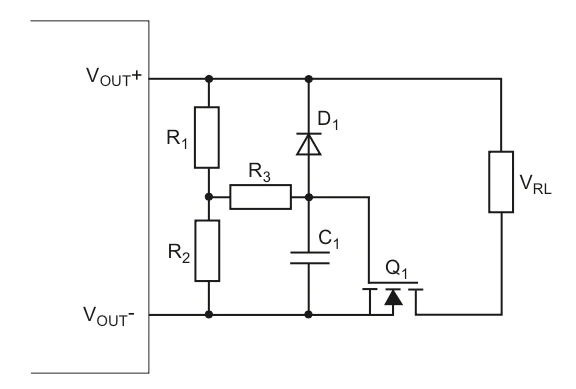
图 1 显示了使用 RECOM R-6112x 降压稳压器系列的此方法的示例。当转换器通电时,电容器C1放电。PNP 型晶体管完全导通,VADJ 引脚被上拉至 VOUT+ 电压。这导致输出电压被设置为输出电压。例如,对于在 1 A 输出时标称电压为 12 V 的 R-6112x 转换器,输出电压将在 275 mA 或大约满负载的四分之一时调节至 3.3 V。当 C1 通过 R1 充电时,通过 TR1 的电流减少,输出电压逐渐上升,终达到满标称输出电压。二极管 D1 确保转换器关闭时 C1 快速放电,为下输出软启动做好准备。
欠压锁定
如果输入电压太低,输入电流可能会超出 DC/DC 转换器组件的设计限制。因此,一些转换器具有内部控制电路,如果输入电压降得太低,该电路会禁用转换器。该电路称为欠压锁定 (UVL)。
不应低估 UVL 电路的有用性。以需要 12 V 电源提供 12 W 输出功率的应用为例。在标称输入电压下,1 A 电源就足够了,因此可能指定 1.5 A 主电源。该转换器的输入电压范围通常为 9 – 18 V,因此在加电时,一旦输入电压升至 9 V 以上,它就会开始工作,电流为 1.3 A。但是,如果没有 UVL 电路,转换器可能会尝试仅以 7V 启动,即使这超出了规格,电流为 1.7A。这高于输入电压下主电源的电流限制,将会崩溃。在转换器终正确启动之前,电源和转换器可以相互交互几个周期。同时,
因此,UVL 功能不仅可以?;?DC/DC 转换器,还可以?;じ涸睾椭鞯缭疵馐芄饔跋?。如果 DC/DC 转换器不具备内置 UVL 功能,则可以使用图 3 中所示的外部电路来禁用转换器,直到输入电压建立为止。带有内置参考电压的运算放大器(例如 LM10)是合适的选择。
免责声明:本文为转载文章,转载此文目的在于传递更多信息,版权归原作者所有。本文所用视频、图片、文字如涉及作品版权问题,请联系小编进行处理。
推荐阅读:
Microchip FPGA采用量身定制的PolarFire FPGA和SoC解决方案协议栈


