【导读】几乎所有现代工业系统都涉及交流/直流电源,这些系统从交流电网获得能量,并将经过妥善调节的直流电压输送到电气设备。随着全球功耗增加,交流/直流电源转换过程中的相关能量损耗,成为电源设计人员整体能源成本考虑的重要部份,特别是高耗电电信和服务器应用的设计人员。
几乎所有现代工业系统都涉及交流/直流电源,这些系统从交流电网获得能量,并将经过妥善调节的直流电压输送到电气设备。随着全球功耗增加,交流/直流电源转换过程中的相关能量损耗,成为电源设计人员整体能源成本考虑的重要部份,特别是高耗电电信和服务器应用的设计人员。
氮化镓有助于提高能效并减少交流/直流电源的损耗,进而有助于降低终端应用的拥有成本。例如,透过最低 0.8% 的效率增益,采用氮化镓的图腾柱功率因子校正(PFC)有助于100 MW数据中心在10年内节省多达700万美元的能源成本。
选择正确的 PFC 级拓朴
世界各地的政府法规要求在交流/直流电源中使用 PFC 级,藉以促进从电网获得洁净电力。PFC 对交流输入电流进行调整以遵循与交流输入电压相同的形状,因而达到从电网汲取最大的有功功率,电气设备即可像无功功率为零的纯电阻一样运作。
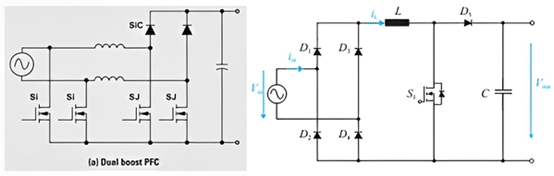
如图一所示,传统的 PFC 拓朴结构包括升压 PFC(在交流线路后采用全桥式整流器) 和双升压 PFC。典型升压 PFC 是常见的拓朴结构,这其中包含传导损耗极高的前端桥式整流器。双升压 PFC 由于没有前端桥式整流器,减少传导损耗,不过这确实需要额外的电感,因此成本和功率密度受到影响。
图一 : PFC 拓朴结构:双升压 PFC(b);升压 PFC
可能提高效率的其它拓朴包括交流开关无桥接式 PFC、有源桥接式 PFC 和无桥接式图腾柱 PFC,如图二所示。交流开关拓朴使用两个在开启状态下导通的高频场效应晶体管 (FET) 和在关闭状态下导通的碳化硅 (SiC) 二极管和硅二极管。有源桥式 PFC 直接以四个低频 FET 取代连接到交流线路的二极管桥式整流器,二极管桥式整流器需要额外的控制和驱动电路。有源桥式 PFC 使用三个在开启状态下导通的 FET 和两个低频 FET,以及在关闭状态下导通的 SiC 二极管。
图二 : 可提高效率的各种 PFC 开关拓朴
相较之下,图腾柱 PFC 只有在开启和关闭状态下导通的一个高频 FET 和一个低频硅 FET,因此在三种拓朴结构中达到最低的功率损耗。此外,图腾柱 PFC 只需要最少数量的功率半导体组件,因此,在考虑整体组件数量、效率和系统成本时,这是有吸引力的拓朴。
氮化镓在图腾柱 PFC 中展现效益
传统的硅金属氧化物半导体 FET(MOSFET)不适合图腾柱PFC,因为MOSFET的本体二极管具有极高的反向复原电荷,会导致高功率损耗和直通损坏的风险。SiC功率MOSFET比硅略有改善,固有本体二极管的反向复原较低。
另外,氮化镓提供零反向复原损耗,在三种技术中达到最低的整体开关能量损耗 – 比同类 SiC MOSFET 低 50% 以上。这主要是因为氮化镓具有更高的开关速度能力(100 V/ns 或更高)、更低的寄生输出电容和零反向复原。氮化镓 FET 中没有本体二极管,因此完全没有直通的风险。
TI 最近与Vertiv合作进行设计,协助该公司的3.5 kW整流器达到98%的峰值效率,相较于上一代硅 3.5 kW 整流器的 96.3% 峰值效率,达到1.7%的效率增益。若要将这种效率效益外推到实际的例证,使用采用氮化镓的图腾柱PFC有助于100 MW数据中心在 10 年内节省多达1490万美元的能源成本,以及减少二氧化碳排放量的额外效益。
TI 氮化镓中没有反向复原损耗、输出电容减少和重迭损耗,因此Delta Electronics中的 PFC 能够在数据中心的节能服务器电源中达到高达 99.2% 的峰值效率。TI 氮化镓 FET 内部的整合闸极驱动器允许 FET 达到高达 150 V/ns 的开关速度,因而降低高开关频率下的整体损耗,而且 Delta 能够达到 80% 的功率密度改善,同时将效率提高 1%。
氮化镓技术在图腾柱 PFC 设计中展现的效益显而易见。随着愈来愈多的电源单元设计人员改采氮化镓,而且随着氮化镓制造商发布创新产品,电信和服务器电源设计人员有望持续提高功率密度和能效。
免责声明:本文为转载文章,转载此文目的在于传递更多信息,版权归原作者所有。本文所用视频、图片、文字如涉及作品版权问题,请联系小编进行处理。
推荐阅读:




