【导读】隔离电压/电流感测在工业应用中具有多种用途,如图 1 所示。它可用于检测电源浪涌时的过压或断电时的欠流。此外,它还提供信号隔离以及电噪声和瞬态干扰的抑制,防止系统故障。ACPL-K370/K376 是具有内置电压/电流阈值检测电路的模拟光耦合器器件。该器件具有检测精度高、交流或直流电压检测范围宽、阈值电流低等特点。ACPL-K370/K376 非常适合用于许多工业传感应用,例如功率监控和温度传感。
隔离电压/电流感测在工业应用中具有多种用途,如图 1 所示。它可用于检测电源浪涌时的过压或断电时的欠流。此外,它还提供信号隔离以及电噪声和瞬态干扰的抑制,防止系统故障。ACPL-K370/K376 是具有内置电压/电流阈值检测电路的模拟光耦合器器件。该器件具有检测精度高、交流或直流电压检测范围宽、阈值电流低等特点。ACPL-K370/K376 非常适合用于许多工业传感应用,例如功率监控和温度传感。
工业环境中使用 ACPL-K370 / K376 进行电压/电流检测的应用示例
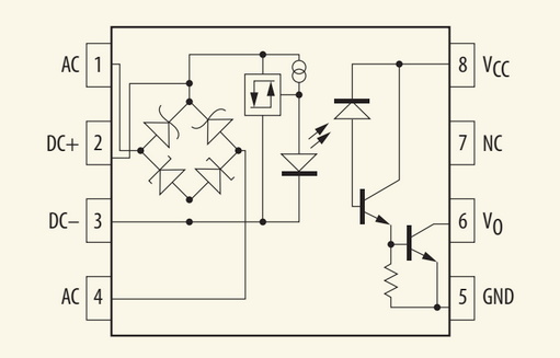
光隔离电压/电流检测器
在用于电压/电流检测的典型电气控制系统中,输入信号将是直流或交流信号,ACPL-K370/K376 输入端的内部二极管电桥允许通过使用引脚轻松使用交流输入信号如图1和图2所示的引脚4。ACPL-K370/K376的输入部分由全波桥式整流器、阈值检测集成电路和LED组成。桥式电路的齐纳二极管可?;ゃ兄档缏泛?LED 免受过压/过流应力条件的影响。迟滞提供增强的抗噪能力,提供的温度补偿阈值水平。信号光学耦合到输出检测器集成电路,该电路由光电二极管和高增益达林顿配置放大器组成。
使用 ACPL-K370/K376 进行电压/电流检测
ACPL-K370/K376 具有预编程的上限和下限电压和电流阈值电平 VTH+、VTH–、ITH+ 和 ITH–。为了实现更高的外部阈值检测电平(V+或V–),可以在外部串联一个电阻Rx,并将该电阻分成两半,以减少功耗并改善瞬态保护。Rx 用于确定阈值电平,VTH+/ITH+ 或 VTH–/ITH–。与 ACPL-K370/K376 的连接图如图 3 所示。在某些应用中,为了更好地控制外部阈值检测电平、上限和下限电压阈值以及 Rx 和 Rp 的组合。ACPL-K370/K376 需要并联 Rp。图 4 说明了结合 Rx 和 Rp 进行交流电源检测。为了获得 Rx 和 Rp(由方程 1 和 2 控制),
使用 ACPL-K370 / K376 进行交流 / 直流功率阈值感应
K376.png
使用 ACPL-K370 / K376 改进交流电源阈值感应
公式 1 和 2:对于双外部阈值电压
ACPL-K370/K376 采用行业标准的拉伸 SO8 封装,爬电距离和电气间隙为 8 mm,并提供高工作绝缘电压、高 CMR 和宽工作温度范围。ACPL-K370/K376 的电压检测精度对于直流输入信号为 +/- 5 %,对于交流输入信号为 +/- 6 %。与 ACPL-K370 相比,ACPL-K376 提供更低的阈值电流,因此可将功耗降低 52%(基于标称开启阈值)。
免责声明:本文为转载文章,转载此文目的在于传递更多信息,版权归原作者所有。本文所用视频、图片、文字如涉及作品版权问题,请联系小编进行处理。
推荐阅读:





