【导读】本应用笔记描述了传输门的用途和基本操作。本文解释了如何使用传输门以的电路板面积投资来快速隔离多个信号,并且这些关键信号的特性下降可以忽略不计。DS3690 是示例设备。
本应用笔记描述了传输门的用途和基本操作。本文解释了如何使用传输门以的电路板面积投资来快速隔离多个信号,并且这些关键信号的特性下降可以忽略不计。DS3690 是示例设备。
传输门是一种模拟开关,可以选择性地阻止信号传输。在本应用笔记中,我们将定义传输门的含义、其基本操作和终目的。例如,DS3690 器件用于隔离多个信号,并且对电路板面积的投资,并且这些关键信号的特性下降可以忽略不计。
基本操作
传输门或模拟开关被定义为一种电子元件,它将选择性地阻止或传递从输入到输出的信号电平。该固态开关由 pMOS 晶体管和 nMOS 晶体管组成??刂普ぜ曰ゲ狗绞狡?,使得两个晶体管要么导通,要么截止。
当节点 A 上的电压为逻辑 1 时,互补逻辑 0 被施加到低电平有效节点 A,从而允许两个晶体管导通并将 IN 处的信号传递到 OUT。当节点 A 上的低电平有效电压为逻辑 0 时,互补逻辑 1 被施加到节点 A,关闭两个晶体管并在 IN 和 OUT 节点上强制形成高阻抗状态。这种高阻抗条件代表 DS3690 通道可能向下游反映的第三种“状态”(高、低或高阻抗)。
原理图(图 1)包括 IN 和 OUT 的任意标签,因为如果这些标签颠倒,电路将以相同的方式运行。该设计提供真正的双向连接,且不会降低输入信号的质量。

传输门的示意图。
传输门的常见电路符号描述了电路操作的双向性质(图 2)。

电路符号。
传输门有什么用?
传输门通常用作逻辑电路的构建块,例如 D 锁存器或 D 触发器。作为独立电路,传输门可以在热插入或移除过程中将一个或多个组件与实时信号隔离。在安全应用中,它们可以有选择地阻止关键信号或数据在没有适当的硬件控制授权的情况下传输。
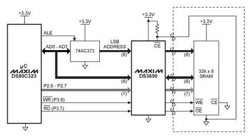
图 3 中的连接方案旨在隔离微处理器和内存组件之间的 I/O 总线,以防内存被移除。SRAM 物理安装在可移动存储卡上;DS3690 传输门用于隔离通过连接器路由的各种信号。
什么是传输门?

DS3690的典型应用电路。
SRAM 的接地连接通过连接器反馈,以拉低 DS3690 芯片使能(低电平有效 CE)引脚。安装存储卡后,此操作将启用传输门。
DS3690 有什么独特之处?
大量独立通道减少了组件数量
DS3690 具有 26 个独立通道,具有当今市场上的总线宽度。大多数商用传输门都配置为容纳 2、4 或 8 个离散信号。以图 3 为例,当卡被移除时,该 SRAM 需要隔离 25 个离散信号。使用传统的 8 位传输门,设计人员必须放置四个独立的组件来隔离该 SRAM,从而显着增加终组件数量和专用 PC 板面积。
小封装节省电路板空间
DS3690 采用 5 mm x 11 mm TQFN 封装,仅需 55 mm? 的 PC 板面积即可完成整个总线隔离工作。如果设计人员选择了 8 位传输门,则激进的封装是每个占用 51.5 mm? 的 SSOP??悸堑叫藕挪枷叩挠嗔浚母?8 位组件将占用超过 200 mm? 的空间来完成与单个 DS3690 相同的功能。
免责声明:本文为转载文章,转载此文目的在于传递更多信息,版权归原作者所有。本文所用视频、图片、文字如涉及作品版权问题,请联系小编进行处理。
推荐阅读:



