【导读】给出了运算放大器上的两个半周期整流器的方案,该方案具有根据输入电压极性切换输入的功能。输入的切换是通过取自比较器上的零指示器的输出的控制信号来执行的。
给出了运算放大器上的两个半周期整流器的方案,该方案具有根据输入电压极性切换输入的功能。输入的切换是通过取自比较器上的零指示器的输出的控制信号来执行的。
精密二半周期整流器的工作原理是根据输入电压的极性来切换输入,通常包含一个运算放大器,其同相输入端由一个二极管并联,图 1,R1 = R2 = 2R3。

当输入电压的正半波进入输入端时,二极管D1被锁定。运放U1工作在同相放大器模式,传输系数等于R2/R1。输出电压等于输入电压:Uout = Uin。
当相应幅度的负半波到达器件输入时,二极管D1打开,电路工作在反相放大器模式,传输系数等于–1,Uout = –Uin。
该电路的缺点是显而易见的:由于二极管 D1 具有明显的电阻,因此负极性输入电压较低,Uout ≠ –Uin。实际上,使用运放 U1 LM324 和二极管 D1 1N4148 时输入信号的幅度应在 2.5 V 至电源电压的范围内。
通过使用由比较器 U1.1 上的零检测器控制的关键元件(FET Q1,图 2或模拟开关 U2,图 3 ) ,可以改善精密两个半周期整流器的运行。
个器件的实际方案如图 2 所示。

图 2两个半周期整流器,通过 FET 切换运算放大器的输入。
在LM339芯片的比较器U1.1上对输入信号进行过零检测。从该检测器的输出,控制信号被施加到 FET Q1 2N3823 的栅极,该栅极切换 LM324 芯片的运算放大器 U2.1 的输入。
使用运算放大器 U2.1 LM324 和 FET Q1 2N3823 时,输入信号的幅度应在距电源电压 0.5 V 的范围内。
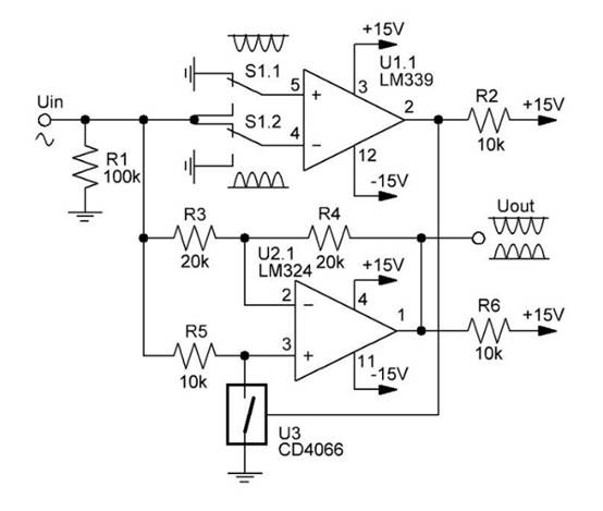
通过使用模拟 U3 开关作为开关元件(如图 3 所示,例如 CD4066)或损耗更小的更现代的元件,可以改进两个半周期整流器。为了减少公钥的电阻,CD4066开关的所有4个通道应并联。开关S1可以改变输出信号的极性。

图 3两个半周期整流器,通过模拟开关切换运算放大器的输入。
图 3 中的两个半周期整流器的精度可在 20 mV 至器件电源电压的输入电压范围内运行。整流器的频率为 100 kHz,取决于有源元件的频率特性。
免责声明:本文为转载文章,转载此文目的在于传递更多信息,版权归原作者所有。本文所用视频、图片、文字如涉及作品版权问题,请联系小编进行处理。
推荐阅读:





