【导读】LED技术推动照明领域的一场革命。因结合小型、低功耗、高可靠性和低成本,使得照明可以在不可能使用白炽灯或荧光灯技术的地方实现。因此,LED照明在办公室、家庭甚至在汽车上激增。
LED技术推动照明领域的一场革命。因结合小型、低功耗、高可靠性和低成本,使得照明可以在不可能使用白炽灯或荧光灯技术的地方实现。因此,LED照明在办公室、家庭甚至在汽车上激增。
目前固态照明方案的主要缺点不是LED本身,而是提供照明能量的电源。这些开关电源(Switched-Mode Power Supplies;SMPS)的预期寿命比LED短得多,主要是因为它们所含的磁性组件(magnetic components)和电解电容(electrolytic capacitors)的使用寿命。此外,含有风扇等主动(active)冷却设备的开关电源尤其易受到在初期故障影响,而另一个缺点是SMPS的体积庞大,是电磁干扰(Electro-Magnetic Interference;EMI)的主要原因??悸堑匠叽绾陀邢薜恼彰靼沧翱占洌琒MPS不太可能与LED安装在相同的PCB上,因此需要互连和引线,这是另一个潜在的故障原因。
然而,电力技术和拓扑的最新进展包含交流直接驱动(Direct AC Drive;DACD)电源方案的出现。这种新方法完全无需传统的SMPS,在成本、体积、使用寿命及可靠性方面提供多种优势,然而,并不是所有的DACD方案都相同。
DACD拓扑
所有DACD方案的共同之处是输入桥式整流器(bridge rectifier),使用经典的4个二极管配置,将50/60Hz输入交流波形(AC waveform),校正为100/120Hz半正弦波(half-sine wave)。峰值振幅(peak amplitude)从110V交流输入的155V左右变化到230V交流输入的325V,但原理保持不变。
用于LED驱动的DACD拓扑通常分为两种配置,每一种都各有优缺点(图1)。
图1 典型的DACD拓扑及其主要的特点。
这两种方法都支持采用单板(single board)方案,而不是SMPS方案所需的双板方案。分流型(shunt type)DACD采用单片IC,降低物料清单(Bill of Material;BOM)成本,并且还具有可扩充的优点,但散热性能相对较差。
相比之下,旁路类型(bypass type)倾向于使用多个IC,因而导致更高的BOM成本,这种方法更适合需要许多LED灯串的应用。与分流法相比,虽然扩展性有限,但电气性能(electrical performance)更好,总谐波失真率(Total Harmonic Distortion;THD)通常小于10%,而分流法为30%左右。
虽然与传统的开关电源法相比,DACD法有显著的进步,但并不是驱动现代LED应用的理想方案。目前市场上仍有许多IC的DACD方案,但这些方案在线路电压调整(line regulation)、散热性能(thermal performance)、突波电阻(surge resistance)、调光能力和成本方面都能改进。
图2显示DACD方案的基本工作模式。当交流线路电压通过半正弦时,IC内的开关指示电流(ILEDn)照亮每个LED。但这种线性开关法有一个主要的缺点,即高THD。
图2 基本工作波形和电路图。
最新的好方法
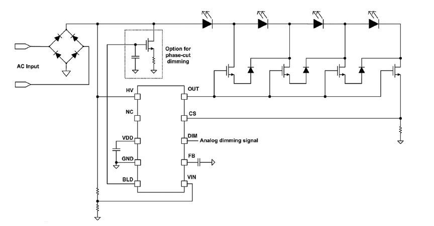
最新的DACD方案之一是安森美半导体的NCL30170?;诜至魍仄耍峁┣笆龇椒ǖ乃杏诺?,包含:是单个IC方案,具有较低的BOM成本及易于扩展功率。此种新方案的一个独特性是能够驱动多个外部MOSFET开关,支持多个LED灯串连接,功率能从10W扩展到200W,连接的LED灯串总数和外部开关仅受最高功率水平的限制。
图3 NCL30170是单输出、多串、分流DACD方案。
在大多数应用中,尽管电源电压波动,但LED亮度保持不变是很重要的。通常,DACD驱动器能够实现±10%的稳压,而新组件可达到±1%,这是非常显著的提升,因而确保连接LED的持续光输出。
新组件用一种特有的方法来调节电流,而不是用于传统DACD方案的线性方法。电压触发点保持不变,但以此种方式调节电流使其不再是一个阶梯形状,因而产生平滑的正弦波电流(sinusoidal current)(图4右),导致低于10%的极佳THD水平。
图4 专有的电流平滑/整形提供平滑的正弦波形。
除了极佳的THD,新CACD方案还提供较佳的功率因子校正(Power Factor Correction;PFC)性能,超过0.98。
有效调光的重要性
在许多应用中,能进行LED调光很重要,能透过脉冲宽度调变(Pulse Width Modulation;PWM)技术(通常称为切相)或模拟控制来实现。PWM提供大范围的调光能力,但亦有明显的缺点,包括闪烁,这已被证实会造成处于这种视线环境的人头痛,高电频的PWM调光也会导致在室内使用时产生不受欢迎的声频噪声(audible noise)。
虽然许多DACD方案能调低到10%,新方案能够提供5%的模拟调光,进而满足具有挑战性的现代应用需求。该设备在整个亮度范围内保持稳压,进而确保即使在低功率下,从LED发出的光仍然保持不变。
对于使用TRIAC的切相调光器,新CACD方案的PWM性能确保照明方案非常适用于改装应用。
总结
LED照明在目前照明方案中占很大比重。由于现代应用的低功耗、低成本和小尺寸的要求,将使这比例增长,用更加灵活和通用的LED照明汰换旧的白炽灯装置亦将是未来成长的重要推力。
直到最近,SMPS一直被用于为LED装置供电,但存在耐用性和使用寿命的问题,而且体积庞大,使得在受限空间安装LED方案变得复杂与受限。
近期,DACD已成为一种为LED灯串供电的可行技术。这项技术解决SMPS的许多缺点,特别是耐用性和使用寿命、大小和成本,且未来将大幅促进更多的LED照明装置。现在,业者开发的新CACD组件有助于交流直接技术提供应用所需的性能、灵活性和耐用性,应用于许多终端市场领域。
(来源:中电网)
免责声明:本文为转载文章,转载此文目的在于传递更多信息,版权归原作者所有。本文所用视频、图片、文字如涉及作品版权问题,请联系小编进行处理。
推荐阅读:
安森美和Ride Vision合作,为摩托车骑行者提供先进的安全方案




