【导读】作电动机运行的三相异步电机。三相异步电动机转子的转速低于旋转磁场的转速,转子绕组因与磁场间存在着相对运动而产生电动势和电流,并与磁场相互作用产生电磁转矩,实现能量变换。
三相交流电动机正反转互锁电路的分析
作电动机运行的三相异步电机。三相异步电动机转子的转速低于旋转磁场的转速,转子绕组因与磁场间存在着相对运动而产生电动势和电流,并与磁场相互作用产生电磁转矩,实现能量变换。
与单相异步电动机相比,三相异步电动机运行性能好,并可节省各种材料。按转子结构的不同,三相异步电动机可分为笼式和绕线式两种。笼式转子的异步电动机结构简单、运行可靠、重量轻、价格便宜,得到了广泛的应用,其主要缺点是调速困难。绕线式三相异步电动机的转子和定子一样也设置了三相绕组并通过滑环、电刷与外部变阻器连接。调节变阻器电阻可以改善电动机的起动性能和调节电动机的转速。
当向三相定子绕组中通入对称的三相交流电时,就产生了一个以同步转速n1沿定子和转子内圆空间作顺时针方向旋转的旋转磁场。由于旋转磁场以n1转速旋转,转子导体开始时是静止的,故转子导体将切割定子旋转磁场而产生感应电动势(感应电动势的方向用右手定则判定)。由于转子导体两端被短路环短接,在感应电动势的作用下,转子导体中将产生与感应电动势方向基本一致的感生电流。转子的载流导体在定子磁场中受到电磁力的作用(力的方向用左手定则判定)。电磁力对转子轴产生电磁转矩,驱动转子沿着旋转磁场方向旋转。
通过上述分析可以总结出电动机工作原理为:当电动机的三相定子绕组(各相差120度电角度),通入三相对称交流电后,将产生一个旋转磁场,该旋转磁场切割转子绕组,从而在转子绕组中产生感应电流(转子绕组是闭合通路),载流的转子导体在定子旋转磁场作用下将产生电磁力,从而在电机转轴上形成电磁转矩,驱动电动机旋转,并且电机旋转方向与旋转磁场方向相同。
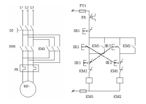
为了防止电动机在正转(反转)状态时启动反转(正转)。造成主电路短路的情况发生。在联接控制电路时要进行硬件互锁?;ニ缏贩治?,一是按钮互锁、二是接触器互锁,三是按钮接触器复合互锁。下面分别对三种电路进行分析。
1.按钮互锁电路
在电动机正反转控制电路中通常用的按钮开关有两对触点。一对常闭触点、一对??サ恪0磁セニ褪墙舳磁サ某1沾サ愦椒醋舳刂频缏分?。将反转启动按钮的常闭触点串联到正转启动控制电路中。这种控制方式的优点是,有效的避免了正反转启动按钮同时按下而造成的短路发生。缺点是在进行正反转状态切换时,要先按下停止按钮才能再按另外的一个启动按钮。尽管是这样操作,如果某一个接触器的主触头发生了粘连,在切换另一种状态时也会发生短路的情况??刂圃硗既缦拢?/p>
2.接触器互锁电路
接触器互锁就是有效的利用接触器的常闭辅助触点,防止因接触器主触头粘连而发生短路事故。假设某一个接触器的主触头因为电弧的烧伤而发生了粘连。在按下停止按钮后,该接触器的辅助常闭触点不会复位。因此,另一种状态的接触器就不会吸合。在选择启动按钮开关时,只需要有一对??サ愕陌磁タ鼐涂梢允褂谩U庵挚刂频缏吩谠缙谝灿幸欢ǖ挠τ???刂圃硗既缦拢?/p>
3.复合互锁控制电路
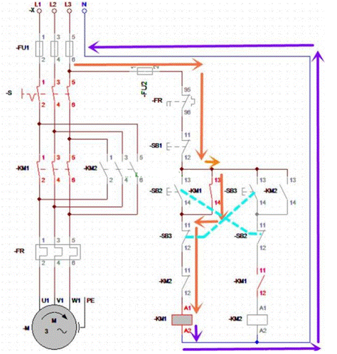
由于生产劳动的经验不断的丰富,一种安全可靠的控制电路就应运而生。那就是按钮和接触器复合互锁电路。它集前面两种控制电路的优点于一身。完全有效地保障了操作人员和设备的安全。下面两张图为正反转模拟运行时控制回路电流的走向。以及接触器和电机运行的方向。
4.电动机正转启动控制流程
当按下正转启动按钮SB2时,电流通过保险FU2→热继电器常闭触点95,96→停止按钮SB1常闭触点11、12→正转启动按钮SB2常开触点13、14→反转启动按钮SB3常闭触点11、12→反转接触器KM2常闭辅助触点11、12→正转接触器KM1线圈A1、A2→零线形成回路。正转接触器KM1吸合。电动机正转。与此同时,正转接触器KM1的??ㄖサ阋参闲纬勺运?。KM1的常闭辅助触点11、12断开形成互锁。松开正转启动按钮后,控制回路的电流则通过KM1的??ㄖサ?3、14形成回路。电动机继续正转运行。
5.电动机正转切换反转控制流程
电动机在正转运行的时候按下反转启动按钮SB3时,反转启动按钮SB3的常闭触点11、12首先断开,切断了正转接触器KM1线圈的供电回路。使正转接触器KM1线圈失电。从而KM1的主触头和常闭辅助触点11、12复位。电流通过保险FU2→热继电器常闭触点95,96→停止按钮SB1常闭触点11、12→反转启动按钮SB3常开触点13、14→正转启动按钮SB2常闭触点11、12→正转接触器KM1常闭辅助触点11、12→反转接触器KM2线圈A1、A2→零线形成回路。反转接触器KM2吸合。电动机反转。与此同时,反转接触器KM2的常开辅助触点也吸合形成自锁。松开反转启动按钮后,控制回路的电流则通过KM2的??ㄖサ?3、14形成回路。电动机继续反转运行。
控制线路容易发生的故障
在电动机正反转控制电路中,容易发生的故障部位有正反转启动按钮转、正反转接触器的主触头、热继电器、电动机轴承等。为什么以上部位容易发生故障呢?由于启动按钮是需要经常操作的部件,在操作的过程中力度掌握不好就很容易损坏按钮开关。接触器的主触头在吸合和断开的时候很容易被电弧烧伤。启动电流大也很容易使热继电器的双金属板发生疲劳而产生误动作。电动机在正反转的切换时会产生很大的扭矩而损伤轴承。
(来源:中电网)
免责声明:本文为转载文章,转载此文目的在于传递更多信息,版权归原作者所有。本文所用视频、图片、文字如涉及作品版权问题,请联系小编进行处理。
推荐阅读:



