【导读】电动车 (EV) 的发货量正在迅速增长,预计 21 世纪 20 年代还将加速发展。主要汽车制造商都已经推出了电动车或已制定了推出计划,它们还积极与伙伴合作,研究最佳的动力电子学方案,从而尽量延长单次充电行驶里程和降低成本。
电动车 (EV) 的发货量正在迅速增长,预计 21 世纪 20 年代还将加速发展。主要汽车制造商都已经推出了电动车或已制定了推出计划,它们还积极与伙伴合作,研究最佳的动力电子学方案,从而尽量延长单次充电行驶里程和降低成本。SiC 器件的主要应用如图 1 所示,预测数据表明,到 2030 年,SiC 的发货量有望达到 100 亿美元。电动车最重要的动力元件是电动车牵引逆变器,我们将在之后的文章中讨论。其他重要转换器有车载充电器和直流转换器。它们越来越多地涉及双向功率流,并因快速开关和出色的寄生二极管行为而大大获益。SiC FET 产品现已符合 AEC-Q101 要求,可满足这些需求。我们会讨论主要拓扑结构,查看使用 SiC 器件的优势,尤其是在电压较高 (500-800V) 的电池系统中。

图 1:UnitedSiC 优势
车载充电器拓扑结构
车载充电器 (OBC) 位于车内,所以它必须能够使用功率密度和能效都尽可能高的转换器拓扑结构,以便减小自身体积和重量。选择哪种拓扑结构取决于功率范围,可以是 6.6KW、11KW,也可以是 22KW(电动客车)。在部分情况下,车载充电器可以是双向的,这意味着电路不仅允许电池从电网获得电流,电动车还可以充当分布式电源向电网馈电。在这种模式下,电是反向流动的,但是峰值运行功率可能比电池充电额定值低(一半)。
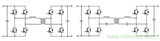
图 2 显示的是专为单向功率流设计的车载充电器的两种配置。电路有两个主要部分,前端整流器级和直流转换器级。整流器级对交流主电源电压进行整流,提供具有统一功率因数的直流轨。之后,直流到直流全桥移相级提供精确控制的输出,以便为电池组充电。在锂离子电池充电过程中,电路首先在控制电流模式下运行,然后在功率恒定模式下运行以实现快速充电,最后在电压恒定模式下运行,直至电池充满。

图 2:专为单向功率流设计的车载充电器中的两种配置
为了尽可能提高整流器级的能效,无桥拓扑结构越来越受欢迎,因为它可以避免二极管整流器桥的导电损耗。图 2 显示的图腾柱 (TPPFC) 电路,可以用于功率电平较低的情况。该电路含快速开关相脚,而其他电路则以线路频率开关??焖倏亟趴梢栽诹嫉缒J?(CCM) 和临界导电模式 (CRM) 下运行。在连续导电模式下,开关打开存在困难,最佳选项是使用含有出色低 QRR 寄生二极管的宽带隙开关。图 3 比较了器件参数,包括将 UnitedSiC FET 的 QRR 与先进的超结器件进行比较。如果开关频率超过 20kHz,则必须使用宽带隙开关,而 UnitedSiC FET 提供的标准栅极驱动将使得插入 UnitedSiC FET 以及从超结器件升级为 UnitedSiC FET 变得十分简单。

图 3:器件参数比较,包括 UnitedSiC FET 的 QRR 与先进的超级器件的比较
如果使用临界导电模式,则峰值电流会变得更高,为感应器带来额外的约束,并需要导通电阻更低的开关。在没有硬打开的情况下,可以使用硅基超结 FET,至少在较低的总线电压下可以。即使在这种情况下,使用 SiC FET 也行得通,因为现在有导通电阻非常低的选件,而与采用类似导通电阻的超结 FET 相比,SiC FET 的价格也越来越有竞争力。此外,利用 1200V SiC FET,该拓扑结构可以扩展到更高的直流轨电压,从而使用最小的开关次数增加功率输出。
对于 11-22KW 这样较高的功率电平而言,3 相有源前端整流器是出色的选件。总线电压通常为 600-800V,因而需要使用 1200V 器件。此外,图 2 中的双电平 3 相电路需要开关损耗低且 QRR 低的开关,从而使得 SiC FET 取代 IGBT 成为更好的选择。图 4 显示的是 35mohm,1200V,TO247-4L (UF3C120040K4S) UnitedSiC FAST FET 的打开特征和关闭特征。鉴于器件的打开和关闭损耗非常低,这些器件并联使用,以实现高能效的有源前端整流器。使用 4 脚开尔文封装时,用户可以更快地开关,而且损耗更低,栅极波形也更清晰。

图 4:35mohm,1200V,TO247-4L (UF3C120040K4S) UnitedSiC FAST FET 的打开特征和关闭特征
前端整流器的替代方案是 Vienna 整流器,如图 5 所示,它允许将 650V 硅基超结器件与 SiC 肖特基二极管联用,以降低成本。在这个电路中,开关并不会进行硬开关。不过需要的半导体数量更多,且二极管压降限制了能实现的最佳能效。

图 5:Vienna 整流器,允许将 650V 硅基超结器件与 SiC 肖特基二极管联用,以降低成本
直流转换器
如图 2 所示,电池充电器和提供 12V/24V 电能的主力直流转换器都是移相全桥转换器。在满负荷下时,该电路采用以零压开关 (ZVS) 方式打开的 FET,并采用缓冲电容器来尽量降低整个器件的关闭损耗。该电路可以在高频 (100-300kHz) 下运行,且能效高。SiC FET 的导电损耗和关闭损耗低,且其栅极驱动要求简单,是理想的选择。对于可在 0 至 12V 下驱动或由输出 -12/0/12V 电压的简单脉冲变压器驱动的 UnitedSiC FET,情况也是如此。在轻负荷条件下,可能会发生硬开关,这会导致超结 FET 出现问题,也更容易发生二极管恢复感应故障,且 IGBT 电路容易产生更大的损耗。
图 6 中显示的 LLC 拓扑结构是一个非常出色的选择,尤其是在输出电压固定时。这个拓扑结构在输出固定的直流转换器级中最为常见,而移相全桥拓扑结构则更适合处理可变输出电压。在总线电压较低时,LLC 电路中会使用超结 FET 与快速二极管。而在电压较高时,IGBT 功率损耗变得过高,因而更适合选择 SiC FET。

图 6:在总线电压较低时,LLC 电路中使用超结 FET 与快速二极管。在电压较高时,IGBT 功率损耗会变得过高,因而适合选择 SiC FET
即使在总线电压较低的情况下,UnitedSiC 650V SiC FET 也能实现非常低的栅极电荷,非常短的输出电容充电时间和非常低的寄生二极管导电损耗,可以用于将 LLC 运行频率从 100kHz 提高到 500kHz。TO247-4L 封装中的导通电阻现在可以低至 7mohm,650V。对于低轮廓空间约束的应用,可以在行业标准 DFN8x8 封装中使用 27mohm,650V 器件。
对于双向直流转换,图 7 显示的是双有源桥 (DAB) 和 CLLC 电路,其中输出侧采用有源开关。对于电池充电,因为输出电压变化范围广,所以可以通过变换栅极 PWM 波形从固定的直流总线控制 DAB。如果采用 CLLC 拓扑结构,则为了维持直流转直流级的运行近共振,必须通过改变有源整流器级(图腾柱 PFC 或 3 相有源前端)的控制方案来改变总线电压。在这两种情况下,都必须在副边侧使用 SiC FET 以便在反模式下有效进行硬开关。这些 FET 可以是 650V 至 1200V FET(用于电池充电),也可以是 100-150V 等级内的较低压硅 FET(可实现 12V/24V 输出)。

图 7:双有源桥 (DAB) 和 CLLC 电路,其中输出侧采用有源开关
轻松过渡
宽带隙 SiC FET 支持使用更完善的拓扑结构和更高的频率来实现大功率密度和能效目标。系统层面的电动车空间增加可以轻易抵消较高的开关成本。UnitedSiC FET 具备与所有类型栅极驱动电压兼容这个重要优势,所以可以插入基于硅的设计和 SiC MOSFET 设计中。在全世界设计师越来越多地采用 SiC 器件部署的过程中,这个优势可以让他们轻松完成过渡,有时只需对现有的基于硅的设计进行升级即可。
近期发展
下一阶段很可能要涉及集成驱动器和 FET 级,例如图 8 中所示的带驱动器的 SIP 半桥,它使用 35mohm,1200V 堆叠式共源共栅开关??夭ㄐ伪砻鳎死嗥骷С址浅??、非常清晰的开关,可以用作本文中所述的所有电路选项的构建块。

图 8:集成驱动器和 FET 级,例如所示的带驱动器的 SIP 半桥,它使用 35mohm,1200V 堆叠式共源共栅开关
SiC FET 技术迅速发展,正在开发中的 2020 版本开关的性能表征能提高 2 倍。再加上分立封装改进与基于 SiC 的智能功率??榈耐瞥?,这三项进步会随着电动车部署的不断增加进一步提高功率密度。
(来源:中电网)





