【导读】TVS(Transient Voltage Suppressor)瞬态电压抑制器。当两极受到反向瞬态高能量冲击时,能以 10 的负 12 次方秒量级的速度,将两极间的高阻抗变为低阻抗,使两极间的电压箝位于一个预定值,有效地?;さ缱酉呗分械木茉骷?/strong>
一.TVS 管概述
TVS(Transient Voltage Suppressor)瞬态电压抑制器。当两极受到反向瞬态高能量冲击时,能以 10 的负 12 次方秒量级的速度,将两极间的高阻抗变为低阻抗,使两极间的电压箝位于一个预定值,有效地保护电子线路中的精密元器件。在浪涌电压作用下,TVS 两极间的电压由额定反向关断电压 VWM 上升到击穿电压 VBR,而被击穿,随着击穿电流的出现,流过 TVS 的电流将达到峰值脉冲电流 IPP,同时在其两端的电压被钳位到预定的最大钳位电压 VC 以下,其后,随着脉冲电流按指数衰减,TVS 两极间的电压也不断下降,最后恢复到初态;TVS 管有单向与双向之分,单向 TVS 管的特性与稳压二极管相似,双向 TVS管的特性相当于两个稳压二极管反向串联。
二.其主要特性参数
1、反向截止电压 VRWM 与反向漏电流 IR:反向截止电压 VRWM 表示 TVS 管 不导通的最高电压,在这个电压下只有很小的反向漏电流 IR。 2、击穿电压 VBR:TVS 管通过规定的测试电流时的电压,这是表示 TVS 管导 通的标志电压。 3、脉冲峰值电流 IPP:TVS 管允许通过的 10/1000μs 波的最大峰值电流(8/20μs 波的峰值电流约为其 5 倍左右),超过这个电流值就可能造成永久性损坏。在同一个系列中,击穿电压越高的管子允许通过的峰值电流越小,一般是几 A~几十 A。 4、最大箝位电压 VC:TVS 管流过脉冲峰值电流 IPP 时两端所呈现的电压。 5、脉冲峰值功率 Pm: 脉冲峰值功率 Pm 是指 10/1000μs 波的脉冲峰值电流 IPP 与最大箝位电压 VC 的乘积,即 Pm=IPP*VC;在给定的最大钳位电压下, 功耗 PM 越大,其浪涌电流承受能力越大,在给定的功耗 PM 下,钳位电压越 低,其浪涌电流的承受能力越大;另外,峰值脉冲功耗还与脉冲波形,持续时间和环境温度有关:典型的脉冲波形持续时间为 1ms,当施加到二极管上的脉冲波形持续时间小于 TP,则随着 TP 的减小脉冲峰值功率增加;TVS 所能承受的瞬态脉冲式不重复的,如果电路内出现重复性脉冲,应考虑脉冲功率的累积可能损坏 TVS。 6、稳态功率 P0:TVS 管也可以作稳压二极管用,这时要使用稳态功率。 7、极间电容 Cj:与压敏电阻一样,TVS 管的极间电容 Cj 也较大,且单向的比 双向的大,功率越大的电容也越大,极间电容会影响 TVS 的响应时间。 8、峰值电流波形:A、正弦半波 B、矩形波 C 、标准波(指数波形) D、三角 波 TVS 峰值电流的试验波形采用标准波(指数波形),由 TR/TP 决定。 峰值电流上升时间 TR: 电流从 0.1IPP 开始达到 0.9 IPP 的时间。 半峰值电流时间 TP:电流从零开始通过最大峰值后,下降到 0.5IPP 值的时间。 下面列出典型试验波形的 TR/TP 值: EMP 波:10ns /1000ns 闪电波:8μs /20μs 标准波:10μs /1000μs
三.优点及缺点
优点:响应速度快(为 ns 级)、瞬态功率大、漏电流低;其 10/1000μs 波脉冲功率从 400W~30KW,脉冲峰值电流从 0、52A~544A;击穿电压有从 6、8V~550V 的系列值,便于各种不同电压的电路使用。 缺点:耐浪涌冲击能力较放电管和压敏电阻差; 稳压二极管:反应较慢;一般用于电压精度要求高的地方(一般较?。?,防浪涌,击穿电压精准,各压值档都有;齐纳击穿; 压敏电阻:与稳压二极管相似,但不可恢复;
四.选型依据及注意事项:
1、 TVS 的最大反向钳位电压 VC 应小于被?;さ缏返乃鸹档缪梗?2、TVS 的额定反向关断电压 VWM 要大于或等于被?;さ缏返淖畲蠊ぷ鞯缪?, 若选用的 VWM 太低,器件可能进入雪崩或因反向漏电流太大影响电路的正常 工作; 3、 交流电压只能用双向 TVS; 4、在规定的脉冲持续时间内,TVS 的最大峰值脉冲功率 PM 必须大于被?;さ缏房赡艹鱿值姆逯德龀骞β剩谌范俗畲笄坏缪购?,其峰值脉冲电流应大于瞬态浪涌电流; 5、结电容是影响 TVS 在高速线路中使用的关键因素,在这种情况下,一般用一个 TVS 管和一个快恢复二极管以背对背的方式连接,由于快恢复二极管有较小的结电容,因而二者串联的等小电容也较小,可以满足高频使用的要求; 6、需要考虑降额使用的应用; 应用场合:功率开关电路;整流二极管(与之同向);电源变压器;防直流电源反接或电源通断时产生的瞬时脉冲;抑制电机,断电器线圈,螺线管等感性负载产生的瞬时脉冲电压;控制系统的输入输出端;
使用注意事项:
1、对瞬变电压的吸收功率峰值与瞬变电压脉冲宽度间的关系,手册给的只是特 定脉宽下的吸收功率峰值,实际线路中的脉冲宽度则变化莫测,事前要有估计,对宽脉冲应降额使用; 2、对小电流负载的?;?,可有意识地在电路中增加限流电阻,只要限流电阻的 阻值合适,不会影响线路的正常工作,但限流电阻对干扰所产生的电流却会大大减小,这就有可能选用峰值功率较小的 TVS 管来对小电流负载电路进行保护; 3、对重复出现的瞬变电压的抑制,要注意 TVS 管的稳态平均功率是否在安全范围之内; 4、环境温度升高时要降额使用,TVS 管的引线长短,它与被?;は呗返南喽跃?离;
五.应用举例
直流电路中选用举例: 整机直流工作电压 12V,最大允许安全电压 25V(峰值),浪涌源的阻抗 50MΩ,其干扰波形为方波,TP=1ms,最大峰值电流 50A。 选择: 1、先从工作电压 12V 选取最大反向工作电压 VRWM 为 13V,则击穿电压为 V(BR)=VRWM/0.85=15.3V; 2、从击穿电压值选取最大箝位电压 VC(MAX)=1.30×V(BR)=19.89V,取 VC=20V; 3、再从箝位电压 VC 和最在峰值电流 IP 计算出方波脉冲峰值功率: PPR=VC×IP=20×50=1000W 4、计算折合为 TP=1MS 指数波的峰值功率,折合系数 K1=1.4, PPR=1000W÷1.4=715W 交流电路选用举例: 直流线路采用单向瞬变电压抑制二极管,交流则必须采用双向瞬变电压抑制二极管。交流是电网电压,这里产生的瞬变电压是随机的,有时还遇到雷击(雷电感应产生的瞬变电压)所以很难定量估算出瞬时脉冲功率 PPR。但是对最大反向工作电压必须有正确的选取。一般原则是交流电压乘 1.4 倍来选取 TVS 管的最大反向工作电压。直流电压则按 1.1—1.2 倍来选取 TVS 管的最大反向工作电压VRWM。 TVS 保护直流稳压电源实例:

图中是一个直流稳压电源,并有扩大电流输出的晶体管,在其稳压输出端加上瞬变电压抑制二极管,可以?;な褂酶玫缭吹囊瞧魃璞福被箍赏贾惺且桓鲋绷魑妊沟缭?,并有扩大电流输出的晶体管,在其稳压输出端加上瞬
变电压抑制二极管,可以保护使用该电源的仪器设备,同时还可以吸收电路中的集电极到发射极间的峰值电压,?;ぞ骞?,建议在每个稳压电源输出端加一个TVS 管,可以大幅度提高整机应用的可靠性;
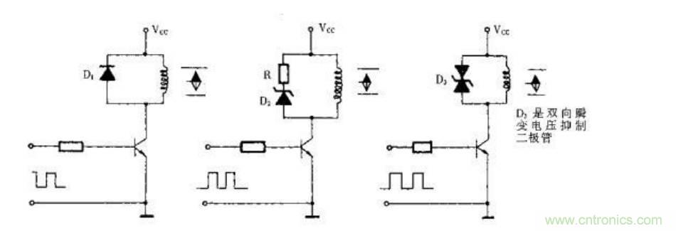
还有用 TVS ?;ぞ骞?,集成电路,可控硅,功率 MOS 管(在栅源之间加上 瞬变电压抑制二极管,可防止栅极击穿),继电器等; 继电器的触点往往用大电流去开关电动机等大电流电感负载,而电感在开关时有很高的反电势,而且有较大的能量,往往把触点烧坏或击穿产生电弧等,必须对触点采取?;?,抑制电弧的产生,以?;ぜ痰缙?。但是这种电弧产生的浪涌电流很大,过去采用电容或者用电容串联电阻、二极管、二极管串联电阻等抑制方案,现在采用瞬变电压抑制二极管方案效果更好。

推荐阅读:



