桃花源qm花论坛(品茶),凤楼阁论坛官网入口网址,一品楼品凤楼论坛最新动态,风楼阁全国信息2024登录入口

你的位置:首页 > 电路保护 > 正文

ESD器件在?;さ缏分械氖笥τ?/h2>

发布时间:2016-11-24 责任编辑:wenwei

【导读】USB、SD卡、MMC卡、DVI/HDMI、CAN等接口,因为用户使用中经常性热插拔,板上的芯片非常容易受静电影响。这样对于接口就要加上保护器件防止损坏芯片。接下来,我们一起来看看ESD器件在?;さ缏分械挠τ冒桑?/strong>

USB1.1、USB2.0、SD卡、MMC卡等接口,因为用户使用中经常性热插拔,板上的芯片非常容易受静电影响。这种应用场合不能使用普通的稳压管等信道进行保护,因为稳压管的反应速率太慢、且容性负载较大,会影响信道上的数据通信。NXP特提供以下方案供客户参考。

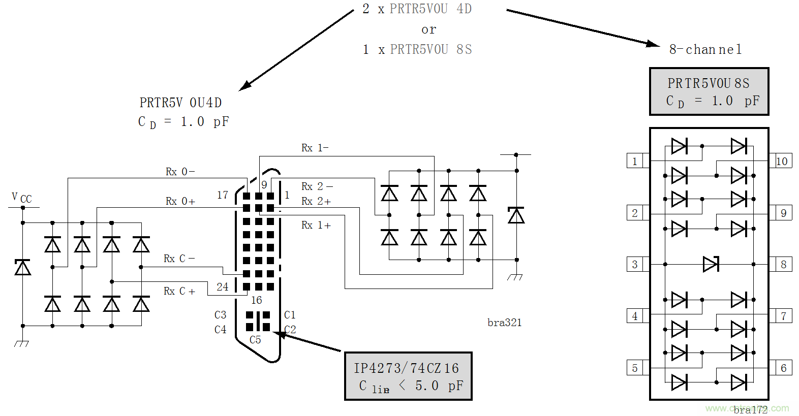
一、USB2.0的?;ぃ≒RTR5V0U4D用于双路USB)

下图为PRTR5V0U4D在双路USB应用中的连接示意图。

ESD器件在保护电路中的十大应用  
PRTR5V0U4D在双路USB中的应用

二、SD卡的?;?/strong>

下图为PESD5V0L6AS / PESD5V0L6US 在SD卡?;さ缏分械牧邮疽馔?。

ESD器件在?;さ缏分械氖笥τ? width=
ESD器件在SD卡?;さ缏分械挠τ?

下图为PESD3V3L4Ux / PESD5V0V4Ux 在SD卡?;さ缏分械牧邮疽馔?。

ESD器件在?;さ缏分械氖笥τ? width=
ESD器件在SD卡?;さ缏分械挠τ?

三、MMC多媒体卡的?;?/strong>

下图为PESD3V3L4Ux / PESD5V0L4Ux / PESD3V3V4Ux / PESD5V0V4Ux 在MMC多媒体卡?;さ缏分械牧邮疽馔?。

ESD器件在?;さ缏分械氖笥τ? width=
PESD器件在MMC多媒体卡?;さ缏分械挠τ?/div>
四、DVI/HDMI的?;?/strong>

DVI和HDMI接口已常用于数字视频与音频和显示平板的连接。由于高频信号(最高达1.6GHz)的处理要求这些数据线配置极低的线路电容。Philips提供了独特的1pF的线路电容?;て骷?。性能继续维持8 kV的可接触的IEC61000-4-2标准。下图为NXP ESD器件在DVI / HDMI接口?;さ缏分械牧邮疽馔肌?br />
ESD器件在?;さ缏分械氖笥τ? width=  
NXP ESD器件在DVI / HDMI接口?;さ缏分械挠τ?/div>
五、独立Audio/Video的?;?/strong>

下图为PRTR5V0U4D / PESD5V0L4Ux在独立Audio/Video接口?;さ缏分械牧邮疽馔肌?br />
ESD器件在?;さ缏分械氖笥τ? width=
ESD保护器件在独立Audio/Video接口?;さ缏分械挠τ?/div>
六、S-Video/Audio的?;?/strong>

下图为PRTR5V0U4D / PESD5V0L5Ux在S-Audio/Video接口保护电路中的连接示意图。

ESD器件在保护电路中的十大应用
ESD?;て骷诙懒udio/Video接口保护电路中的应用

七、SCART接头的?;?/strong>

SCART接口在电视机到录像机,机顶盒,DVD录像机和人造卫星接收器的连接中得到了广泛的应用。由于这些应用中使用了敏感的IC器件,ESD?;は缘梅浅V匾S绕涫鞘悠岛鸵羝敌藕畔?。NXP推荐以下器件供客户参考PESD5V0L5Ux / PESD5V0L7Bx。

ESD器件在?;さ缏分械氖笥τ? width=
ESD保护器件在SCART接口?;さ缏分械挠τ?/div>
八、IP芯片在SIM卡?;ぶ械挠τ?/strong>

下图为IP系列ESD保护器件在SIM卡?;さ缏分械牧邮疽馔?。

ESD器件在?;さ缏分械氖笥τ? width=
IP 系列器件在SIM卡?;さ缏分械挠τ?/div>
九、IP芯片在SD /MMC多媒体卡?;ぶ械挠τ?/strong>

下图为IP系列ESD保护器件在SD/MMC多媒体卡?;さ缏分械挠τ檬疽馔肌?br />
ESD器件在?;さ缏分械氖笥τ? width=
IP系列器件在SD/MMC多媒体卡?;さ缏分械挠τ?/div>
十、汽车CAN和LIN总线的保护

CAN总线、LIN总线初期主要应用于汽车电子中,目前两种总线已经广泛应用各种中短距离总线场所,如工控、汽车电子等恶劣环境中。NXP推荐您在此类接口中加入ESD?;て骷栽銮磕南低车目煽啃停萍隽邮疽馔既缦滤?。

ESD器件在?;さ缏分械氖笥τ? width=  
NXP ESD器件在CAN bus / LIN bus中的应用




推荐阅读:


2016年智能家居市场现状令人堪忧?
DCDC变换器轻载时三种工作模式是什么?
Altium让多相和多模块电路板设计变得简单!
传感器信号调节器如何解决感测元件输出非线性化问题?
示波器在直流无刷电机行业的应用案例解析




关闭

?

关闭