【导读】集成运算放大器是模拟集成电路中应用最广泛的器件。在由运算放大器组成的各种系统中,由于应用要求不一样,对其性能的要求也不一样。在没有特殊要求的场合,尽量选用通用型集成运放,这样即降低成本,又容易保证货源。当一个系统中使用多个运放时,就尽可能选用多运放集成电路。
评价集成运放性能的优劣,应看其综合性能。一般用优值系数K来衡量集成运放的优良程度,其定义为:

式中,SR为转换率,单位为V/ms,其值越大,表明运放的交流特性越好;Iib为运放的输入偏置电流,单位是nA;VOS为输入失调电压,单位是mV。Iib和VOS值越小,表明运放的直流特性越好。所以,对于放大音频、视频等交流信号的电路,选SR(转换速率)大的运放比较合适;对于处理微弱的直流信号的电路,选用精度比较的高的运放比较合适(既失调电流、失调电压及温飘均比较小)。
实际选择集成运放时,除优值系数要考虑之外,还应考虑其他因素。例如信号源的性质,是电压源还是电流源;负载的性质,集成运放输出电压和电流的是否满足要求;环境条件,集成运放允许工作范围、工作电压范围、功耗与体积等因素是否满足要求。
集成运算放大器的使用要点
1.集成运放的电源供给方式
集成运放有两个电源接线端+VCC和-VEE,但有不同的电源供给方式。对于不同的电源供给方式,对输入信号的要求是不同的。
(1)对称双电源供电方式
运算放大器多采用这种方式供电。相对于公共端(地)的正电源(+E)与负电源(-E)分别接于运放的+VCC和-VEE管脚上。在这种方式下,可把信号源直接接到运放的输入脚上,而输出电压的振幅可达正负对称电源电压。
(2)单电源供电方式
单电源供电是将运放的-VEE管脚连接到地上。此时为了保证运放内部单元电路具有合适的静态工作点,在运放输入端一定要加入一直流电位,如图3.2.1所示。此时运放的输出是在某一直流电位基础上随输入信号变化。对于图中交流放大器,静态时,运算放大器的输出电压近似为VCC/2,为了隔离掉输出中的直流成分接入电容C3。

运算放大器单电源供电电路
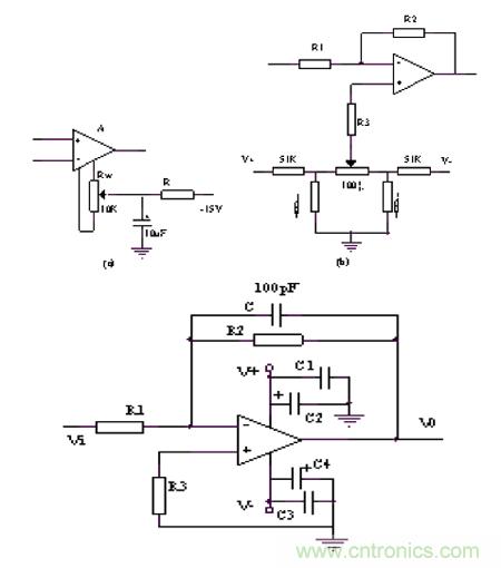
2.集成运放的调零问题
由于集成运放的输入失调电压和输入失调电流的影响,当运算放大器组成的线性电路输入信号为零时,输出往往不等于零。为了提高电路的运算精度,要求对失调电压和失调电流造成的误差进行补偿,这就是运算放大器的调零。常用的调零方法有内部调零和外部调零,而对于没有内部调零端子的集成运放,要采用外部调零方法。下面以mA741为例,下图(左)给出了常用调零电路。下图(右)所示的是内部调零电路;图(左)是外部调零电路。
3.集成运放的自激振荡问题
运算放大器是一个高放大倍数的多级放大器,在接成深度负反馈条件下,很容易产生自激振荡。为使放大器能稳定的工作,就需外加一定的频率补偿网络,以消除自激振荡。下图是相位补偿的使用电路。

运算放大器的常用调零电路/运算放大器的自激消除
另外,防止通过电源内阻造成低频振荡或高频振荡的措施是在集成运放的正、负供电电源的输入端对地一定要分别加入一电解电容(10mF)和一高频滤波电容(0.01mF~0.1mF)。如图3.2.3所示。
4.集成运放的保护问题
集成运放的安全?;び腥龇矫妫旱缭幢;?、输入保护和输出?;ぁ?/div>
(1)电源?;?。电源的常见故障是电源极性接反和电压跳变。电源反接?;ず偷缭吹缪雇槐浔;さ缏芳峦妓尽6杂谛阅芙喜畹牡缭?在电源接通和断开瞬间,往往出现电压过冲。图(b)中采用FET电流源和稳压管钳位?;?稳压管的稳压值大于集成运放的正常工作电压而小于集成运放的最大允许工作电压。FET管的电流应大于集成运放的正常工作电流。
(2)输入?;?。集成运放的输入差模电压过高或者输入共模电压过高(超出该集成运放的极限参数范围),集成运放也会损坏。图(右)所示是典型的输入?;さ缏贰?/div>

集成运放电源?;さ缏?集成运放输入?;さ缏?/div>
(3)输出保护。当集成运放过载或输出端短路时,若没有保护电路,该运放就会损坏。但有些集成运放内部设置了限流?;せ蚨搪繁;?使用这些器件就不需再加输出保护。对于内部没有限流或短路?;さ募稍朔?可以采用下图所示的输出?;さ缏贰T谙峦嫉缏分?当输出?;な?由电阻R起限流保护作用。

特别推荐
- 强强联手!贸泽电子携手ATI,为自动化产线注入核心部件
- 瞄准精准医疗,Nordic新型芯片让可穿戴医疗设备设计更自由
- 信号切换全能手:Pickering 125系列提供了从直流到射频的完整舌簧继电器解决方案
- 射频供电新突破:Flex发布两款高效DC/DC转换器,专攻微波与通信应用
- 电源架构革新:多通道PMIC并联实现大电流输出的设计秘籍
技术文章更多>>
- 特瑞仕半导体株式会社发布XC9711 系列新品降压 DC/DC 转换器
- 技术解决方案导向:破解车载摄像头终检痛点 ——FT8340 多通道电池模拟器的产线应用
- 从分立器件到集成???,安森美全链路提升UPS功率密度与效率
- 村田参展CES 2026
- 2025智能戒指排名前十选购指南:从健康监测到穿戴的全面解析
技术白皮书下载更多>>
- 车规与基于V2X的车辆协同主动避撞技术展望
- 数字隔离助力新能源汽车安全隔离的新挑战
- 车用连接器的安全创新应用
- Melexis Actuators Business Unit
- Position / Current Sensors - Triaxis Hall
热门搜索
隔离变压器
隔离开关
个人保健
工业电子
工业控制
工业连接器
工字型电感
功率表
功率电感
功率电阻
功率放大器
功率管
功率继电器
功率器件
共模电感
固态盘
固体继电器
光传感器
光电池
光电传感器
光电二极管
光电开关
光电???/a>
光电耦合器
光电器件
光电显示
光继电器
光控可控硅
光敏电阻
光敏器件
友情链接(QQ:317243736)
我爱方案网 ICGOO元器件商城 创芯在线检测 芯片查询 天天IC网 电子产品世界 无线通信???/a> 控制工程网 电子开发网 电子技术应用 与非网 世纪电源网 21ic电子技术资料下载 电源网 电子发烧友网 中电网 中国工业电器网 连接器 矿山设备网 工博士 智慧农业 工业路由器 天工网 乾坤芯 电子元器件采购网 亚马逊KOL 聚合物锂电池 工业自动化设备 企业查询 工业路由器 元器件商城 连接器 USB中文网 今日招标网 塑料机械网 农业机械 中国IT产经新闻网 高低温试验箱
关闭
?
关闭





