【导读】这里小编教你设计一种独特的交流电压表,尽管该电压表都是由标准元件组成的,其特点却是不同于普通的商业电压表,最大的不同在于整流方式的不同。到底是如何设计的呢?
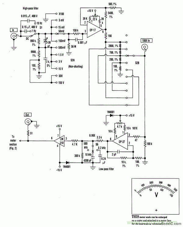
尽管该电压表都是由标准元件组成的,其特点却是不同于普通的商业电压表,最大的不同在于整流方式的不同。电压表响应包括真实有效值,平均值,RMS校准平均响应,正峰值,负峰值,正峰值保持和负峰值保持。

发布时间:2014-10-14 责任编辑:sherryyu

我爱方案网 ICGOO元器件商城 创芯在线检测 芯片查询 天天IC网 电子产品世界 无线通信???/a> 控制工程网 电子开发网 电子技术应用 与非网 世纪电源网 21ic电子技术资料下载 电源网 电子发烧友网 中电网 中国工业电器网 连接器 矿山设备网 工博士 智慧农业 工业路由器 天工网 乾坤芯 电子元器件采购网 亚马逊KOL 聚合物锂电池 工业自动化设备 企业查询 工业路由器 元器件商城 连接器 USB中文网 今日招标网 塑料机械网 农业机械 中国IT产经新闻网 高低温试验箱
关闭
关闭