- 断电放大器的?;ご胧?/strong>
- ESD保护二极管
- 反极性?;ざ堋 ?/strong>
奇怪的是,在台上放我收到这样的问题涉及的电压梑超声没有电源电压。感兴趣的电压通常适用于任何一个输入或关闭放大器的输出电压。为了节省电力,用户将有选择地关闭了其系统的某些部分。在电压,这往往导致被用于联合国动力系统的部件。用户通常想知道如何把放大器将对此有何反应犯错误的电压,以及必须采取预防措施,以确保把放大器的安全。
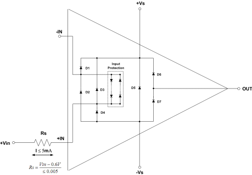
要了解如何保护场外放大器,我们必须先看看ESD?;ざ埽庑┓糯笃鞯墓罀s第一线。该ESD?;ざ艿母哐钩中奔涠痰姆糯笃鳎赡芑崴鸹祷虺て诮哟サ椭绷鞯缪沟钠苹?,如果目前通过他们不限。图1显示了一个典型的ESD?;ざ艿?a target="_blank" style="text-decoration:none;" >运算放大器。

图1。过放电流路径从+IN至用品
通过第7天D1的二极管组成放大器抯ESD保护网络。内盗ñ之间的虚线所示形成另一个保护网络,?;す固跫糯笃魇涑黾兜亩?。在一些反一系列二极管并联网络各不相同放大器放大器。为了估计之间的放大器,看看在绝对最大额定值表下的差分输入电压放大器的数据表中的投入二极管数目。
当放大器的电源是关闭,对盗ñ电压二极管D1上又通过个人财产。图1显示了从目前的路径+中通过?;ざ艿墓┯Γ偕枰桓龇祷芈肪洞嬖诘睦碛?。红色跟踪显示了积极的电压+队,蓝色的跟踪路径就显示了对负电压胧第路径类似的路径可以从输出通过二极管D6和D7,在电压的情况下,是在把放大器的输出目前的供应。最重要的安全预防措施,是限制电流进入小康放抯引脚。
没有限流,二极管和放大器可以损坏或毁坏。我们通常建议限制目前进入任何放大器引脚5毫安或更低。通常,所有的需要添加,是一个串联电阻。图2显示了图1限流过放。卢比,几乎没有正常工作条件下对整体电路功能的影响。假设与盫仛引脚接地,计算如下式所示卢比的最坏情况下:


图2。目前有限的关闭放大器
在最近的另一把安培调查涉及FET输入放大器,一个用户想知道是否关闭放大器的增益配置仍会出席了同相输入端的高输入阻抗的直流电压。
放大器的输人小于0.6V的电压为高输入阻抗,因为ESD二极管至少需要0.6V的进行。没有传导路径,输入仍然显示为高阻抗。如果输入电压大于0.6V的,但是,目前将开始流过的ESD二极管和其他搒尼亚克路径?关闭内放。为了限制在D3的电流,利用方程解决卢比。凭借五第4糟糕的情况适用于外的放大器输入,RS必须至少有680欧姆,不完全是高输入阻抗。
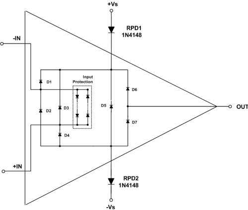
反向极性?;ぃ芄话镏谡庑┯τ弥?。作为国防电子原设计师,反极性?;さ亩?,我经常到我的设计中。反极性?;さ缏啡繁0踩?,即使是错误的极性电源连接到该系统的偏置引脚。纳入反向极性保护是一种简单,低成本的保险政策,所需要的是一对二极管。如果正确的电源极性适用,正向偏置二极管和电路按预期工作。如果电源极性相反的应用,该二极管反向偏置。没有电流通过的电路?;ぁM?显示了反向极性?;ざ芊糯笃鳌?br />

图3。运算放大器的反向极性保护
反极性?;ざ?,也让高输入阻抗超过一个更大的输入范围达到,因为二极管添加一个额外的电压降之前,必须克服目前可以流动。通过预防维生素D3的+队引脚电流流典雅完成的外部二极管RPD1。为正电压,RPD1反向偏置,因此,防止通过D3的电流。当前没有通过ESD二极管D4类,这是反偏不从输入流向负铁路,但它旨在通过场效应管输入级PN结的另一条道路。二极管RPD2形成一个额外的电压屏障,必须在任何电流流克服。



