- 基于Buck变换器的LED驱动器与常规的Buck变换器的设计差异
- AOZ0181反馈环路的设计过程
- 不能直接测量Buck型LED驱动器增益裕量和相位裕量的原因
- 采样低驱动电压来降低LED功耗,提高效率
- 输出电压由串联的LED的正向压降确定
- 在FB管脚加电压跟随器
Buck降压型LED驱动器和通用BUCK降压型变换器的设计相同,但对于反馈环路的增益裕量和相位裕量的测试,却和通常的Buck降压型变换器有很大的不同,这是由于LED驱动器的特性决定的,本文将会讨论这个有趣的问题。
1. Buck降压型LED驱动器特点
Buck降压型LED驱动器和通用Buck降压型变换器最大的不同在于参考电压的差异。通用Buck降压型变换器的参考电压通常是0.8V,1.25V等,用于设定输出的电压,输出电流变化时,输出电压保持恒定,输出的负载和输出电容并联,如图1 所示。Buck降压型LED驱动器的参考电压通常是0.25V,0.2V,0.1V,用于设定LED的驱动电流,并保持LED的电流恒定。由于设定LED的驱动电流的取样电阻和LED串联,因此参考电压越低,取样电阻的功耗就越小。如果参考电压过低,由于电流信号的取样信号太小,容易受外干扰,影响取样的精度;此外,同样的电流所要求的取样电阻值太小,也不容易选购。
在Buck降压型LED驱动器中,LED电流设定电阻有低端和高端电流取样两种方式,如图1 所示。低端电流取样直接对地检测电流,设计简单,但容易受到共模的干扰,取样精度差。高端电流取样不容易受到共模的干扰,取样精度高,但需要差动放大器。

2. AOZ1081工作特点
本文将基于AOZ1081来介绍反馈环的设计,因此先介绍一下AOZ1081的工作特点。AOZ1081是一款降压型Buck变换器,工作于电流模式,其特点可以让它配置成LED驱动器,同时也可以作为通用Buck变换器使用。其特点如下:
(1)内置了低端的续流二极管,因此无需外加肖特基二极管;
(2)具有内部的软起动,因此无需外加软起动电容;
(3)0.25V的参考电压,保证电流取样精度同时降低电流设定电阻的功耗;
(4)输入工作电压为4.5V到16V,具有Power On Reset POR功能,输入电压到4V时开始工作,输入电压低于3.7V,关断;
(5)具有连续的1.8A最大的输出电流;
(6)占空比从12%到100%,输入输出压差低时可以工作于LDO方式;
(7)1MHz的工作频率,可以使用小体积的电感和电容;
(8)在EN管脚可以加到最高到200Hz的PWM波形进行数字调光;
(9)具有过流?;CP和输出过压保护OVP;(10)芯片具有过温保护OTP功能。
去LED照明电源社区看看
[page]
3. 反馈设计
BUCK降压型LED驱动器仍然工作于峰值电流模式,其外环是取样LED的电流,反馈环路维持LED电流恒定,这样,输出的电压就由串联的LED的正向压降来决定。
和通用的峰值电流模式一样,LED驱动器功率级由一个零点和一个极点组成:

其中:CO为输出电容,ESR为输出电容等效串联电阻,RL为等效负载电阻。
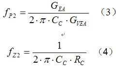
如果采用RC串联网络RC和CC连接在AOZ1081的COMP管脚和地之间,相当于增加一个零点和一个极点的补偿:

系统的穿越频率fC决定系统的带宽,带宽越大,系统的响应越快,但容易受到高频的干扰。通用带宽设为开关频率的1/10,对于AOZ1081,开关频率为1M左右,因此穿越频率可选取小于75K。所以,反馈网络可以用下式计算:

RC和CC形成的零点通常放大主极点fP1附近,但要低于1/5的穿越频率,所以:

4. BUCK降压型LED驱动器反馈测量
对于通用BUCK降压型变换器,可以直接在反馈分压电阻器上部电阻中,直接串接一个100欧姆的电阻R,由R注入测试信号,测量增益裕量和相位裕量,用于决定的系统的稳定程度,如图2所示。注意到,相对于输出的负载电阻,此回路相当于一个高阻抗回路,因此不影响系统的正常工作。

但是对于LED驱动电路,不能直接将100欧姆的信号注入电阻串联在LED的回路中,因此,LED回路是恒流工作,串入电阻后,就改变了的输出的电压和输出功率,系统不是正常的工作状态。
这样,就必须引入一种隔离的电路,使注入的信号不影响电源系统的正常工作。通常,电压跟随器具有阻抗变化,也就是其输入相当于开路,输出相当于短路,同时,时还具有缓冲的作用,也就是在信号源和负载之间缓冲,将输入信号无损耗的输出。因此,可以使用图3的电路测量LED驱动器的环路稳定性。

[page]
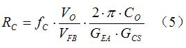
基于AOZ1081设计LED驱动器,输入电压4.5 V到16 V,输出为一个HB LED,;使用Venable的3120测量环路,Rc=61.9kohm,Cc=820pF,测量波形和结果如图4和表1所示。



[page]
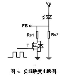
可以用图5的负载跳变来验证系统的稳定性,MOS驱动信号的频率为1kHz,负载电流从35mA到350mA跳变,波形如图6所示



5. 结论
1)基于BUCK降压型变换器LED驱动器需要低的参考电压,降低LED电流设定电阻所产生的功耗,从而提高效率。
2)基于BUCK降压型变换器LED驱动器仍然是峰值电流模式,外环采样的采样信号是LED的电流,输出电压由串联的LED的正向压降确定。
3)在FB管脚加电压跟随器,可以隔离电流取样电阻和用于测量相位裕量的信号注入电阻,保持正确的测量。


