【导读】晶闸管是一种具有S形电流-电压特性的半导体器件。它们是一种带有状态存储器的托管按键,当控制信号施加到晶闸管的输入时,它们就会打开。当使用直流电时,可以通过去掉电源电压来关断晶闸管。晶闸管的一个重大且不可避免的缺点是它们具有低输入阻抗,重要的是,它们不具有调整开关阈值的能力。
晶闸管是一种具有S形电流-电压特性的半导体器件。它们是一种带有状态存储器的托管按键,当控制信号施加到晶闸管的输入时,它们就会打开。当使用直流电时,可以通过去掉电源电压来关断晶闸管。晶闸管的一个重大且不可避免的缺点是它们具有低输入阻抗,重要的是,它们不具有调整开关阈值的能力。
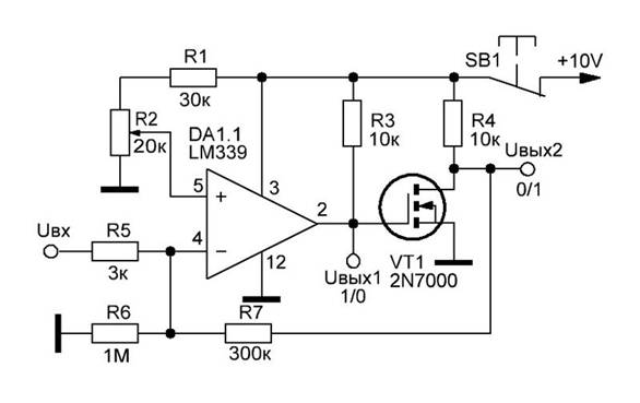
图 1显示了一个简单的晶闸管类似电路,具有高输入电阻和调节开关电压的能力。两款器件都包含 LM339 芯片的比较器 U1.1 作为有源组件。
图 1具有可调开关阈值的晶闸管比较器模拟。
其工作原理如下。将控制信号施加到器件的输入端(比较器的反相输入端),其电压超过切换比较器的阈值。该阈值通过在 0 至 4 V 范围内调节电位器 R2 来设置。如果在提供输入信号之前比较器输出处的电压接近器件的电源电压(逻辑单元的电平),则切换后,比较器输出端的电压降至零,晶体管 Q1 2N7000 关闭。其漏极上的电压从零切换到电源电压。该电压通过电阻器 R7 施加到比较器的输入并捕捉其状态。您可以通过使用 S1 按钮短暂断开电源电压,将晶闸管模拟返回到其原始状态。
图 2晶闸管比较器模拟的变体。
图 2显示了晶闸管比较器模拟的简化版本。输入控制信号的脉冲通过肖特基二极管 D1 1N5817 馈送到比较器 U1.1 的非反相输入端。在初始状态下,在提供控制信号之前,比较器的输出处的电压为零。如果输入电压超过通过调节电位器 R2 在 0 至 1 V 范围内设置的比较器开关电压,比较器将进行开关。其输出处将出现高电平电压,该电压通过电阻器 R5 进入比较器输入并捕捉其状态。
您可以通过按 S1 按钮将设备返回到原始关闭状态。
免责声明:本文为转载文章,转载此文目的在于传递更多信息,版权归原作者所有。本文所用视频、图片、文字如涉及作品版权问题,请联系小编进行处理。
推荐阅读:
在不影响系统性能的情况下延长电池寿命的 3 种低 IQ 技术


