【导读】在ACDC开关电源设计过程中,当需要实现高效率设计需求时,工程师往往会考虑LLC谐振半桥拓扑结构。LLC拓扑结构可以实现软开关,因此在开关电源设计尤其是在大功率的开关电源设计过程中往往具有优势。目前市面上经??梢钥吹降腘CP1399以及NCP13992系列就是安森美(onsemi)LLC拓扑结构控制芯片家族的代表成员。
在ACDC开关电源设计过程中,当需要实现高效率设计需求时,工程师往往会考虑LLC谐振半桥拓扑结构。LLC拓扑结构可以实现软开关,因此在开关电源设计尤其是在大功率的开关电源设计过程中往往具有优势。目前市面上经常可以看到的NCP1399以及NCP13992系列就是安森美(onsemi)LLC拓扑结构控制芯片家族的代表成员。
但是在设计过程中,工程师发现在轻载情况下LLC谐振电路工作状态总是不容易稳定。这是由于LLC拓扑结构本身的特性决定的。因此LLC控制芯片往往会在轻载的时候让电源进入打嗝模式(SKIP状态)。什么时候进入打嗝模式对于LLC谐振半桥设计来说是一个比较艰难的选择,在负载较大的时候进入打嗝模式,会导致变压器噪声等问题,在较小的负载进入打嗝模式又可能会导致输出电压不稳定等问题。在一些设计场合,比如LED照明电源,相对于输出电压和电流的稳定性来说,工程师往往不太在意轻载效率和待机功耗等问题,因此希望能在尽量小的负载进入打嗝模式甚至不进入打嗝模式。
目前市面上的LLC拓扑结构电源大部分会在10%负载情况下进入打嗝模式,那么有没有更多的选择,能在更低负载情况下进入打嗝模式呢?NCL30159,安森美半导体LLC控制芯片家族的新成员,给出了新的选择项。
产品方案简介:
1.方案特点:
使用onsemi临界模式的电流型PFC控制器NCL2801,内部集成谷底开通技术,在具备优良的THD和PF值性能基础上,还拥有优秀的效率表现;
使用安森美的最新电流型LLC拓扑结构驱动芯片NCL30159,在NCP1399和NCP13992的基础上,增加了原边恒流功能,并对轻载时候的打嗝工作模式进行了优化;
简易的外部线路,有利于简化PCB布板工作;
完善的保护:OTP,OVP,OCP等;
2.方案简易结构框图:
3.应用领域:
高PF值,低THD,高效率等应用场合,比如LED照明行业;
方案应用实例:
方案实物图:
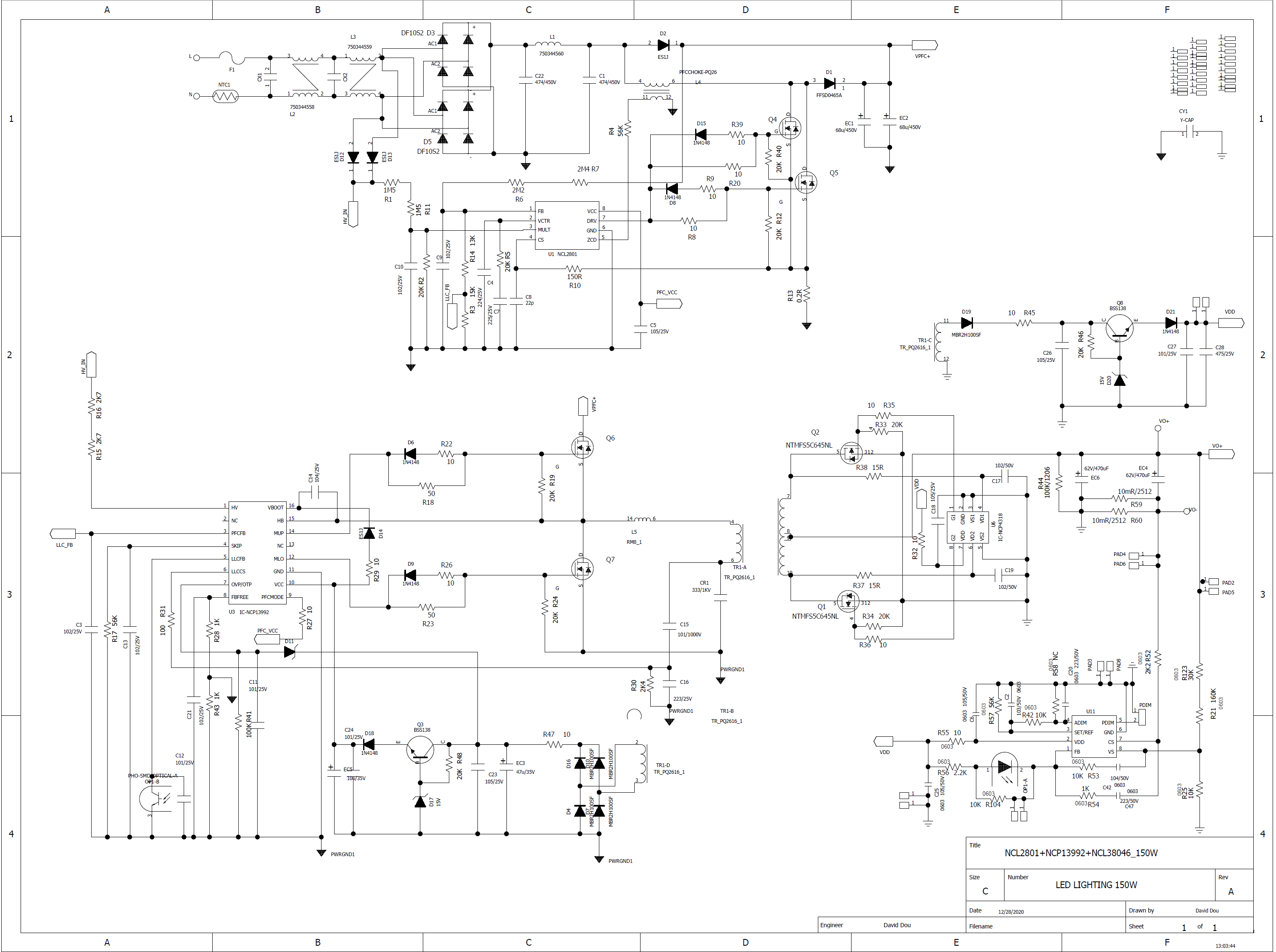
2.典型应用原理图以及线路介绍:
PFC部分使用onsemi的NCL2801产品,SOIC-8封装,外围线路简单。FB脚为输出电压采样信号输入端,作为反馈信号输入端的同时还有输出电压OVP功能?;?。MULT脚外置电阻分压,采样输入AC电压,用于判定输入电压范围以及设置BO功能?;ぁT谏杓乒讨?,还需要注意CS脚外部电阻(R10)的取值:R10阻值固定为4档,分别是150Ω,330Ω,620Ω以及1000Ω。R10的取值大小决定了负载大小变化时,MOS管开关过程中的第一个固定跳变CTRL脚的电压大小,R10取值越大,第一个谷底跳变时的负载就越大。我们推荐使用150Ω或者330Ω电阻,在拥有较好THD表现的同时,也有较好的效率表现。
LLC部分使用安森美的最新LLC结构控制芯片NCL0159,SOIC-16封装。作为电流型控制的LLC控制器,拥有快速的反馈环反应速度,具有优秀的动态响应表现。NCL30159内置高压启动脚HV脚,可以耐受最大720V的启动电压。PFCFB脚内部内置1V电压基准,检测PFC部分电压,用于设置LLC电路的启动电压点。SKIP脚内置20uA恒流源,外置对地电阻产生电压与FB电压比较,用于设置NCL30159进入SKIP模式的负载点。LLCCS脚内置2.72V(版本不同会有差异)基准,通过外部电容分压(C15,C16以及R30)检测谐振电容上电压,用于实现原边谐振腔电流大小检测以及OCP?;?。PFCMODE脚为电压输出端,当VCC电压高于Vcc_on之后,PFCMODE会有一个稳定的电压输出(正常工作状态时为12V左右)。该电压可以用于给PFC部分控制器VCC脚供电。
反馈环路电路使用onsemi新发布的芯片产品NCL38046。该产品SO-8封装,内部集成CC/CV反馈功能,并且内置PWM调光和模拟调光功能,极大简化了LED照明电源副边反馈线路。
3.优化打嗝工作模式,更低负载进入打嗝模式:
4.优秀的调光精度和效率表现:
5.优秀的PF值和THD表现:
方案应用总结:
作为在市场经过验证的PFC和LLC控制器,NCL2801、NCP1399和NCP13992以其优秀的表现赢得了非常多电源工程师的认可和青睐。在此基础上,NCL30159增加了原边恒流功能,高压启动脚耐压提升到720V,并且优化了轻载时候的打嗝工作模式,使得NCL30159在功能上更加完善,并且极大改善了轻载时候打嗝模式不易调试的痛点。
免责声明:本文为转载文章,转载此文目的在于传递更多信息,版权归原作者所有。本文所用视频、图片、文字如涉及作品版权问题,请联系小编进行处理。
推荐阅读:
取舍之道贵在权衡,ADI两大高性能电源技术诠释如何破局多维度性能挑战
意法半导体扩大STM32Cube开发环境,简化单核MPU裸机软件开发





