【导读】在现在使用的MOS和IGBT等开关电源应用中,所需要面对一个常见的问题 — 米勒效应,本文将主要介绍MOS管在开通过程中米勒效应的成因、表现、危害及应对方法。
在现在使用的MOS和IGBT等开关电源应用中,所需要面对一个常见的问题 — 米勒效应,本文将主要介绍MOS管在开通过程中米勒效应的成因、表现、危害及应对方法。
米勒效应的成因
在讲这个之前需要先回顾下MOS的开通过程。

图一
从t1开始时刻,Vgs开始上升的时候,Vds和Id保持不变,这个过程中驱动电流ig为Cgs充电,Vgs上升。一直到t1结束,Vgs上升到Vg(th),也就是门极开启电压时候。在整个t1时间,MOS处于截止区。
从t2时刻开始,MOS就开始导通了,标志就是Id开始上升。电流从原来的电感出来流经二极管,现在开始要慢慢的向MOS换流。所以MOS的漏极电流Id在逐渐上升,二极管的电流在逐渐减小,但是电流之和始终等于电感电流,在开关开通的这个过程中可以认为电感电流是没有变化的。这个时间段内驱动电流仍然是为Cgs充电。在t2这段时间里,Id只是在线性上升,到t2结束时刻,Id上升到电感电流,换流结束。在电感电流上升的这个过程中Vds会稍微有一些下降,这是因为下降的di/dt在杂散电感上面形成一些压降,所以侧到的Vds会有一些下降。从t2开始时刻,MOS进入了饱和区。
在Id上升至最大(t2结束),即刻就进入了米勒平台时期。米勒平台就是Vgs在一段时间几乎维持不动的一个平台。前面说了,从t2开始时刻,MOS进入了饱和区,在饱和有转移特性:Id=Vgs*Gm。其中Gm是跨导。那么可以看出,只要Id不变Vgs就不变。Id在上升到最大值以后,也就是MOS和二极管换流结束后,Id就等于电感电流了,而此时又处于饱和区,所以Vgs就会维持不变,也就是维持米勒平台的电压。
从t2结束驱动的电流ig为Cgd充电(从另一个方向来说,可以叫放电),然后Vds就开始下降了。由于超级结在开通伊始的纵向扩散,比较小的GD电容,所以Vds一开始下降的比较快,纵向扩散完成后,变成横向扩散,GD电容变大,所以Vds下降的斜率变缓。那么米勒平台什么时候结束呢?米勒平台要想结束,必须进入线性区,不然继续在饱和区待下去,就会被和Id“绑”在一起,所以当MOS进入线性区之后,米勒平台结束。根据MOS的特性曲线,在Vds下降到等于此时的Vgs-Vg(th)这个值的时候,MOS进入线性区(t4开始时刻)。此时Vds的大小会由Rds*Id决定,驱动电流开始继续为Cgs和Cgd充电。而Vgs也开始恢复继续上升,MOS基本导通。
下面来详细说明下米勒平台形成的过程。

图二
在t2开始的时刻,处在饱和区的MOS转移特性公式,真实为Ich=Vgs*Gm,Ich为沟道电流,即上图中DS之间的电流。于是当驱动电流为Cgs充一点电,Vgs增加Δvgs,那么Ich增加Δich,而Ich增加的部分只能由Cds放电提供,(因为从电路中的来的那部分电流已经固定),于是Cds放电为Ich提供增加的电流。于是Vds就下降,也就是Vgd会下降,那么Δigd=Cgd*ΔVgd/Δt,igd就会增加,然后igs就会下降,所以Vgs就不能增加,只能这样动态的维持在米勒平台附近??梢钥闯稣馐且桓龈悍蠢〉墓?。所以Cgd也叫反馈电容。
2. 米勒电容在MOS开通过程中带来的问题
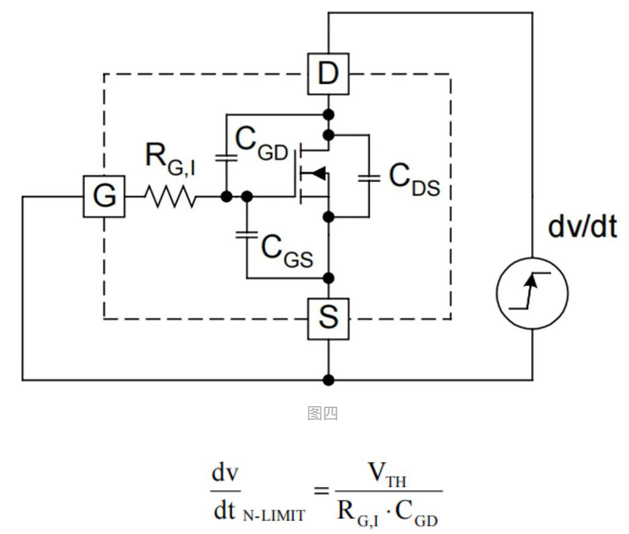
1. dv/dt 限制
当MOS管 DS两端电压迅速上升的时,通过Cgd所产生电流在MOS管GS两端寄生电阻上产生的压降大于开启电压时,会使MOS打开。所以在使用前需要根据实际情况计算相关参数,以保证在各类工况下都不出来MOS误打开的情况。这里面又分三种情况:
(1)可以看到通过Cgs和Cgd两个电容分压可得到GS两端电压

图三

在低压应用中一般由这个等式即可判定MOS是否会存在误打开的动作
(2)高压应用中还需要确定MOS的本身dv/dt 极限。这一特性对应于在外部驱动阻抗为零的理想情况下,设备在不开机的情况下所能承受的最大dv/dt。

这个公式所计算得到的结果在评估MOS在特定应用中的适应性很重要。
(3)实际应用中,还需要考虑驱动的寄生电阻及所外加的驱动电阻。

需要注意的是MOS管的开启电压是一个与温度正相关的参数,在计算上述公式时要考虑到开启电压随温度的偏移量。
2. 米勒振荡
我们知道,MOS管的输入与输出是相位相反,恰好180度,也就是等效于一个反相器,也可以理解为一个反相工作的运放,所以当输入电阻较大时,开关速度比较缓慢,图二中Cgd这颗积分电容影响不明显,但是当开关速度比较高,而且VDD供电电压比较高,比如310V下,通过Cgd的电流比较大,强的积分很容易引起振荡,这个振荡叫米勒振荡。
如下图中蓝色线

图六
因为MOS管的反馈引入了电容,当这个电容足够大,并且前段信号变化快,后端供电电压高,三者结合起来,就会引起积分过充振荡,要想解决解决这个米勒振荡,在频率和电压不变的情况下,一般可以提高MOS管的驱动电阻,减缓开关的边沿速度,其次比较有效的方式是增加Cgs电容。在条件允许的情况下,可以在Cds之间并上低内阻抗冲击的小电容,或者用RC电路来做吸收电路。
一般Si MOS的Vgs电压工作范围为正负20V,超过这个电压,栅极容易被击穿,所以在米勒振荡严重的场合,需要加限压的稳压二极管。但更严重的问题来自米勒振荡容易引起MOS管的二次开关或多次开关引起的MOS损耗加剧,最终可能烧毁。
3. 米勒振荡的应对
减缓驱动强度

a. 提高MOS管G极的输入串联电阻,一般该电阻阻值在1~100欧姆之间,具体值看MOS管的特性和工作频率,阻值越大,开关速度越缓。
b. 在MOS管GS之间并联瓷片电容,一般容量在1nF~10nF附近,看实际需求。调节电阻电容值,提高电阻和电容,降低充放电时间,减缓开关的边沿速度,这个方式特别适合于硬开关电路,消除硬开关引起的振荡,但是这两种措施都会引起MOS损耗的上升,取值需要结合实际电路应用。
2. 加强关闭能力
a. 差异化充放电速度,采用二极管加速放电速度

b. 当第一种方案不足时,关闭时直接把GS短路

米勒振荡还有可能是MOS源极对地寄生电感偏大,在MOS进入开启状态从二极管换流至MOS的瞬态电流在MOS源极对地的寄生电感上产生一个压降,所以在PCB布板的要遵守开关电源布板的基本要求。
(来源:Arrow Solution)
免责声明:本文为转载文章,转载此文目的在于传递更多信息,版权归原作者所有。本文所用视频、图片、文字如涉及作品版权问题,请联系小编进行处理。
推荐阅读:



