桃花源qm花论坛(品茶),凤楼阁论坛官网入口网址,一品楼品凤楼论坛最新动态,风楼阁全国信息2024登录入口

你的位置:首页 > 传感技术 > 正文

测量电池管理系统中的多个温度,并节省电力

发布时间:2023-02-10 责任编辑:lina

【导读】至关重要的是,锂离子电池组必须具有良好的电池管理系统,用于监测许多电池电压和电池温度。如果没有这种监控,热失控会导致电池爆炸。该设计理念提出了一种低功率电路,可测量多达12个热敏电阻的温度。它为多路复用器供电和配置,并将多路复用器置于关断状态,以便在不测量温度时节省功耗。


至关重要的是,锂离子电池组必须具有良好的电池管理系统,用于监测许多电池电压和电池温度。如果没有这种监控,热失控会导致电池爆炸。该设计理念提出了一种低功率电路,可测量多达12个热敏电阻的温度。它为多路复用器供电和配置,并将多路复用器置于关断状态,以便在不测量温度时节省功耗。


高压、多节、串联电池可用于电动汽车、混合动力电动汽车、电动自行车、电动工具和许多其他设备。由于其高能量密度,锂离子电池在这些应用中很受欢迎。至关重要的是,这些高能电池组具有良好的电池管理系统,用于监控许多电池电压和电池温度。如果没有这种监控,热失控会导致电池爆炸。

目前用于电池组的数据采集IC测量多个电池电压(通常为12个),但它们最多只能扫描和测量两个温度。该设计理念提出了一种低功率电路,可测量多达12个热敏电阻的温度。它为多路复用器供电,并将多路复用器置于关断状态,以便在不测量温度时节省功耗。

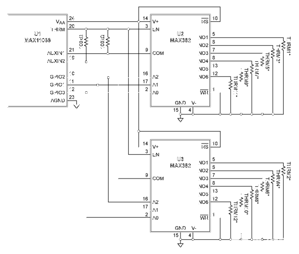
图1所示的低功耗电路扫描并测量电池中所有电池的温度。两个MAX382多路复用器将12个热敏电阻切换到数据采集IC(如MAX11068或MAX17830)的两个辅助输入端,一次两个热敏电阻,分为六对。数据采集IC为热敏电阻提供偏置,同时为多路复用器供电并控制其开关和使能/禁用功能。


测量电池管理系统中的多个温度,并节省电力
图1.两个MAX382多路复用器使该数据采集IC能够监测更多的温度。这里,一个与热敏电阻并联的100pF电容用于滤除噪声。


热敏电阻偏置于数据采集IC的热电源输出(THRM)。此配置可节省功耗,因为当禁用辅助输入进行扫描时,内部开关会禁用 THRM。请注意,当不需要测量外部温度检测设备时,应禁用(不扫描)这些辅助输入。将 THRM 连接到多路复用器使能输入可在不需要温度测量时将多路复用器置于关断模式,从而节省额外功耗。当辅助输入未被扫描时,两个多路复用器仅从V吸收0.56μA机 管 局.THRM 仅在扫描辅助输入时的短暂间隔内(即需要温度测量时)启用多路复用器。数据采集IC的GPIO端口在12个热敏电阻之间切换辅助输入。


THRM、AUXIN1 和 AUXIN2 波形的示波器(图 2)显示,THRM 仅在最大采集时间 (~700μs) 下启用。此最长时间在此处仅用于说明。采集的实际建立时间可通过软件编程,应确定,以便AUXIN_电容有足够的时间建立。


测量电池管理系统中的多个温度,并节省电力
图2.此示波器照片显示,仅当系统启动输入通道扫描时,才会启用 THRM、AUXIN1 和 AUXIN2。


使用图1所示电路和伪代码(表2),在不同温度下读取ADC的输出。表1比较了带和不带多路复用器的数据采集IC的输出,并以百分比表示误差。误差 (%) = [(带多路复用器的 ADC 输出)-(不带多路复用器的 ADC 输出)]/4096 × 100(其中 4096 是以十进制表示的满量程 ADC 值)。多路复用器的导通电阻会导致误差。为了最小化导通电阻,使用了电阻相对较高(在较高温度下)的热敏电阻(村田热敏电阻100kΩ、NXFT15WF104FA2B050)。


测量电池管理系统中的多个温度,并节省电力


测量电池管理系统中的多个温度,并节省电力


免责声明:本文为转载文章,转载此文目的在于传递更多信息,版权归原作者所有。本文所用视频、图片、文字如涉及作品版权问题,请联系小编进行处理。


推荐阅读:

面向下一代商用电动汽车的高级充电解决方案

关于微控制器平台迁移的工程师指南

ADC/DAC精度计算器教程

堆叠LED可实现完全身临其境的虚拟现实显示

聚力榕城 冠冕福州 2023中国(福州)工业博览会


特别推荐
技术文章更多>>
技术白皮书下载更多>>
热门搜索

关闭

?

关闭