【导读】螺线管既可作为换能器,也可用作继电器,是一种广泛应用的综合性机电元件,如今已在大多数汽车中用来调整液压油流过自动变速器的流量,或用于操纵为启动发动机供能的大电流开关。本文中讨论螺线管的内部架构,概述控制螺线管装置的应用电路,并系统介绍了节电型驱动器的设计要领。
摘要
螺线管既可作为换能器,也可用作继电器,是一种广泛应用的综合性机电元件,如今已在大多数汽车中用来调整液压油流过自动变速器的流量,或用于操纵为启动发动机供能的大电流开关。本文中讨论螺线管的内部架构,概述控制螺线管装置的应用电路,并系统介绍了节电型驱动器的设计要领。
螺线管电磁阀是一种机电执行器,其称为活塞的磁芯可在电磁阀内自由移动。一般来说,螺线管由一个螺旋形线圈和一个由铁制成的移动铁芯活塞组成。
当电流通过螺线管线圈时,螺线管内会产生磁场。该磁场产生一个力,将活塞拉入。当磁场产生足够的力来拉动活塞时,活塞会在电磁阀内移动,直至到达机械停止位置。当活塞移入电磁阀内后,磁场仅需产生将活塞固定到位的力。当电磁阀线圈中的电流消失时,活塞将在螺线管电磁阀中弹簧的推动下,返回其原始位置。图1所示为螺线管架构。

图1:螺线管架构示意图。
驱动电磁阀的最常见方法是在电磁阀线圈中施加所需电压。这通??梢岳门渲迷诟卟嗷虻筒嗟牡ジ龉β示骞芾词迪帧S捎诼菹吖芟呷Φ牡绺泻艽?,功率晶体管需要一个飞轮二极管与螺线管并联,以便将电流推入晶体管。尽管这种方法简单且成本低,但功率效率太低。这是因为螺线管电磁阀通常需要很大电流才能将活塞拉入,但当活塞被拉入后,就不再需要这么大的电流。在简单的驱动器方法中,当活塞被拉入并使活塞处于保持状态时,施加在螺线管电磁阀上的电流功率,主要通过其内阻产生热量而耗散掉了。内部螺线管电阻中耗散功率可由欧姆定律公式给出。
解决此问题的另一种方法,是利用电流调节驱动器来激活和关闭电磁阀。该驱动器可以在螺线管电磁阀中施加一个峰值电流,拉入活塞,然后,再把电流降低到活塞保持所需大小。此策略大大降低了螺线管内阻功耗。这种驱动器的另一个优点是,可以在较大的电压范围内利用螺线管电磁阀。这意味着驱动器允许螺线管原设计用于较低电压(例如5V)的电磁阀,在较高电源电压(比如12V电源)条件下工作亦不会损坏。
以下将介绍如何利用SLG47105 HVPAK器件,来实现用于两个电磁阀的电流调节驱动器。
GreenPAK设计概念
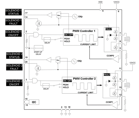
利用单个SLG47105器件可以同时驱动两个不同的电磁阀。SLG47105器件将控制通过螺线管电磁阀的电流,并将每个电磁阀的状态(打开、关闭或故障状态)通知用户。图2显示了其内部架构的概念框图。

图2:利用SLG47105实现的节能型螺线管电磁阀驱动器框图。资料来源:瑞萨
图的右上角为高压输出(HVOUT)区块的内部配置及其与外部电磁阀的连接。连接到Pin7的输出配置为推挽式,连接到Pin8的输出配置成开路漏极。开路漏极输出在启动延迟后始终保持开启。Pin5内部连接到Pin8的N-Mosfet和内部电流放大器。Pin5用于测量螺线管电磁阀电流,将其与内部基准进行比较,并将比较结果发送到PWM控制器1。
PWM控制器1??樯伤璧腜WM信号,调节连接到Pin7和Pin8的螺线管电流。它有两个设定点,一个是螺线管峰值电流,另一个是螺线管保持电流。PWM控制器的开/关输入由其左侧的AND端口激活。AND端口连接至启动延迟和Pin2,用作打开和关闭螺线管电磁阀的外部接口。
连接到AND端口的启动延迟模块用于确保所有内部??樵贗C通电时能够正确初始化。AND端口的输出连接到另一个延迟??椤5盤WM控制器打开时,它被配置为将螺线管电流调节在其峰值电流值上。延迟50毫秒后,延迟??榍谢籔WM配置,以将螺线管电流调节到保持电流值。
PWM控制器1??榈目?关输入也连接到多路复用器的一个输入端。另一个多路复用器输入连接到一个频率为1赫兹的方波信号上。多路复用器输出由HVOUT模块中的FAULT信号控制。当FAULT(故障)信号显示没有任何故障时,On/Off(接通/断开)输入缓冲通过Pin17,即电磁阀1状态输出。而当FAULT信号显示有故障时,方波信号在该输出端被驱动。电磁阀1状态输出用来驱动外部LED,并为用户显示螺线管电磁阀状态。该状态可以点亮、熄灭、或在处于故障状态时,LED以方波输出频率闪烁。
Pin14提供了一个附加FAULT(故障)输出作为开路漏极输出。该输出用于驱动外部设备,如微控制器。
图2中,PWM控制器1下方是PWM控制器2。PWM控制器2外围的控制架构与PWM控制器1类似。
两个FAULT(故障)输出可以与外部连接,因为它们是漏极开路输出,如果其中一路输出有问题,另一个还可为外部设备提供FAULT信号。
另一个??槭荌2C;用于峰值电流和保持电流的再配置。
应用电路
图3所示为本文使用的典型应用电路。

图3:典型应用电路的简化原理图。资料来源:瑞萨
图3所示为驱动两个不同电磁阀(标识为S1和S2)的典型应用简化示意图。如图所示,驱动器由连接到5伏电源的两个按键控制。电磁阀与一个0.1Ω的小电阻器分别连接到各自的HVOUT输出。此电阻器用于对通过电磁阀的电流进行外部测量,终端应用不需要此电阻器。对于SLG47105电流测量,两个0.11Ω的电阻器连接到Pin5和Pin12。电磁阀状态输出连接到绿色LED,故障输出连接到红色LED。
本文使用两个完全不同规格的螺线管电磁阀。表1显示了电磁阀S1和S2的主要参数。

表1:螺线管电磁阀S1和S2的参数指标。资料来源:瑞萨
螺线管电磁阀电流设置
螺线管电磁阀电流将从调节峰值电流开始,在初始延迟后,将其降低到保持电流值。我们随意定义保持电流应为额定峰值电流的20%。基于此定义,通过测量检测电阻上的电压和电流,就可以计算保持电流的耗散功率。表2中给出了每个螺线管电磁阀的理想螺线管电磁阀电流、耗散功率和检测电阻器上的电压。

表2:内部电压基准和各自的电流和耗散功率。资料来源:瑞萨
峰值电流值指的是额定电压上的螺线管电磁阀额定电流。通过将峰值电流乘以0.2(20%)来计算保持电流。根据峰值电流和保持电流,可是计算出内部螺线管电阻的耗散功率。具体方法是根据通过0.11Ω的检测电阻器的电流,再利用欧姆定律即可计算其结果。同理,利用额定螺线管电磁阀电压及其峰值电流值,可计算S2的额定线圈电阻。
需要特别注意的是,用于与SLG47105中的检测电阻电压进行比较的参考电压由内部6位DAC提供。必须利用调节电流将电压调整到与SLG47105内部参考电压最接近的值。考虑到这一点,应选择表3所示的电压参考值。表3显示了内部电压和各自的电流。由于外部电压在电路内部被放大8倍,故所有内部值都是所需检测电阻电压的8倍。利用欧姆定律计算通过检测电阻器的峰值和保持电流值。

表3:内部电压基准和各自的电流和耗散功率。资料来源:瑞萨
注意,表3中标有(*)的值是在计算中得到的,不过,这些值似乎是不太可能的,故不代表实际情况。对于S2,峰值电流不需要电流调节,因为螺线管电磁阀的内阻会限制电流??悸堑秸庖坏悖龆ń慰贾瞪柚梦畲蟮缌髦?。
免责声明:本文为转载文章,转载此文目的在于传递更多信息,版权归原作者所有。本文所用视频、图片、文字如涉及作品版权问题,请联系小编进行处理。
推荐阅读:





