【导读】在CAN、RS-485等总线应用中,一般建议使用屏蔽双绞线进行组网、布线,从而减少外界干扰对总线通信的影响。对此很多工程师知其然,却不知其所以然。秉承着寻根究底的态度,本文将简单地介绍一下双绞线抗干扰的原理。
1差分信号传输
CAN、RS-485接口采用的是差分信号传输方式。差分信号传输是一种使用两个互补电信号进行信息传递的方法。以高速CAN为例,不同的逻辑状态通过CANH、CANL两根信号线进行传输,接收电路只对两根信号线的信号差值进行识别。理想状态下,CAN总线的波形如图1所示。

图1
干扰信号一般以共模的形式存在,当总线受到干扰时,两根总线会同时受影响,但其差分电压并不会受影响,如图2所示。相对于单端信号传输方式来说,差分信号传输方式具有更好的抗干扰能力。

图2
当然,采用了差分传输方式也并不可以高枕无忧。CAN、RS-485总线经常用于远距离通信,线缆长度的增加,各种干扰通过线缆耦合到总线上,极大地增加了外界对总线通信干扰的概率,如果线缆选用及使用不当,极有可能造成通信异常。对于CAN、RS-485等总线应用,一般我们会推荐使用双绞线。
2噪声的耦合机理
要了解双绞线的优点,需要先理解干扰是如何影响到有用信号的。干扰(噪声)一般通过耦合的方式对系统进行影响,常见的耦合机制有4种,分别是传导耦合、电容耦合、电感(感应)耦合以及辐射耦合。
干扰源与受干扰电路具有电气连接,如共地,干扰源的电流流动使公共部分形成电流并产生干扰电压,从而对受干扰电路的信号造成影响,这种方式为传导耦合。图3为传导耦合示意图,Es是信号源,Zs是信号源内阻,Zc是公共部分阻抗,Zl是负载阻抗,En为干扰源,Vl为负载电压。干扰源En产生的电流流过Zc,在Zc上产生压降,导致Vl电压变化,由此影响负载侧的信号。

图3
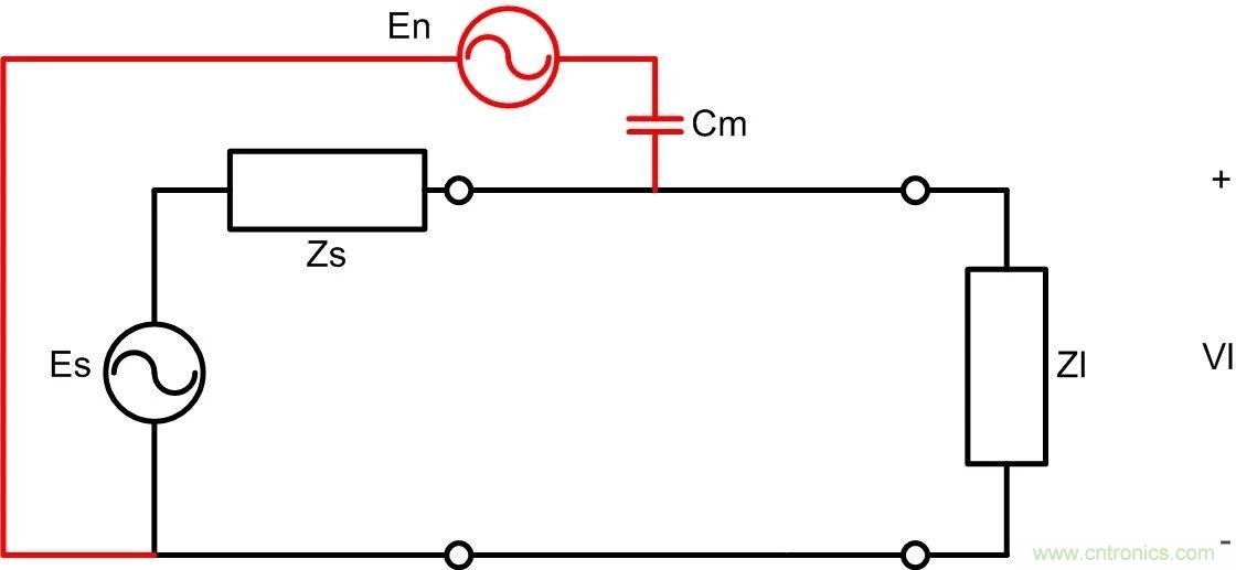
电容耦合出现在两个邻近导体存在变化的电场时,干扰电流通过导体间的耦合电容流入受干扰电路。由于耦合电容一般很小,其阻抗很大,故干扰源对于受干扰电路可看作一个恒定电流源,信号电路的阻抗较大时,影响特别明显。图4为电容耦合示意图,Es是信号源,Zs是信号源内阻,Cm是耦合电容,Zl是负载阻抗,En为干扰源,Vl为负载电压。干扰电流通过Cm流入Zl,对Vl造成影响。

图4
电感(感应)耦合出现在两个平行导体之间存在变化的磁场时。干扰源电流流过导体产生磁通,磁通在受干扰电路导体中形成感应电动势,从而影响受干扰信号。在这种情况下,噪声可以看作一个恒定电压源,因此在低阻抗电路中噪声影响变大。图5是感应耦合的示意图,Es是信号源,Zs是信号源内阻,Lm是互感,Zl是负载阻抗,En为干扰源,Vl为负载电压。干扰源En电流流过互感Lm,在受干扰电路形成电压,对Vl造成影响。

图5
辐射耦合出现在干扰源与受干扰器件距离较远的情况,干扰源及受干扰器件均作为无线天线,干扰源发送出干扰电磁波,而被受干扰器件接收。
3双绞线的优点
双绞线由两根相互绝缘的导线相互缠绕而成,特别适合差分信号传输场合,与平行线相比,可以更有效地抑制干扰。
1、消除电容耦合
相对于平行对线,双绞线每根单线对干扰源或地的耦合电容值更加接近,阻抗更加平衡,如图6所示。

图6
由于双绞线紧密缠绕在一起,两根线与噪声源之间的耦合电容、与大地之间的阻抗基本一致。噪声源流入到两根信号线的干扰电流基本相同,两根信号线的差值不变,耦合电容的电流转化为共模干扰。如图7,耦合电容C1=C2,Z1=Z2,干扰源流入C1,C2的电流相等,即1、2两个根线产生的电压相等,Vn=0。由于差分信号传输方式具有良好的共模抑制能力,因此可以消除电容耦合的影响。

图7
2、消除电感(感应)耦合
若使用平行线,两根信号线会形成一个很窄的环路,这个环路会拾取环境中的磁场干扰。双绞线的结构是以固定的间距扭转传输线的两个导体,使得由磁场引起的电动势方向在每个相邻的“小环路”处反转,因此可以顺序地抵消。从电路上看,每个相邻“小环路”处的互感对噪声源来说是一正一负的,导线整体互感变为零。如图8所示,平行线受到外界磁场干扰时,两根导线的感应电流无法抵消,会产生较大的感应电压,影响信号传输。而双绞线的结构使导线的感应电流相互抵消,不会产生感应电压。

图8
3、减少对外干扰
用于差分信号传输时,双绞线两根线的电流大小相等,方向相反。如图9,理想状态下,双绞线两线组成的每两个相邻的“小环路”所形成的磁场方向相反,大小相等,可以相互抵消,故双绞线对外的电磁干扰比平行线缆要小。

图9
4总结
在差分传输应用中,双绞线不仅可以降低自身对外界的干扰,同时可以消除与外界干扰源的电容耦合和感应耦合,具有一石二鸟的作用,因此双绞线在诸如CAN、RS-485等差分信号传输的应用中得到了广泛使用。
上文均是基于理想的双绞线进行分析,但实际的双绞线由于制作时绞合程度、绞合的偏差、线缆本身的寄生参数差异等,并不理想,所以在实际应用中,双绞线对噪声抑制能力会减弱。
由于双绞线的结构并不能消除传导耦合以及辐射耦合的干扰,在一些干扰严重的场合,仍需要配合隔离技术和屏蔽技术以提高系统的抗干扰性能。隔离技术可以有效抑制传导耦合形成的共模干扰,而屏蔽技术可以有效抑制辐射干扰。
在干扰严重的场合,选用隔离收发器,并配合屏蔽双绞线使用,会为CAN、RS-485应用提供良好的抗干扰性能,保障通信的可靠性。
推荐阅读:




