【导读】SPI是一种非常有用且灵活的标准,但它的灵活性来源于它的简洁。四个单向中等速度隔离通道将处理时钟速率为数MHz的SPI。而设计人员放弃的是诸如中断服务支持等功能,以及诸如复位功能或从非SPI支持报警功能等直接通信通道。其结果是,频繁使用SPI的接口具有并行工作的额外GPIO线路,以便处理这些功能。隔离SPI时,所有这些线路也都需要隔离。
很多情况下,额外通信不需要高速,因此设计人员便从认证器件列表上选用几个光耦合器,而不再使用SPI所需的高速数字隔离器。但是,光耦合器不如数字隔离器那么容易设计,尤其是简单的低速光耦合器。设计师也许需要上一堂“光耦合器电流传输比(CTR)如何随时间和温度变化而变,以及它如何影响应用速度”的速成课。如果多个方向需要额外的通信,那么就需要使用多个封装,因为如果光耦合器是一个多通道器件,则其通道就必须沿同一个方向传输数据。随着设计的逐步展开,尺寸、成本和时间投入便会快速增加。
使用基于iCoupler?数字隔离器的隔离SPI
使用四通道高速数字或光学隔离可轻松隔离SPI总线。四通道数字隔离器能以紧凑的尺寸实现隔离,且通常支持5 MHz至10 MHz SPI时钟速率。无论基于集成式微变压器、电容或光耦合器,都需要跨越隔离栅传输信号。在电流隔离技术中,有两种主要的编码方案可以耦合输入信号:边沿编码和电平编码。电平编码方案允许采用传播延迟较低的隔离器,并且一般而言空闲时的功耗更高,时序性能(抖动和PWM)较差。另一方面,边沿编码方案功耗较低,且时序性能较好。然而,很多基于边沿的部署具有较长的传播延迟,从而限制了SPI总线的时钟速度。我们将探索消除这种限制以及实现极高性能SPI总线隔离的技巧。
在边沿编码方案中,输入数字转换跨越隔离栅进行编码。然后,通过解码这些转换信号,在输出端再现数字输入。图1中的示例波形(A类)显示如何对输入边沿进行差分编码。上升和下降输入转换分别编码为窄正脉冲和负脉冲。
只要数字输入正在切换,信号就会正常传输,但如果发生输入至输出直流电平失配,则失配会一直存在,除非对其进行校正。这在数据通道空闲时上电最为明显;无信号跨越隔离栅进行输入引脚直流状态通信,且边沿传输前启动状态可能不匹配输入数据。为了解决这个问题,边沿编码方案采用了某种形式的“刷新”电路,确保在输出端进行直流校正。在输入静止的预设时间(TREFRESH)之后,通过周期性跨越隔离栅传输最后一次转换可实现刷新。图1还显示了示例边沿编码方案中的刷新(B类波形)。

图1. 跨越隔离栅的编码波形示例。A类和B类分别为带与不带刷新信号的编码波形。
在该波形上,哪怕输入信号未在上升沿和下降沿之间转换,多个编码上升转换也会跨越隔离栅传输,以便刷新接收器状态并确保接收器处于高电平状态。显然,除了确保上电时具有正确的输出状态,刷新电路还有助于校正输出状态(若输出遭破坏并与输入状态不同步)。由于编码数据持续传输,该方案产生空闲功耗。由于在边沿编码方案中要求刷新,了解该方案固有的时序影响很重要。从图1中的波形可知,输入转换和刷新信号均通过同样的隔离通道传输,但时间独立。输入信号完全异步于内部刷新生成电路,因而刷新上一次转换传输的同时可能发生输入转换。这可能会在接收器端损害时序,导致逻辑错误。为了避免这种时序冲突错误,会要求刷新电路的信号路径增加一定的“预判”延迟。
该延迟可确保跨越隔离栅的编码信号之间具有最小隔离,从而允许接收器明确解码一切编码传输序列。缺点是随着速度的增加,这种延迟会大幅增加隔离器的传播延迟,进而限制满足SPI时序要求的能力。
幸运的是,这种限制是可以解决的。如果输入转换和刷新状态通过不同的隔离元件传输,并且随后在输出端汇合,则无需任何预判延迟,且伴随着时序性能的下降。将此构想扩展至多通道隔离器,则所有通道的刷新状态可在单个隔离通道内时间多路复用,然后解复用并与相应输出合并?;旧?,输入状态经采样、封装后,以串行方式跨越隔离栅传输。接收器持续跟踪输入直流状态,然后根据输入保持非活动的时间决定使用直流状态或是最后一次输入转换来更新输出。由于仅有一个额外的数字隔离器通道搭载全部刷新状态,因此可以释放所有输入通道的预判延迟,并使其仅搭载输入开关信息,从而大幅改善传播延迟。图2显示了这一构想。

图2. 搭载输入1和输入2刷新时间多路复用的专用第三隔离通道功能框图。
ADI SPIsolator?系列高速数字隔离器采用该方案实现SPI通道的极低传播延迟,从而实现高达17 MHz的高带宽隔离SPI总线部署。额外的隔离器通道搭载刷新信息,并通过将数据时间多路复用至跨越隔离栅来回传输的数据包中,实现传输各种其他低吞吐率信号的额外用途。这样可以实现除SPI串行数据位以外的其他通信,从而获得功能多样化且高度集成的隔离式SPI总线。
带辅助数据通道的SPI
SPIsolator产品系列中的部分型号在多路复用刷新通道上集成三个250 kbps辅助数字通道。三个不同的产品型号允许针对这些辅助通道进行多通道方向配置。哪怕辅助通道异步,它们也会在通过单隔离通道传输前进行采样和数据包封装。这些辅助通道的传播延迟变化量最高可达2.6 μs,具体取决于通道输入何时根据内部采样时钟切换。对异步辅助信号进行采样和串行化还能将其与内部采样时钟同步。如果慢信号之间具有精确的时序很重要,那么这可能导致时序问题,对于1.2 μs或更短时间窗口内的精度而言更是如此。幸运的是,典型SPI总线周围仅有极少数辅助信号之间要求具备如此精确的时序关系。更为重要的是,该低速数据系统经过仔细设计,可保留(多个异步通道的)边沿阶数——只要边沿由至少一个最小偏斜隔离(VIXSKEW)?;谎灾绻掣霰哐卦谑淙攵顺傲硪桓霰哐?,则隔离器不会反转阶数。
通用SPI接口示例

图3. 采用多种技术实现补充功能的典型SPI应用。
图3是一个典型SPI应用,该应用要求1 MHz SCLK、四线式SPI以及三个用于中断、电源良好和复位的额外信号。低速通道可能仅需40 μs传播延迟。选择这些参数,以便检查所有元器件选项。时序处于所有主要类型隔离器的能力范围内,因此可以独立于性能之外比较解决方案尺寸与成本的集成效应。以下提供部分实施选项:
1) 使用全部光耦合器
2) 针对慢信号通道的SPI和光耦合器使用数字隔离器
3) 使用全集成式数字隔离器,比如ADI SPIsolator
就原理图而言,这些解决方案大致相似。然而,如果仔细看图4的话,可以发现IC如何在PCB上布局。红框大致框出了隔离元器件所需的范围,以及允许放置无源器件的位置。
以混合速度光耦合器解决方案为基准,很多设计人员会试图将标准数字隔离器与成本极低的光耦合器组合,并以为那就是性价比最高的低速信号采样实现方法。解决方案之间很大一部分的差异是因为数字隔离器允许在单个封装内混合通道方向,避免了大量的封装开销?;旌霞际踅饩龇桨缚赡芫哂薪细叩男约郾龋钔馕松杓剖奔?,并产生稳定性问题。廉价的光耦合器速度很慢,且由于结构简单而需要细研究考量才能成功完成设计。必须非常仔细确保它们随时间和温度变化的稳定性,同时尽可能降低功耗。
从光耦合器解决方案转为完全集成式解决方案(比如ADI ADuM3152 SPIsolator的集成式解决方案内置通道间速度差和脉冲阶数反转保护功能,无设计开销、无需占用额外的电路板空间。集成式解决方案的低速通道还支持远高于单个晶体管光耦合器的数据速率。集成式解决方案的成本远低于光耦合器解决方案的一半,并且相比分立式光耦合器每通道具有更低的低速通道成本??悸堑絊PI性能,则ADuM3152数字隔离解决方案可支持高达17 MHz时钟速率的SPI,因为其传播延迟极短;而光耦合器的“快速”通道能以合理的成本在最高3 MHz频率下工作。

图4. 采用光耦合器实现补充功能的典型SPI应用。
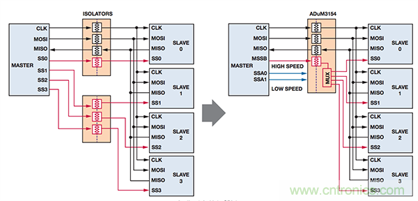
解复用SSB以控制多达4个从机
在ADuM3154产品的变体中,250 kbps、低速、双通道地址总线用来控制隔离式从机选择地址线(SSx),允许在最短2.6 μs时间内改变目标从机器件。图6中的部署使用了通用隔离器和ADuM3154。图5显示了SSx如何跟随地址位(SSAx)的改变而转换。
ADuM3154使用2位地址总线将主机-从机选择(MSS)路由至四个从机之一。这些地址总线位都是慢速信号,它们再次绑定四个常用高速SPI通道的刷新状态。 就像刷新状态,地址位经采样、封包后,以串行方式跨越隔离栅传输。在从机侧对数据包进行去串行处理,地址位用来解复用MSS。解复用器将在2.6 μs内将MSS信号路由至所需从机,具体时间取决地址总线何时相对于内部采样时钟进行切换。地址位是总线的一部分,必须互相同步。采样和串行化期间必须非常谨慎,以保证这些地址位在输出侧互相保持同步,尤其是从某个选定的从机转换至另一个从机时。

图5. 从机选择地址位SSAx选择四个从机之一(即SSx)。
多从机SPI接口示例
一个常见的SPI设计要求是与共享同一个SPI总线的多个从机器件对话。这可以通过多种方式实现。如果数据同时从所有次级端器件采样而来,并且所有数据的每一帧都传输,则最简单的方法是采用菊花链将器件连接起来,并将整个链路上的所有器件信号通过单个隔离端口顺序移出。但如果数据采集序列不固定,则每一个SPI从机都必须单独寻址。这就为隔离式接口提出了特定的挑战。
如果每一个从机都必须独立寻址,则每个器件都必须有独立的从机选择线。很多情况下,从机选择不仅选择特定目标用于SPI通信,还会发起ADC转换(举例而言),因此该条线路还必须具有高度精确的时序性能。在很多部署中,这就要求提供额外的隔离通道,并具有与时钟通道相当的速度,以保留时序。一
款四通道隔离SPI设计如图6所示;图中,标准四通道高速隔离采用三个额外的高速隔离通道予以加强。
从机选择的另一种方法如图6右半部分所示。在次级端使用一个多路复用器,而较低速度的隔离选择线可用来选择目标。必须谨慎切换多路复用控制线,以防它们在时序略为失配时跃迁至不正确的中间状态。该方案采用SPIsolator器件所提供的低速通道实现,并且由于应用定义良好,因此可以内部构建对于不确定状态的保护,防止小的时序误差造成瞬时输出状态。

图6. 典型多从机SPI应用。
在最终分析中,若无论何种技术都能达到性能要求,则最佳设计选择便出于容易部署、尺寸和成本考虑。图7显示了三种可能的部署,从左到右依次是:使用7个隔离通道的简单光耦合器、使用数字隔离器的同一款方案、使用SPIsolator集成式多路复用器功能的方案。光耦合器解决方案尺寸最大,数字隔离器尺寸是前者的72%,而SPIsolator仅占PCB尺寸面积的36%。三个解决方案的成本对比也和面积类似,SPIsolator方案的成本相比其他方案大幅降低。

图7. 采用光耦合器实现补充功能的典型SPI应用。
结论
设计高性能隔离式SPI解决方案时,SPIsolator产品系列可以通过多路复用控制通道来支持高速SPI,其传播延迟极低,且辅助功能的集成度极高。该SPI通道组合包含补充功能,具有方便的高度集成式隔离SPI总线设计,同时缩短设计时间,降低成本和电路板占位空间。
推荐阅读:




