- DisplayPort到DVI/HDMI信号转换原理
- DisplayPort到DVI/HDMI信号转换适配器方案
- 对于差分信号进行电压转换的电路
- 对于显示数据通道DDC信号的缓冲电路
- 对于显示数据通道DDC时钟和数据信号的上拉电阻
DisplayPort为新一代影像显示接口技术的规格之一,可将笔记型计算机和消费电子设备连接到显示器或者平板电视,传递高画质影像信号。迅速崛起的DisplayPort技术将可望承袭VGA与DVI接口的市场,成为PC领域的主流技术,与主导消费性电子领域的HDMI技术并驾齐驱。例如,苹果公司已经在其新款笔记本和监视器产品上面全面应用mini-DisplayPort接口。
各种接口技术的并存创造了于接口间信号传输时信号转换适配的需求,包括DisplayPort到DVI信号转换适配器,DisplayPort到HDMI信号转换适配器,DisplayPort到VGA信号转换适配器。DisplayPort到DVI或HDMI信号转换适配器让配备DisplayPort的笔记本计算机与显示器和平板电视之间拥有高度灵活性、稳定、具成本效益的DVI或HDMI讯号连结,并可完全满足终端客户对高质量影像的需求。
DisplayPort到DVI/HDMI信号转换原理
由于在DisplayPort推出之际,HDMI和DVI已经存在,所以DisplayPort源设备必须与现有的HDMI和DVISink设备能够互操作。为满足这个要求,实际上所有的DisplayPort数据源设备都是“双模”设备,即同时支持DisplayPort(直接连接),并通过一个便宜的线缆适配器(“dongle”)来支持DVI/HDMI。
这将允许台式或笔记本电脑只需迁移到一个输出连接器类型,同时仍然支持老式显示器或数字电视连接。在DisplayPort数据源设备的半导体器件中增加HDMI功能,系统成本增加并不大。由于电气接口是共享的,因此没有增加额外的硬件成本。
对于DisplayPort的双模设备,需要在DisplayPort接口部分标识一个图标(如图1所示),表示本设备不但只支持DisplayPort,还支持DVI1.0或者HDMI。在这个图标中,“++”标识和DisplayPort标识表明了本设备支持双模信号的能力。

图1.DisplayPort双模设备的标志
DisplayPort是VideoElectronicsStandardsAssociation(VESA)的商标
DP++:Dual-ModeDisplayPort
TMDS:Transition-MinimizedDifferentialSignaling
DVI(DigitalVisualInteRFace)是DigitalDisplayWorkingGroup(DDWG)的商标
HDMI(HighDefinitionMultimediaInterface)是HDMILicensing,LLC的商标

图2.DisplayPort到DVI/HDMI适配器
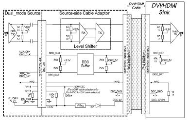
线缆适配器设置在DisplayPort数据源端,如图2所示。DisplayPort数据源端的线缆适配器(下简称源端适配器)的内部结构和工作原理如图3所示。

图3.源端适配器的内部结构和工作原理
[page]
源端适配器应该包含以下电气特性:
1).对于差分信号进行电压转换的电路;
2).对于显示数据通道DDC信号的缓冲电路;
3).对于显示数据通道DDC时钟和数据信号的上拉电阻;
4).对于DisplayPort接口的13脚信号的上拉电阻,用于线缆适配器检测;
5).对于DisplayPort接口的14脚信号的上拉电阻,用于HDMI线缆适配器检测(仅用于HDMI适配器);
6).升压转换器从源端DP_PWR3.3V电压来产生DDC_5V(如果Vbias_RX不是3.3V,需要产生Vbias_RX所需要的电压);
7).1个DisplayPort1.1连接器;
8).1个DVI1.0或HDMI(A类或C类)插座连接器;
说明1:电压转换器的终端偏置电压Vbias_Rx并不一定是+3.3V。如果Vbias_Rx不是+3.3V,适配器必须自己生成Vbias_Rx所需要的电压。
说明2:在接口14管脚上的26kΩ上拉电阻只是针对HDMI信号的适配器才需要的。对于DVI信号适配器,接口14管脚需要悬空。支持HDMI模式的双模源端设备在14管脚上设置有超过5MΩ的下拉电阻,用于识别适配器中的上拉电阻。需要说明的是,作为CEC协议的一部分,HDMI设备可能会将14管脚电压拉低。
当一个源端适配器被双模源端设备检测到后,双模设备会自动重配置DisplayPort接口的管脚定义,以适应DVI/HDMI信号模式,管脚的映射关系如表1所示。
表1.双模设备中DisplayPort和DVI/HDMI的映射关系

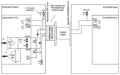
对于一个双模源端设备而言,监视接口13管脚上的电压值是可选的。通常情况下,双模源端设备会先尝试进行AUXCH读操作。如果读操作失败,该双模源端设备会进行DDC读写操作,用于检测适配器是否连接。
对于DDC信号,双模源端设备必须隔离AUXCH信号线上的耦合电容和DDC信号线。图4给出了信号隔离的方法。

图4.DDC和AUXCH信号连接
对于DP_PWR电压,双模源端设备必须将该电压控制在+3.3V+/-10%范围内。适配器将通过DP_PWR电压对应生成DDC_5V电压信号,如图3所示。
DisplayPort到DVI/HDMI信号转换适配器方案
意法半导体公司针对DisplayPort接口,推出了支持DVI与HDMI的电压转换产品STHDLS101。应用STHDLS101芯片的适配器将DisplayPort双模设备的输入信号转换成为TMDS信号输出。它内置的电平转换器支持DVI1.0和HDMI1.3的信号电平标准。STHDLS101支持的最大数据速率达到每通道2.7Gbps,足够支持显示分辨率1080P(12-比特每通道),兼容HDMI1.3标准。[page]

图5.STHDLS101芯片的功能框图

图6.STHDLS101芯片的应用框图

图7.STHDLS101芯片的内部框图
STHDLS101的主要功能特性:
■将高速,低摆幅,四通道差分输入信号转换至高清多媒体(HDMI)信号
■数据速率:每通道2.7Gbps
■内置50欧姆输入匹配电阻
■使能/去使能控制TMDS信号输出以进入低功耗状态
■TMDS输出信号斜率控制以降低EMI干扰
■透明的工作模式:无需配置和重新定时
■通道间信号偏差小于250ps
■通道内信号偏差小于10ps
■为显示数据通道(DDC)端口提供5V至3.3V的双向电平转换
■为HDMI/DVI接口上热拔插端口(HPD)提供5V至3.3V电平转换
■集成有HPD_SINK和OE_N信号线的下拉电阻
■3.3V电压供电
■大于±6千伏的静电?;つ芰Γ℉BM)




