桃花源qm花论坛(品茶),凤楼阁论坛官网入口网址,一品楼品凤楼论坛最新动态,风楼阁全国信息2024登录入口

你的位置:首页 > 电源管理 > 正文

为什么使用DC-DC转换器应尽可能靠近负载的负载点电源?

发布时间:2021-09-02 来源:Atsuhiko Furukawa 责任编辑:wenwei

【导读】接近电源。这是提高电源轨的电压精度、效率和动态响应的最佳方法之一。负载点转换器是一种电源DC-DC转换器,放置在尽可能靠近负载的位置,以接近电源。因POL转换器受益的应用包括高性能CPU、SoC和FPGA——它们对功率级的要求都越来越高。例如,在汽车应用中,高级驾驶员辅助系统(ADAS)——例如雷达、激光雷达和视觉系统——中使用的传感器数量在稳步倍增,导致需要更快的数据处理(更多功耗)以最小的延迟检测和跟踪周围的物体。
 
问题:
 
为什么使用DC-DC转换器应尽可能靠近负载的负载点(POL)电源?
 
答案:
 
效率和精度是两大优势,但实现POL转换需要特别注意稳压器设计。
 
接近电源。这是提高电源轨的电压精度、效率和动态响应的最佳方法之一。负载点转换器是一种电源DC-DC转换器,放置在尽可能靠近负载的位置,以接近电源。因POL转换器受益的应用包括高性能CPU、SoC和FPGA——它们对功率级的要求都越来越高。例如,在汽车应用中,高级驾驶员辅助系统(ADAS)——例如雷达、激光雷达和视觉系统——中使用的传感器数量在稳步倍增,导致需要更快的数据处理(更多功耗)以最小的延迟检测和跟踪周围的物体。
 
在这些数字系统中,有很多都使用高电流和低电压,因此更需要尽可能缩短电源和负载之间的距离。高电流导致的一个明显问题是,从转换器到负载,线路产生的电压会不断下降。图1和图2显示了电源和负载之间引线电阻的最小化如何使转换器的输出电压降最小化——本例中是控制器IC和为CPU供电的MOSFET。
 
为什么使用DC-DC转换器应尽可能靠近负载的负载点(POL)电源?
图1.PCB走线较窄情况下的DC-DC输出电压降
 
为什么使用DC-DC转换器应尽可能靠近负载的负载点(POL)电源?
图2.PCB走线较宽情况下的DC-DC输出电压降
 
图2所示的较宽PCB走线减小了压降以达到精度要求,但还必须考虑寄生电感。图2中的PCB走线长度估计有约14.1 nh的电感,如图3的LTspice®模型所示。
 
为什么使用DC-DC转换器应尽可能靠近负载的负载点(POL)电源?
图3.PCB走线电感的LTspice模型
 
电感会抑制电流的动态变化di/dt,当负载变化时,经过该寄生电感的电流受其时间常数限制,瞬态响应劣化。寄生电感导致的结果是电压下降,如图4中的仿真图所示。
 
为什么使用DC-DC转换器应尽可能靠近负载的负载点(POL)电源?
为什么使用DC-DC转换器应尽可能靠近负载的负载点(POL)电源?
图4.DC-DC输出电压突降和瞬态电流
 
将转换器放在负载附近可使PCB电阻和寄生电感的影响最小。DC-DC转换器IC应放置在最靠近CPU的位置。注意,图1和图2显示了传统高电流电源(即开关模式控制器和外部FET)的原理图??刂破鱂ET解决方案可以处理上述应用所需的高电流负载??刂破鹘饩龇桨傅奈侍馐峭獠縁ET有空间要求,因而可能难以获得真正的POL稳压器解决方案,如图5的示例布局所示。
 
为什么使用DC-DC转换器应尽可能靠近负载的负载点(POL)电源?
图5.DC-DC转换器与CPU的理想布局
 
控制器的一个替代方案是单芯片解决方案,其中FET在转换器IC内部。例如, LTC3310S 单片降压调节器(IC尺寸为3 mm×3 mm)可实现负载点解决方案,单个IC最多可提供10 A电流,并联多个IC可提供20 A电流。这些IC分别如图6和图12所示。
 
为什么使用DC-DC转换器应尽可能靠近负载的负载点(POL)电源?
图6.LTC3310S降压调节器
 
为什么使用DC-DC转换器应尽可能靠近负载的负载点(POL)电源?
图7.小尺寸LTC3310S支持POL布局
 
除了小封装尺寸外,LTC3310S还支持最大5 MHz的开关频率——高频工作可减小必要的输出电容和整体解决方案PCB尺寸。图8显示了LTC3310S的负载瞬态性能,其中8 A负载变化导致的输出电压偏移小于±40 mV,此性能的实现只需要110μF输出电容。
 
为什么使用DC-DC转换器应尽可能靠近负载的负载点(POL)电源?
图8.LTC3310S的瞬态响应
 
尽管使用高功率单片POL转换器具有明显的优点,但有一个因素可能是搅局者:热量。如果转换器产生的热量过多,则它将无法用于已然很热的系统中。
 
在上述解决方案中,LTC3310S内部温度升幅通过高效率操作而得以最小化,即使在CPU、SoC和FPGA等高功耗器件周围的恶劣温度条件下,它也能够可靠地运行。此外,LTC3310S内置精密温度传感器,支持通过SSTT引脚测量内部结温,如图10所示,相应的温度传感器特性如图11所示。
 
为什么使用DC-DC转换器应尽可能靠近负载的负载点(POL)电源?
图9.LTC3310S的热摄像头图像 
 
为什么使用DC-DC转换器应尽可能靠近负载的负载点(POL)电源?
图10.LTC3310S温度检测引脚
 
为什么使用DC-DC转换器应尽可能靠近负载的负载点(POL)电源?
图11.软启动和温度监控操作
 
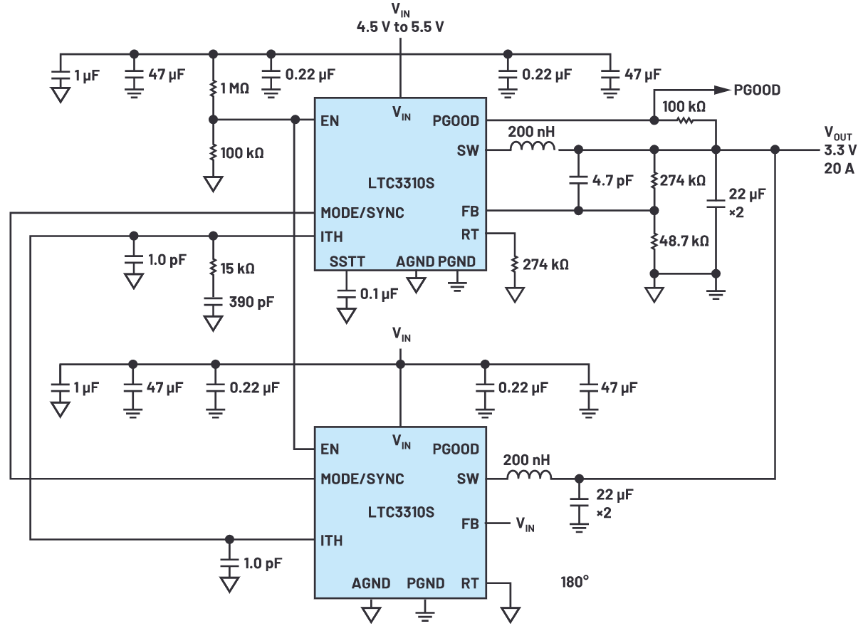
某些单片稳压器可通过多相并联操作扩展到更高负载应用。图12显示了多个LTC3310S器件并联并错相工作,使得电流能力加倍。
 
控制器的时钟由RT引脚上的单个电阻设置,子节点的相对相位通过RT引脚上的电阻分压器编程。在图12所示的情况中,RT接地,将子节点设置为相对于控制器相移180°。
 
 
为什么使用DC-DC转换器应尽可能靠近负载的负载点(POL)电源?
图12.20 A双相单片稳压器POL解决方案
 
图13显示了2通道转换器的电感电流和输出纹波电流,如图12所示。同相性能与双反相性能进行比较。反相操作将输出纹波电流(通过抵消)从14 A峰峰值(单相)降低到6 A峰峰值(双相),而无需额外的外部滤波器。
 
为什么使用DC-DC转换器应尽可能靠近负载的负载点(POL)电源?
图13.比较两个版本的双通道转换器的电感电流和输出电流:(a) 同相通道与 (b) 反相通道
 
结论
 
总之,LTC3310S是一款高效且小型的POL解决方案,适用于为高耗电CPU、SoC、FPGA供电的高电流电源系统。其尺寸很小,并可优化功率效率,导致自发热很低,因而其可以非??拷涸?。它可以轻松并联,在多相解决方案中使用多个LTC3310S可提高功率。
 
 
免责声明:本文为转载文章,转载此文目的在于传递更多信息,版权归原作者所有。本文所用视频、图片、文字如涉及作品版权问题,请联系小编进行处理。
 
推荐阅读:
 
使用增强模式NMOS晶体管的简单差分放大器
七步设计反激式变换器
用于高压电池组的新型电量计解决方案
指纹容易被复制?指静脉识别它来了
汽车、手机、安防之后,谁将成为CMOS图像传感器的第四“战场”?
特别推荐
技术文章更多>>
技术白皮书下载更多>>
热门搜索

关闭

?

关闭