【导读】电动工具中直流电机的配置已从有刷直流大幅转向更可靠、更高效的无刷直流(BLDC)解决方案转变。斩波器配置等典型有刷直流拓扑通常根据双向开关的使用与否实现一个或两个功率金属氧化物半导体场效应晶体管(MOSFET)。另一方面,三相BLDC配置需要三个半桥或至少六个场效应管(FET),因此从有刷电流转向无刷电流意味着全球电动工具FET总区域市场增长了3到6倍(见图1)。

图1:从有刷拓扑转换到无刷拓扑意味着FET数量出现了6倍倍增
但BLDC设计在这些FET上提出了新的技术要求。例如,若电路板上FET的数量6倍倍增也意味着驱动电机所需的印刷电路板(PCB)占用面积增加了6倍,那么BLDC设计不大可能仍适用于电动工具和园艺工具制造商。电力电子设备通常位于这些工具的手柄中;因此,为适应最小的手部尺寸,应用通常受空间限制的影响极大(参见图2)。市场需要功率密度更高的解决方案,换言之,就是需要在狭窄空间中处理更多电流的FET。

图2:在大多数电动工具中,电子设备都位于手柄中
传统意义上讲,适用于驱动大功率电机的FET其封装又大又重,如TO-220、DPAK和D2PAK。但像TI的小型无引线封装(SON)5mm×6mm FET这类最新方形扁平无引线(QFN)封装可在硅片和源极管脚之间提供更小的封装电阻。单位面积的电阻较小意味着单位面积的传导损耗较少,也意味着电流能力和功率密度更高。因此,随着FET硅单位面积的电阻(RSP)继续降低(大致相当于过去每代产品的一半),电动工具、园艺工具和家用电器行业的QFN解决方案出现快速增长也就不足为奇了。这些较小的FET现在通常能够驱动高达30A或更高的直流电机电流;即使对于功率更高的设计,并行采用多个QFN有时更适用于更大的封装。毕竟,两个5mm×6mm的器件在60mm2的总PCB面积中仍只相当于占用一个D2PAK的一小部分尺寸,D2PAK在总PCB空间上约为10mm×15mm,即150mm2(见图3)。

图3:半桥所需的PCB空间(未按比例画出)
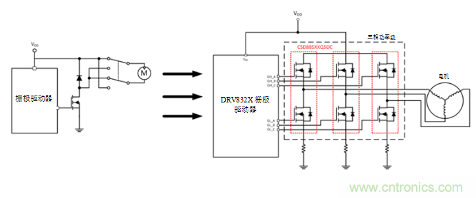
TI最近通过将两个FET纵向集成到单一封装中,将这一趋势归结为逻辑结论,在一个SON 5mm×6mm的功率模块中提供整个半桥。40V CSD88584Q5DC和 60V CSD88599Q5DC采用与德州仪器低电压功率??橄嗤亩训闫际?,用于高频电源应用,同时采用了优化的硅片,以减少大电流电机驱动应用的传导损耗。除减小在PCB上并排两个FET所带来的寄生电感外,纵向集成两个FET可在同一封装中容纳更多的硅,从而实现比分立QFN器件更高的功率密度。
这些器件还具有带裸露金属顶部的耐热增强型DualCool™封装。因此,尽管仍存在一些情况,使得电动工具制造商可能更倾向于使用TO-220 FET来表面贴装FET,因为这些FET可安装在大型散热器上以将热量从PCB排出,但是这些功率??椴捎肣FN封装提供了同样的好处。例如,即使在最理想的热环境中,通常也不鼓励在典型的5mm×6mm的QFN中耗散3W以上的功率。但是通过适当地使用散热器,这些DualCool器件可以应对6W或更多的功耗,功率密度翻了一倍,而PCB占用面积减少了一半。
如今,在电动工具、园林工具及电池供电的家用电器中推出更受欢迎的BLDC电机时,功率密度就成为最重要的因素。TI新型功率??榻饩龇桨缚稍谇八从械乃缴鲜迪终庖荒勘?。
推荐阅读:





