【导读】对于在油气田中气体流量传感器的应用,工釆网提供了FS5001B系列气体流量传感器是专门为各类小流量气体的测量和过程控制而设计的。这一系列传感器均采用本公司自主研发的微机电系统(MEMS)流量传感器芯片来制作,适用于各类清洁、干燥气体。
油气田是指受单一局部构造单位所控制的同一面积内的油藏、气藏、油气藏的总和。如果在这个局部构造范围内只有油藏,称为油田;只有气藏,称为气田。但是油气聚集的场所一般不是油气生成的地方,油气藏是油气经过运移、聚集才形成的。油气田是油气现在聚集的场所。石油和天然气之所以能够聚集起来,是由于这里受局部构造单位控制,形成了各种圈闭。

这类局部构造单位可以是穹隆、背斜、单斜、刺穿构造等等,在它们所控制的范围内往往伴生多种圈闭,从而形成多种油气藏。这些受同一局部构造单位控制的面积内油藏、气藏的总称,就是一个油气田。
如果说油藏是勘探是寻找原料,油田开发和采油是提供原料那么集气站的功能是收集气井的天然气,对收集的天然气进行气液分离处理后,处理后分别对气液进行计量;分离出的天然气需进行压力控制,使之满足集气管线的输送压力要求。为此集气站的工艺流程通常为集气、分离、计量、清管等。
为了提高油田计量的准确性,气田集气站都采用气体流量传感器来计算油田计量,气体流量传感器主要由壳体、前导向架、叶轮、后导向架、压紧圈和带放大器的磁电感应转换器等组成,吸取国内外先进技术进行设计,综合气体动力学、流体力学、电磁学等理论而自行研制开发的新一代高精度、高可靠性的紧密气体流量传感器,具有出色的低压和高压计量性能,多种信号输出方式以及对流体扰动的低敏感性,广泛适用于天然气、煤制气、液化气、轻烃气等气体的计量。
气体流量传感器工作原理当被测流体流经传感器时,传感器内的叶轮借助于流体的动能而产生旋转,叶轮即周期性地改变磁电感应系统中的磁电阻,使通过线圈的磁通量周期性地发生变化而产生电脉冲信号,经放大器放大后传送至相应的流量积算仪表,进行流量或总量的测量。

因而对于在油气田中气体流量传感器的应用工釆网提供了FS5001B系列气体流量传感器是专门为各类小流量气体的测量和过程控制而设计的。这一系列传感器均采用本公司自主研发的微机电系统(MEMS)流量传感器芯片来制作,适用于各类清洁、干燥气体。传感器采用标贴式安装,使安装尺寸更加紧凑,可以很容易的实现在小空间内的多传感器集成。
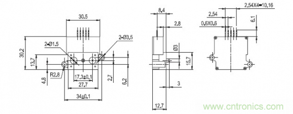
FS5001B系列气体流量传感器机械尺寸

FS5001B系列气体流量传感器技术参数

FS5001B系列气体流量传感器产品选型

推荐阅读:





