【导读】该电路针对Figaro TGS8100传感器进行了优化,传感器由MOS检测芯片和集成加热器(利用MEMS技术形成于硅基板)构成。适当修改硬件和软件,便可使用其他MOS传感器。测试是在气体腔中利用一氧化碳完成。结果与传感器数据手册规格进行了相关性分析。
电路功能与优势
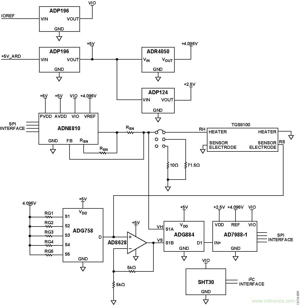
图1所示电路利用金属氧化物传感器检测挥发性有机化合物组成的气体,从而测量室内空气质量。传感器由加热电阻和检测电阻组成。当加热检测电阻时,其值随不同气体的浓度而改变。
该电路利用12位电流输出数模转换器(DAC)来精密控制加热器电流,灵活的软件允许加热器采用如下四种工作模式中的一种:恒流、恒压、恒阻和恒温。
通过软件可选的五种范围电阻分压器,该电路能够测量广泛的检测电阻值。电路板还包含温度和湿度传感器,用于补偿气体浓度值。

图1.完整的单电源16位挥发性有机化合物检测器,采用金属氧化物传感器和12位电流输出DAC(简化原理图,未显示所有连接和去耦)
电路描述
该电路针对Figaro TGS8100传感器进行了优化,传感器由MOS检测芯片和集成加热器(利用MEMS技术形成于硅基板)构成。适当修改硬件和软件,便可使用其他MOS传感器。
测试是在气体腔中利用一氧化碳完成。结果与传感器数据手册规格进行了相关性分析。
加热器驱动器
ADN8810是一款12位电流源,可提供高达300 mA的可调输出电流。满量程电流通过两个输出检测电阻设置。这些电阻的选择和满量程电流的设置对板上安装的传感器的设计规格非常重要。满量程电流设置不得违反传感器最大额定值,以免发生故障。
使用41.2 ?检测电阻,电路板的满量程电流设置为大约9.94 mA,这是TGS8100传感器的安全上限,其推荐工作电流为8 mA。满量程电流与检测电阻值存在如下关系:

未进行校准的ADN8810的满量程精度为1%。如果需要更高精度,可利用71.5 ?或10 ?精密电阻和P2跳线校准满量程电流输出。
所有工作模式(恒流、恒压、恒阻和恒温)为了维持指定参数的值,都要控制流经加热电阻的电流量,并利用AD7988-1模数转换器(ADC)测量加热器电压。
加热器电阻和加热器温度之间的关系
加热器电阻RH_T与加热器温度TH之间的关系可通过下式来表示:

从TGS8100数据手册获得如下标称值:VH = 1.8 V,T_0 = 20℃时RH_0 = 110 Ω。T_H = 360℃时,RH_T = 225 Ω。然后代入并求解上式,得到常数ALPHA = 0.003074。
可以重新整理该式,求得TH与RH的函数关系:
ALPHA
设置模式值之前,先确定环境温度T_A时的加热器实际电阻RH_A。为确定此值,将8 mA电流施加于加热器,并在施加电流后的20 μs内测量加热器电压(VH_A)。此时,加热器仍处于环境温度。环境温度时的加热器电阻根据RH_A = VH_A/8 mA计算。同时记录环境温度T_A和湿度HUM。
前面的等式必须稍加修改,因为实际环境温度T_A可能不同于数据手册值T_0 = 20℃。加上修正因子之后,两个等式变为:

加热器工作模式
下面详细说明加热器工作模式。
加热器恒压
加热器恒压模式是最常见的工作模式。TGS8100传感器的推荐电压为1.8 V ± 2%。一个迭代程序调整加热器电流IH,直至测得的加热器电压为1.8 V,然后根据RH_T = VH/IH计算对应的加热器电阻RH_T。对应的加热器温度可根据等式5计算。
加热器恒流
所需加热器电流IH在ADN8810DAC中设置。测量加热器电压VH。加热器电阻根据RH_T = VH/IH计算。对应的加热器温度根据等式5计算。
加热器恒温
对应于所需加热器温度TH的加热器电阻RH_T根据等式4计算。一个迭代程序调整加热器电流IH,并测量加热器电压VH,直至达到所需的加热器电阻VH/IH = RH_T。
加热器恒阻
一个迭代程序调整加热器电流IH,并测量加热器电压VH,直至达到所需的加热器电阻VH/IH = RH_T。对应的加热器温度根据等式5计算。
检测电阻测量
传感器检测元件的电阻值可以通过下式确定:

其中:
RS为检测元件的电阻。
VS为RS上的对地电压。
RG为分压器所用的范围设置电阻。
VREF为基准电压值(4.096 V)。
为了覆盖30 Ω至30 MΩ的RS范围,利用低压CMOS模拟多路复用器ADG758选择五个RG电阻中的一个。该电路使用S1至S5通道,对应的RG电阻值分别为8.87 kΩ、39.2 kΩ、110 kΩ、2.74 MΩ和33 MΩ。
利用分压器中的RG电阻以及RS和VREF,现在便可通过等式6确定检测电阻RS的值。
来自检测电阻分压器的输出电压被超低失调、漂移和偏置电流的运算放大器AD8628放大2倍以匹配AD7988-1 ADC的输入范围。
AD7988-1是一款低功耗、100 kSPS 16位逐次逼近型ADC,用于转换传感器加热和检测元件的电压读数。
ADG884是一款软件可选低压CMOS双通道单刀双掷开关,用于切换传感器加热和检测元件的电压读数。
ADR4540是一款超低噪声、低功耗基准电压源。它为ADN8810、AD7988-1和RG分压器网络产生高精度4.096 V基准电压,具有出色的温度稳定性和低输出噪声,功耗最大值仅950 μA。
ADP196是一款逻辑控制的高端功率开关,可通过ADICUP360的数字输入/输出引脚完全关断整个电路,将电路功耗降至400 µW。此特性利用数字输入/输出引脚实现电路板关断功能,使其成为出色的低功耗候选解决方案。
ADP124是一款低静态电流、低压差线性稳压器,用于提供AD7798-1的2.5 V电源电压。
该电路还在集成了板载Sensirion SHT30温度和湿度传感器,用于补偿气体浓度计算。
这些IC的组合为室内挥发性有机化合物监测应用提供了一种低功耗解决方案。
传感器电阻转换为气体浓度
TGS8100传感器数据手册给出了浓度与RS/R0的典型关系曲线,其中R0为无气体存在时的监测电阻值。一氧化碳气体(CO)的曲线可通过两个等式近似求得,取决于RS/R0比值。这些等式适用于1 ppm到100 ppm的CO浓度水平。
RS/R0介于0.05和0.6之间时:

加热器控制软件
CN-0395的演示软件显示了加热器在T_0或干净空气工作模式下的检测电阻读数,用于计算的电流检测电阻读数,以及算出的气体浓度。
加热器有四种工作模式:恒压、恒流、恒阻和恒温。
在恒压模式下,假设加热器初始电阻为225 ?,通过计算误差电压并相应地调整输出电流来将所需加热器电压维持在0.5%精度。

如果误差不在指定容差范围内,则需将新的加热器电流设置到ADN8810中。新的加热器电流通过下式计算:
其中:
IH2为第二次迭代的加热器电流。
IH1为第一次迭代的加热器电流。
E1为第一次迭代的电压误差。
可能需要多次迭代才能使其落在所需电压范围内,但若误差在0.5%以内,则迭代结束。
传感器电阻测量软件
软件利用等式6测量传感器电阻RS。算法逐个尝试增益电阻范围,从最高范围(RG1 = 33 M?)开始,直至达到正确范围。确定RS之后,利用下一部分给出的等式将其转换为气体浓度。
测试结果
该电路在暴露于各种不同浓度CO气体的气体测试容器中进行了测试。为了实现不同浓度,一氧化碳按一定的比率与合成空气混合。气体混合物经过一个加湿器,净化后以1 ln/min的恒定速率通往气体测试容器,如图2所示。

图2.气体测试设置
对于测试设置,RS/R0与气体浓度结果的关系如图3中蓝色曲线所示。红色曲线显示的是利用等式7和等式8近似计算所预测的典型浓度值。100 ppm时RS/R0的差约为25%。

图3.实测RS/R0比值与CO气体浓度的关系
为了获得更精确的浓度结果,应利用已知浓度的目标气体在一个腔中校准系统。传感器差异、接触杂质引起的传感器污染、老化效应、温度、相对湿度、稳定时间和合成混合空气的纯度,都会影响最终结果。
获得一致结果的重要条件是让传感器在环境空气中稳定至少30分钟,并且先给加热器通电,再测量R0。在每种浓度水平下,必须同样给予充足的稳定时间。对于图3所示结果,R0稳定时间为1小时,每种浓度水平下的稳定时间为10分钟。延长稳定时间可能会提高精度。
电路板布局考量
应当精心考虑电路板上的电源和接地回路布局。印刷电路设计必须将模拟部分与数字部分分离。如果该电路所在系统有多个器件要求模拟地至数字地连接,则只能在一个点上进行连接。通过至少0.1 μF电容旁路所有器件的电源。这些旁路电容必须尽可能靠近器件,电容最好正对着器件。所选0.1 μF电容应当具有低有效串联电阻(ESR)和低有效串联电感(ESL),例如陶瓷型电容。0.1 μF电容为瞬变电流提供低阻抗接地路径。电源走线必须尽可能宽,以提供低阻抗供电路径。为实现最佳性能,必须采用适当的布局、接地和去耦技术(请参考教程MT-031——实现数据转换器的接地并解开AGND和DGND的谜团和教程MT-101——去耦技术)。
如需获得包括原理图、布局布线和物料清单在内的EVAL-CN0395-ARDZ完整文档,请访问www.analog.com/CN0395-DesignSupport。
常见变化
权衡复杂性和成本,可以用DAC控制的电流源取代ADN8810。
如需更高分辨率ADC,请使用AD7989-1。如需更高采样速率ADC,请使用AD7988-5或AD7989-5。
8:1多路复用器的另一个较佳选择是ADG5208F,其增加了防闩锁、过压检测和过压?;ぬ匦浴?/div>
电路评估与测试
本电路使用EVAL-CN0395-ARDZ电路板和EVAL-ADICUP360。EVAL-CN0395-ARDZ利用Arduino兼容引脚叠加在EVAL-ADICUP360板上。
设备要求
需要以下设备:
- 带USB端口的Windows 7(64位)、Windows 8(64位)或Windows 10(64位)PC
- EVAL-CN0395-ARDZ电路评估板
- EVAL-ADICUP360评估板或等效Arduino接口
- USB A转USB微型电缆
- EVAL-ADICUP360软件(IDE)
- EVAL-CN0395-ARDZ示例代码
开始使用
将示例代码载入EVAL-ADICUP360 IDE,请按照EVAL-ADICUP360工具链设置用户指南中的说明操作。
功能框图
图4所示为测试设置的功能框图。

图4.测试设置功能框图
设置
连接EVAL-CN0395-ARDZ,利用Arduino兼容接头和对应接头将其安装在EVAL-ADICUP360板上方。然后将USB电缆从EVAL-ADICUP360的调试端口连接到PC的USB端口。
测试
示例代码经编译并加载到EVAL-ADICUP360上且将EVAL-CN0395-ARDZ安装在上面之后,器件与PC通信并显示各通道的读数。为测试该电路,可将电路板暴露在干净空气中以获得初始读数,然后暴露在不同浓度的挥发性有机化合物气体中。
图5显示EVAL-CN0395-ARDZ电路评估板的实物照片。

图5.EVAL-CN0395-ARDZ电路评估板
推荐阅读:





