【导读】本文将从模拟与电源管理设计的角度介绍一种典型的环境传感器网络系统设计,它可以用来分析智慧城市或地区的室外空气质量。这类系统的部署可以帮助人们了解日常生产生活中所呼吸的空气质量。一种包含传感器的闭环反馈系统,将有助于用户和当地政府调整和改善当地的空气质量,从而提高当地人口的健康水平、降低医疗成本、延长寿命并改善生活质量。
全世界的空气质量都在下降。世界卫生组织(WHO)表示,2014年有370万人死于环境或室外空气污染,有430万人死于室内或家装污染?;肪潮;な?EPA)针对室内空气污染有很好的对策。本文将从模拟与电源管理设计的角度介绍一种典型的环境传感器网络系统设计,它可以用来分析智慧城市或地区的室外空气质量。
下面我们将从电化学传感器开始,因为它们具有超低功耗,而超低功耗是这种系统中采用的无线传感器节点的关键要素。
电化学传感器
某些最老的电化学传感器可以追溯到20世纪50年代,它们主要用于监测氧气。

图1:自2012年以来,电化学气体传感器的尺寸实现了数量级的改进。但是尺寸并不是唯一的改进,更低的功耗给系统提供了更长的电池寿命,甚至能量收集电源也有了显著进步。(图片由KWJ Engineering和SPEC传感器提供)

图2:SPEC传感器系统使用了可印制的纳米结构油墨催化材料和高性能的电子部件:硬件、固件和软件(智能算法使器件稳定性的增强达十亿级),精密模拟前端(AFE),带微处理器、用于数字信号处理的模数转换器,以及物联网接口。(图片由KWJ Engineering和SPEC传感器提供)
电化学传感器似乎是目前业界最低功耗的解决方案。这种传感器只有纳瓦到毫瓦的功耗,而且一氧化碳(CO)和硫化氢(H2S)传感器不需要偏置电压。

图3:电化学传感器的基本工作原理图, 同时提供了一种SPEC传感器的工作框图。
手腕上的气体传感器
剑桥CMOS传感器有限公司是AMS集团的一部分,目前正使用其超低功耗的气体传感器设计新款的Cling VOC智能健身腕带,用于测量室内空气质量以及人们呼吸中的酒精成份(也有望用来防止酒驾和醉驾)。
集成在Cling VOC腕带中的CCS801气体传感器能够检测出室内常有的低浓度挥发性有机化合物(VOC)。在这种腕带中,VOC的测量结果可以显示在腕带上,向用户指示空气质量。腕带也能够根据要求提供酒精呼吸分析,因为集成的CCS803气体传感器加上专门的算法对人类呼吸中的乙醇成份非常敏感。CCS8xx系列气体传感器的外形小而薄,因此可以用在像Cling VOC那样拥有超薄时髦外壳的设备中,这样的设备对时尚消费者来说极具吸引力。
剑桥金属氧化物(MOX)传感器使用专门设计的基于CMOS的微型加热板平台,有助于实现设备的微型化、超低功耗和快速响应时间,这些特性对可穿戴设备来说都是关键。这些微型加热板用结实的二氧化硅薄膜制造,用嵌入式钨加热元件来加热基于MOX的传感材料。这种传感检测材料能够被加热到500℃,可以很方便地通过监视MOX传感器的电阻检测目标气体。由于具有快速加热器循环时间,因此可以实现温度调制技术,以便降低器件功耗,实现先进的气体检测方法。
市场上有带私有算法的软件库以及针对安卓操作环境的应用实例,可以用来帮助设计师将这些传感器轻松地集成进各种便携式消费类应用。
智慧城市
智慧城市的成功取决于运用低成本但高精度的环境传感器连续监视一般城市和特大城市空气质量的能力。
导致空气质量差并最终影响居民健康的因素主要是交通运输、道路交通、家庭供热、工业排放和其它局部性的人类活动,它们都是环境中有毒气体(NOx, O3, CO, SO2, NH3, H2S)、挥发性有机化合物(苯、甲苯、二甲苯)、多环芳香烃(PAH)、温室气体(CO2,CH4,N2O)、颗粒物(PM10、PM2.5、PM1.0是直径小于10μm的颗粒)、悬浮颗粒和灰尘、重金属、花粉的主要排放源。人类持续吸入污染物达到一定的时间将会对健康产生不可逆的损害。
传感器节点可以由部分固定和/或移动的传感器网络实现,也可以安装到街灯和交通灯上。每个节点可以通过ZigBee或其它低功耗无线协议将传感数据传送到网关,然后再由网关通过GSM等无线网络发送到控制中心?;箍梢陨沙鞘形廴就脊┙窈蠓治?。
在互联网上发布传感器数据有助于提高公众的环保意识,促进环境的持续改善。这些传感器技术可以被地方当局和人民群众用来获取环境数据,并将有关环境状况的实时信息告知大多数民众。
参考文献1中被称为NASUS的传感器系统集成了英国Alphasense公司提供的4个低成本电化学气体传感器(NO2, CO, SO2, H2S)、日本神荣科技有限公司提供的1个低成本光学PM检测器、美国国家半导体公司提供的1个温度传感器(LM35CZ)和霍尼韦尔提供的1个相对湿度传感器(HIH-3610系列)。
测试中的传感数据以每分钟一次的速度接近实时捕获,同时采用了低成本的同步传感器和参考化学分析仪。数据集只有在经过正确的筛选和验证后才可以使用。在最后的数据处理中,可以用下面的公式1将原始的传感数据转换为针对每个空气污染物的空气质量指数(AQI)。

AQI指数的值在0到500范围内。这个值越高,说明空气污染程度越严重,对民众的健康影响就越大。具体来说,AQI值为33表示空气质量非常纯净,很少或几乎没有可能影响民众的健康;AQI值超过150表示空气质量很糟糕,是严重污染,每位居民都将受到严重的健康影响。AQI值为100或100以下时被认为是满意的。当AQI值超过100时,空气质量被认为首先对特定的敏感人群有害,随着指数的上升,将影响到每个人。每隔1小时报告一次日??掌柿勘蝗衔呛侠淼淖龇?。
系统可以采用移动和静态传感器监视空气质量??梢圆捎们λ岬绯?、太阳能电池或其它电池技术供电。传感器可用于检测CO、颗粒物(PM)和其它大气污染物的任意组合。
无线传感器网络
下面让我们进一步了解可能在智慧城市中用来监视AQI的无线传感器网络(WSN)。这是介绍环境传感器不可或缺的一部分。
无线通信通常会选择ZigBee/IEEE802.15.4协议。部署的无线传感器网络也可以是提供全球定位系统/通用数据包无线服务(GPS/GPRS)的???。一些系统还利用可穿戴传感设备来捕获空气质量方面的大数据。有时还会利用车载系统。只要车辆靠近,数据就可以通过Wi-Fi热点传送。有时所选择的无线传感器网络(WSN)会通过短信系统(SMS)与用户通信。
一个典型的架构
参考文献2中所述的系统就是一个很好的例子,让我们来看看这类架构。这种系统整合了传感器节点和它们的网关,还有信息系统(图4)。

图4:论文“低成本、快速部署且能量自给的空气质量监视用无线传感器网络”推荐了一种用于监视空气质量的基于无线传感器网络的系统(图片摘自参考文献2)。
图4中的网络节点由气象和/或气体传感器组成。在这个系统中,服务器通过服务器网关接收无线传感器网络(WSN)信息,并形成信息系统(IS)。在这个系统中有两种网关:一种是在靠近以太网连接时使用的Zigbee-GSM-以太网,一种是可能使用SMS或GPRS向服务器发送所收集数据的Zigbee-以太网网关。服务器对各种数据流进行处理,并在网络应用中发布结果,供信息管理系统以及该地区的居民浏览和分析。
传感器节点
参考文献2中的文章重点关注的是室外应用,并使用了一个寻找污染气体的例子;这个例子中的污染气体是一氧化碳(CO)、二氧化硫(SO2)、硫化氢(H2S)、臭氧(O3)和二氧化氮(NO2)。
所选用的传感器类型有:Alphasense B4型传感器,选用这类传感器的理由是它们具有检测室外低浓度气体的灵敏度和检测范围。
独立传感器板(ISB)的设计架构可以提升噪声性能,优化每个传感器的测量质量。颗粒物(PM2.5和PM10)是利用武汉四方光电科技有限公司生产的AM2003??椴饬康?。
然后是用Figaro CDM4161??榧觳釩O2,用KE-25传感器检测O2浓度。
这个研究案例还使用TI的LM35传感器检测空气温度。
所有这些传感器都满足环境?;な?EPA)的要求。表1列出了该设计中使用的传感器规范。

表1:无线传感器网络(WSN)系统的传感器规范(图片摘自参考文献2)。
针对Arduino接口的传感器模拟调节设计
由于传感器种类很多,它们又都有自己的输出信号类型,因此设计师需要做一个单独的AFE设计,目的是使每个传感器信号都能兼容基于Atmel ATSAM3X8E μC的Arduino Due??椤W钪沼葾rduino??槭占⒄砗痛碚庑┐衅餍畔⒑?,将数据发给网关。
5个独立的Alphasense传感器通过Alphasense ISB一体化传感器电路板将模拟信号输出到Microchip 16位MCP3428 ADC,经模数转换后通过I2C接口输出送至Arduino。PM传感器使用UART与Arduino相连。
O2传感器输出信号使用TI的INA122仪器放大器作为传感器和Arduino ADC输入之间的电压接口。
最后,利用TI的OPA2336双路运放放大CO2、温度和湿度传感器的信号,使其满足Arduino ADC输入的最佳动态范围要求。图5显示了Arduino Due电路板的框图。

图5:框图显示了Arduino Due电路板上ATSAM3X8E微控制器的所有接口。(图片摘自参考文献2)
为了完成设计架构,还要在设计中增加一个美信集成公司的DS3231实时时钟芯片,用于给输入数据加上精确的时间戳。
microSD用于备份数据存储,900 MHz XBee-PRO 900HP??橥ü齔igBee/IEEE802.15.4协议连接网关,用于扩大无线通信范围。之所以选择这种长距离的无线电技术,是为今后扩展无线覆盖范围做准备。图4显示了点到多点类型的覆盖范围拓扑。
气象参数
这个节点用LM35测量空气温度,用HTM2500LF测量相对湿度,用气象仪测量风速/风向和雨量,用MPX4115A测量气压,用SQ-110测量太阳辐射量,用SU-110测量紫外线辐射,然后将所有这些传感器信号集中起来发送给Arduino Due。
电源
在运用快速部署策略的这个设计中,所有节点需要能量自给自足,因此使用太阳能电池和Powerplus S3 12/9电池提供9A·h及12V直流。另外使用了Morningstar SHS-06电源控制器设计为节点、电池和20W及12V直流的Grealtec GAT20P太阳能电池之间提供合适的接口。注:气体传感器需要长期供电,因为它们需要预热才能正常工作。本设计中的传感器功耗约为400mW。
为了使系统能够准确工作,PM模块要求让待检测的空气流通起来,因此需要将风扇开上10s(使用1W),然后PM??榍霉ぷ?0s,消耗约450mW。XBee的无线传送功能消耗660mW。整个节点在空闲模式下将消耗1W的功率。
能量收集
给室外传感器节点供电的另外一种方法是能量收集[3]。下面让我们看看这种方案,通过环境能量收集给空气质量监视系统供电。
不同于在设计中使用电池或者在传感器节点进行人工干预,通过能量收集(EH)机制可以实现“设好就忘的一劳永逸”的设计。为了实现这种电源管理设计,我们需要超低功耗的电子器件,即电源控制器、低功耗的声光器件(AO)和CMOS开关等等。
使用与信号调节电路相连并且电流在1μA范围的电化学传感器,再加上使用扩展睡眠时间达95%或以上占空比的无线通信系统,可以最大程度地延长传感器节点寿命。这种系统只需要工作一小段时间,用于传感器苏醒、采样、数据处理和无线数据传输。
参考文献3中的文章讨论的SENsor NOde (SENNO)是一种用于监视空气质量的智能专用设备。图6所示的SENNO是可再生能量收集系统的例子。



图6(a)和(b)显示了SENNO结构。(a)红色部分包含PCB板上的9个传感器,其中温度(T)和相对湿度(RH)传感器是必要的,因为气体传感器容易受温度和湿度的影响;气压传感器用来精确地关联空气污染数据,(b)蓝色和绿色部分(5种不同的能量收集???是低成本、低功耗的收集电路。(图片摘自参考文献3)
重要的是,电路板上的能量收集器件可以从环境中提取能量,实现无线节点的自主工作。可以用电池,并依靠这些能量收集器件给电池充电,也可以完全用这些能量收集器件代替电池。能量收集器件都是并行同步工作的。
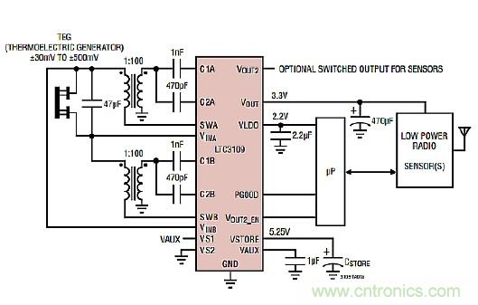
振动能量收集器件中的机械谐振器和热电发生器(TEG)使用凌力尔特公司的电源转换器LTC3109和LTC3330,这两种器件设计优良,可以从很低的电压源收集任何剩余的能量,见图7和图8。

图7:LTC3109数据手册首页上的典型应用表明,采用1:100匝比的两个微型外部升压转换器可以实现非常低电压的升压DC/DC转换器。这种电源管理器能够工作在正极性或负极性的输入电压条件下,因此不管TEG温差是正还是负(或未知)都能从TEG实现能量收集。(图片由凌力尔特公司提供)

图8:LTC3330数据手册上的典型应用,显示了太阳能电池(可以容纳两个太阳能电池板)、机械谐振器输入和主电池,外加一个超级电容平衡电路。(图片由凌力尔特提供)
在许多场合下SENNO节点专注的都是射频能量收集器,只能产生很少量的能量;但优势在于比太阳能、压-磁能和热电能更加稳定。这种环境射频能量收集器的目标频率是无处不在的500MHz(比如数字电视)、900MHz(ISM频段)和2.45MHz(Wi-Fi和蓝牙)。
参考文献2还给出了有关WSN网关设计的更多细节,以及在本篇模拟与电源管理文章中没有涉及的许多信息系统(IS)内容。
空气质量问题在中国以及其它一些新兴经济体尤其麻烦,因为在这些相对较新的增长型经济体中工厂和汽车增速都很快。就像19世纪晚期的工业革命影响美国、英国和欧洲的空气质量一样,我们现在见到新兴经济体正在发生相同的效应,需要政府去管制,并提高民众的污染意识,以保护这些地区居民的身体健康。
我们不能忘记存在的空气污染问题,因为我们自己也仍然有大量工作要做。有关这个话题你有什么意见或建议吗?
参考文献
Towards Air Quality Indices in Smart Cities by Calibrated Low-Cost Sensors Applied to Networks,M. Penza, D. Suriano, M. G. Villani, L. Spinelle, M. Gerboles, 2014
A Low-Cost, Rapid-Deployment and Energy-Autonomous Wireless Sensor Network for Air Quality Monitoring, D. Chavez, R. Quispe, J. Rojas, A. Jacoby, and G. Garayar, 2015 Ninth International Conference on Sensing Technology.
Feasibility of Air Quality Monitoring Systems Based on Environmental Energy Harvesting, F.Touati, A. Galli, D. Crescini, P. Crescini Adel Ben Mnaouer, IEEE Instrumentation and Measurement Society, 2015
本文来源于电子技术设计。
推荐阅读:
推荐阅读:




