【导读】科技的发展使得手机功能越来越多,各种视频文件和精美的图片不断出现,甚至现在还多了一项私人教练功能。眼下可穿戴设备佩戴传感器,能够随时监护使用者的日?;疃徒】底纯觥Y踩怀晌毕陆】狄馐锻贫牡浞?。
现在,装有多个传感器的通用传感器前端可以监控这些参数。而更大的挑战是最大程度地缩小尺寸并延长电池使用寿命。本文将讨论面向迅猛增长的可穿戴电子产品市场的解决方案。
最重要的生命体征信号
脉搏或心率是需要监控的最重要的参数之一。除了每分钟心跳次数以外,还应该检查心脏行为与活动量的函数关系。心律也非常重要,因为快速变化的心率是心脏疾病的征兆。
心率和心脏活动的监护通常是使用心电图(ECG)测量生理电信号来实现的。连接到身体上的电极可测量出心脏组织中心电活动所产生的信号。专业的诊断系统就基于此原理,其在胸部和四肢最多可连接10个电极。ECG可提供一次心跳不同分量(P波、QRS波和T波)的相关详细信息。
单导联ECG在体育界的应用越来越普遍,其使用双电极胸带来测量心脏活动。虽然可检测到各种ECG波形,但大多数系统只测量心率。这些胸带穿戴起来并不舒服。因此,体育和保健行业正在寻找替代方案,例如将电极集成到运动衫上。AD8232单导联心率监护仪前端(如图1)就是专为此类低功耗可穿戴应用而开发的。该器件内置增益为100V/V的仪表放大器和高通滤波器,能阻止皮肤上电极的半电池电位产生的失调电压。输出缓冲器和低通滤波器则可抑制肌肉活动产生的高频分量(EMG信号)。此低功耗前端功耗为170μA,可与16位片上计量仪ADuCM350配合使用,进行高性能、单导联ECG测量。

图1:AD8232单导联ECG前端。
测量心率的新方法
心率测量的新趋势是光电容积图(PPG),这是一种无需测量生物电信号就能获得心脏功能信息的光学技术。PPG主要用于测量血氧饱和度(SpO2),但也可不进行生物电信号测量就提供心脏功能信息。借助PPG技术,心率监护仪可集成到手表或护腕等可穿戴设备上。因为生理电势法信号电平极其微弱,所以无法做到这一点。
在光学系统中,光通过皮肤表面发射。光电传感器对红细胞吸收的光量进行测量。随着心脏跳动,不断变化的血容量使接收到的光量分散开来。在手指或耳垂上进行测量时,由于这些部位有相当多的动脉血,使用红光或红外光源可获得最佳精度。但是,手腕上方很少有动脉存在,腕部穿戴式设备必须通过皮肤表层下方的静脉和毛细血管来检测脉动分量,因此绿光效果会更好。
ADPD142光学模块(如图2)具备完整的光度测量前端,并集成了光电传感器、电流源和LED。该器件专为测量反射光而设计,可用来实现PPG测量,所有元件都封装在一个小小的模块上。

图2:ADPD142光学模块。
使用光学VSM所面临的挑战
利用腕部穿戴式设备测量PPG面临的主要挑战来自环境光和运动产生的干扰。阳光产生的直流误差相对而言比较容易消除,但日光灯和节能灯发出的光线都带有可引起交流误差的频率分量。模拟前端使用两种结构来抑制DC至100kHz的干扰信号。模拟信号经过调理后,14位逐次逼近型数模转换器(ADC)将该信号数字化,再通过I2C接口发送到微处理器进行最终后处理。
同步发送路径与光接收器并行集成在一起。其独立的电流源可驱动两个单独的LED ,电流电平最多可编程至250mA。LED电流是脉冲电流,脉冲长度在微秒级,因此可保持较低的平均功耗,从而最大程度地延长电池使用寿命。
LED驱动电路是动态电路且可即时配置,因此不受各种环境条件影响,例如环境光、穿戴者皮肤和头发的色泽或传感器和皮肤之间的汗液,这些都会降低灵敏度。激励LED的配置非常方便,可用于构建自适应系统。所有时序和同步均由模拟前端处理,因此不会增加系统处理器的任何开销。
ADPD142提供两种版本:ADPD142RG集成红光LED和绿光LED,用于支持光学心率监护;ADPD142RI集成红光LED和红外LED,用于进行血氧饱和度(SpO2)测量。
运动的影响
运动也会干扰光学系统。当光学心率监护仪用于睡眠研究时,这可能不是问题,但在锻炼期间佩戴运动腕表和护腕,将会很难消除运动伪像。光学传感器(LED和光电检测器)与皮肤之间的相对运动会降低光信号的灵敏度。此外,运动的频率分量也可能会被视为心率测量,因此必须测量该运动并进行补偿。设备与人体贴得越紧密,这种影响就越小,但采用机械方式消除这种影响几乎是不可能的。
可使用多种方法来测量运动。其中一种是光学方法,即使用多个LED波长。共模信号表示运动,而差分信号用来检测心率。但是,最好是使用真正的运动传感器。这不仅可以准确测量施加到可穿戴设备的运动,还可用于提供其他功能,例如跟踪活动、计算步数或者在检测到特定重力时启动某个应用。
ADXL362是一款微功耗、3轴MEMS(微机电系统)加速度计,非常适合在电池供电型可穿戴应用中检测运动。其1 2位ADC可将加速度转换为数字信号,分辨率为1-mg。功耗随采样速率动态变化,当输出数据速率为100Hz时功耗仅为1.8μA,在400Hz时为3.0μA。这些较高的数据速率对于用户接口来说非常有用,例如单击/双击检测。

图3:ADXL362电源电流与输出数据速率呈函数关系。
对于在检测到运动时启动某个应用的情况,则无需进行高速采样,因此可将数据速率降至6Hz,此时平均功耗为300nA。因而,对于低功耗应用和不易更换电池的植入式设备来说,此传感器非常有吸引力。ADXL362采用3.0mm×3.25mm封装。图3显示了在不同的电源电压的条件下,电源电流与输出数据速率之间的关系。
系统中各传感器的连接
系统的核心是混合信号片上计量仪ADuCM350,它与所有传感器相连,并负责运行必要的软件,以及储存、显示或传送结果。该器件集成了高性能模拟前端(AFE)和16MHz ARM Cortex-M3处理器内核,如图4所示。AFE的灵活性和微处理器丰富的功能组合使此芯片成为便携式应用和可穿戴应用的理想选择??膳渲玫腁FE支持几乎所有传感器,其可编程波形发生器可使用交流或直流信号为模拟传感器供电。高性能的接收信号链会对传感器信号进行调理,并使用积分非线性(INL)和差分非线性(DNL)最大值为±1LSB的无丢码真16位160kSPS ADC将这些信号数字化。该接收信号链支持任何类型的输入信号,包括电压、电流、恒电势、光电流和复阻抗。

图4:集成AFE的Cortex-M3。
AFE 可在独立模式下工作, 无需Cortex-M3处理器干预??杀喑淌毙蚩刂破骺刂撇饬恳?,测量结果通过DMA储存到存储器内??疾饬壳埃芍葱行W汲绦?,以校正发送和接收信号链中的失调和漂移误差。对于复阻抗测量,如血糖、体质指数(BMI)或组织鉴别应用,内置DSP加速器可实现2048点单频离散傅里叶变换,而无需M3处理器干预。这些高性能AFE功能使ADuCM350具有其他集成解决方案无可比拟的独特优势。
Cortex处理器支持多种通信端口,包括I2S、USB、MIPI和LCD显示驱动器(静态)。此外,它还包括闪存、SRAM和EEPROM,并且支持五种不同的电源模式,可最大程度地延长电池使用寿命。
ADuCM350设计用于超低功耗传感器,性能限制为低速器件。对于要求更高处理能力的应用,可使用工作频率高达80MHz的M3内核或者Cortex-M4处理器内核。
[page]
功耗如何?
功耗一直是便携式设备和可穿戴设备的一个关键因素。本文介绍的器件针对高性能、小尺寸和低功耗要求而设计,但在小封装内集成所有一切器件(包括电池)仍然是一个挑战。尽管新的电池技术实现了每mm3更高的容量,但与电子产品相比,电池体积仍然较大。
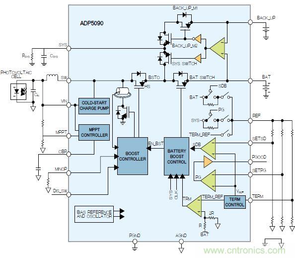
能量采集可减小电池尺寸并延长电池使用寿命。能量采集技术有多种,包括热电、压电、电磁和光电等技术—对于可穿戴设备,利用光和热最为合适。传感器通常不会产生大量输出功率,因此每焦耳热量都应当可以被捕获和使用。ADP5090超低功耗升压调节器(如图5)将采集器和电池桥接起来。此高效的开关电源可将输入电压从低至100mV升高到3V。冷启动期间,在电池完全放电的情况下,需要的最小输入电压为380mV,但在正常工作时,如果电池电量没有完全耗尽或者还有一些电能留在超级电容内,任何低至100mV的输入信号都可转换为较高的电位并储存下来,以供稍后使用。

图5:ADP5090能量采集器。
该芯片采用微型3mm×3mm封装,可进行编程来支持各种不同的能量采集传感器。其最大静态电流为250nA,支持几乎所有电池技术—从锂离子电池到薄膜电池以及超级电容均可。集成式保护电路可确保安全运行。
相关阅读:
技术风赏:物联网传感器电池终被能量采集器件取代
传感器风尚:西瓜温室生产温湿度控制系统的设计
加速度传感器在心搏图应用中的设计探究





