【导读】在这篇文章中,我们将介绍使用这些传感器进行精密温度测量电路设计的要点。温度传感电路设计包括:正确选择合适的温度感应器以及必要的信号调节器和数字化器件产品,以便更有效地、更准确地测量温度数值。
在大多数的工业用测量控制监测体系中,温度测量传感电路的设计都是一个重要的组成部分。它广泛应用于很多特定的环境控制处理计算中。一些最常见的传感器可以用于测量绝对温度或者温度变化,例如是电阻式的温度检测器(RTD)、二极管传感器、热敏电阻传感器以及热电偶传感器等等。
在这篇文章中,我们将介绍使用这些传感器进行精密温度测量电路设计的要点。温度传感电路设计包括:正确选择合适的温度感应器以及必要的信号调节器和数字化器件产品,以便更有效地、更准确地测量温度数值。
在我们介绍温度测量系统之前,我们先来看看常见的传统温度传感器设计电路的优点及缺点。
传统热电偶传感器设计电路
热电偶传感器工作的原理是当温度不同时,两种不同成分的金属的接合点之间产生电压(或称为电动势)。一个热偶由两种不同的金属端连接而成,相连的其中一端被称为热端。另一端则被称为冷端,共同连接到温度测试电路。热端与冷端之间由于温差的差异而导致产生电动势。这种电动势可以用测量电路测量得到。图1显示的是一个基本的热电偶传感器电路。

图1:基本的热电偶传感器设计电路
热电偶传感器产生的实际电压取决于相对温度之差以及被用于组成热电偶传感器的不同的金属类型。热电偶的灵敏度和温度测量范围同样与所使用的两种金属有很大关系。在市面上有许多类型的热电偶传感器出售,它们可以根据所使用的不同金属冷热端来区分:例如,B型(铂/铑)、J型(铁/镍铜合金)、和K型(镍铬合金/铝镍合金)。大家可以根据实际应用场合选择合适的热电偶传感器器件。
热电偶传感器的主要优势是他们的鲁棒性(在异常和危险情况下系统恢复正常运转的特性)、宽温范围(零下270摄氏度到零上3000摄氏度)、响应快、封装种类多、成本较低。而它们的局限主要是精度较低和噪声较大。
电阻式温度检测传感器设计电路
电阻式温度检测传感器(RTD)的工作原理是:由于每种金属在不同温度下具有特定的和独特的电阻率特性,所以当温度变化时检测金属电阻的变化,从而得到温度测量数值。金属的电阻是和它自己的长度成正比、和截面积成反比的。这个比例数值取决于传感器本身金属材质的电阻率大小。
为了更精确的测量温度,RTD构造里金属材料的选择就成了一个比较关键的考虑因素。用于电阻式温度检测传感器的金属主要有铂、镍以及铜。在这三种材料中,金属铂制成的电阻式温度检测传感器是最精确、最可靠的。它也具有不易被污染的环境等因素影响,可保证长期稳定性和可重复性。这些电阻式温度检测传感器主要优点还有宽温范围(零下250摄氏度到零上900摄氏度)、高精度、和线性等等。其局限性则包括成本较高和响应略慢等等。
热敏电阻传感器设计电路
和电阻式温度检测传感器RTD相类似,热敏电阻传感器的工作原理也是随温度的变化,电阻阻值相应变化。只是,一般的热敏电阻都拥有一个可计算的负温度系数。热敏电阻传感器的主要优势是它们的价格低并且精度可以接受。它们的缺点是温度范围非线性。然而,鉴于当今许多微控制器芯片上都有片上闪存,可以建立一个可查询纠错的数据表来减少非线性问题带来的精度影响范围。如果需要测量的温度范围在零下100摄氏度到零上300摄氏度之内,则热敏电阻传感器仍可以作为比较可靠的和比较精密的温度测量设备。
温度测量系统
在温度监测系统中,传感器必须把温度转换成电信号,经过信号调节阶段(信号处理取决于不同的传感器),然后送到一个模拟数字转换器(ADC),进行转换得到数值。系统还需要通信外设电路来和其它大的设备接口连接以便提供反馈,或者将数值送至片上闪存来存储测量值或者进行必要的显示。图2显示了温度测量系统的基本框图。

图2:温度测量系统框图。
尽管图2显示在ADC之前进行了信号处理,是否有需要在信号转换之后进行处理还取决于是模拟系统还是数字系统。整体精度依赖于噪声控制、偏移、预处理电路及ADC所带来的增益误差。很多应用需要从远端进行实时温度数据采集,比如矿场、工业、和各种自动化场合。利用串行通信协议,如UART、I2C都可以用来给主系统控制器传输这种温度数据。
[page]
如何提高热电偶温度传感器精度
基于热电偶传感器的温控系统广泛应用于工业控制中,这是由于其很宽的温度范围的优势造成的。它的基本原理是通过测量接合点电动势来感应温度。但它需要一个假设:假定冷端是恰恰是在摄氏零度。然而,让冷端一直保持在这个温度是不切合实际的。为了实现精确测量,需要应用一种技术手段,我们可以称之为冷端补偿(CJC)。
为了进行冷端补偿,基于热电偶的精密温度测量系统里附加了一个温度传感器(安装在冷端的顶头)来测量冷端的温度。冷端的温度测量最常用的是热敏电阻传感器,因为其成本低,温度范围可以覆盖冷端温度,满足大多数应用。为了测量CJC电压、先要找冷端温度,然后检查热电偶电动势来求得温度。加上冷端电压后产生出CJC电压,其相应的温度就是实际温度。
热电偶产生的电动势只有几uV,这使它很容易受到噪声干扰。并且,在这个信号传输给模数转换器之前,它需要被放大(这同时也会增加噪声和偏移)。在精密测量中,应该去除这类噪声和偏移。我们举例来说明如何使用相关双抽样方法(CDS)消除偏移和减少低频噪声。
CDS可以在信号处理阶段减少低频噪声和偏移。首先,测量零参考偏移(两个输入都短路就可以测量到),然后测量热电偶电压。当直接用热电偶信号测量时,它包括实际热电偶电压、噪声电压、偏移量(见方程1)。零参考读数包括噪声和偏移量(见方程2)。
(方程1) VTCouple_Signal = VTC + VN + Voffset
(方程2) VZero_Ref = VN + Voffset
之前的零参考取样数值和目前零参考测量数值的关系是:
(方程3) VZero_ref_Prev = (VN + Voffset)*Z-1
那么,当前的热电偶测量值和之前的零参考电平的差是:
(方程4) Vsignal = (VTC + VN + Voffset) - (VN + Voffset)*Z-1
Voffset是静态的, 所以它当前的值和之前的取样数值是相同的。VN不是一成不变的,因为它是噪声和漂移,所以需要被去除。从当前取样值中减去前面的噪声值将会去除低频噪声。由此可见,相关的双抽样方法CDS工作起来就像是高通滤波器。EECOL_2011Mar09_DSP_TA_50.pdf
模拟数字转换器ADC的本身有一个低通滤波来去除高频噪声。然而,在模数转换器ADC输出端的IIR滤波器将有助于进一步弱化经过它或传输给模拟数字转换器ADC的噪声频带。市面上的混合信号控制器都可配置数字滤波器,它可以通过器件本身硬件处理过滤而无需在固件电路上进行过滤从而可以节省CPU周期。图3所示实现了一个基于热电偶的温度监测系统,它使用了赛普拉斯公司的PSoC5和PSoC3器件来实现。这些器件都有片上20位分辨率的delta-sigma模数转换器,都内置了可编程增益缓存用来放大信号,内置了数字滤波器??椋―FB)来滤波。它提供了一个高度集成的温度测量系统。然而,由于设计中有热电偶,所以可能需要附加一个增益段。这个增益可以通过一个放大器来实现,可以使用片上的可编程增益放大器(PGA)。

图3:基于热电偶传感器的温度测量系统电路。
在图3的系统中,模拟MUX、AMuxCDS和AMuxCDS_1是用来把传感器正端和负端输出的信号转换成模数转换器的正输入来实施相关双抽样。现在的问题是使用相同的模数转换器时如何让两个传感器电路都是一样的零参考值。答案是这样的--热敏电阻、热电偶有不同的输出电压范围,因此需要不同倍数的放大。PSoC3和PSoC5器件中的ADC有多个配置,可以改变运行时间。对于不同的增益设置,偏移也不同,所以需要两种传感器电路中都使用相关双抽样。这会帮助消除整个模拟信号链的偏移。AMux用于传感器在热电偶、热敏电阻之间的选择。直接内存访问(DMA)读取ADC值并写入数字滤波??椋―FB)来过滤噪声。
[page]
RTD和热敏电阻温度传感器设计电路
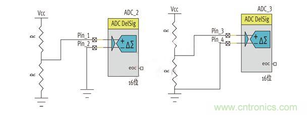
使用电阻式温度检测器(RTD)和热敏电阻测量温度时需要测量电阻,所以测量的方式决定了系统的精度。为了测量到精确的信号,应该使用差分输入而不是单端输入。差分输入可以消除普通噪声,而且效果不错,可以达到μV级的敏感度(相对于单端输入的mV灵敏度好多了)。让我们来看看两种连接-ve输入到ADC的不同模式,详见图4。

图4:两种不同的 -ve连接方式设计电路。
图4右边的电路设计好于左边的。在右面的电路中,-ve直接连接到靠近分压电阻的参考电压。右面的电路可以帮助降低测量时的噪声的和由于PCB布局或走线阻抗带来的误差等等。
基于热敏电阻的温度测量系统可以说是图3和图4的集合。现在,让我们看看使用RTD的测量系统。金属铂RTD制成的温度传感器无论从时间和温度上来说都是最精确、最稳定的,所以在精确测量的应用中使用它应该是首选。RTD上的电压降是可以测量的,和热敏电阻的测量方式一样,通常使用2线方法。连接RTD到测量系统时,要经过较长的电路,如果使用电压源作为激励的话,电路走线电阻就成为主要的测量误差源,图5则给出了2线测量电路和4线测量电路设计上的区别。

图5:2线连接和4线连接的测量电路设计。
在2线电路中,RTD的电阻(RRTD)可以按方程5测量得到。然而,如果我们看一下这个电路,还有另一个电阻Rwire,那可能会导致一个测量误差。
(方程5) RRTD = (Rref+Rwire)*( V2-V1)/(V-V2)
另一方面,在4线电路中的RTD电阻可以按照方程6计算。因为测量系统具有很高的输入阻抗, 在测控系统中没有电流,因此分压电阻节点和测量系统间的电阻是串联方式,不会有影响。RTD的电阻(RRTD)可按方程6推导出来。
(方程6) RRTD = Rref*( V2-V1)/(V4-V3)
[page]
我们再来看一下方程5和方程6。测量的准确度主要取决于Rref的精确度。为了在电压激励中克服这个问题,RTD使用恒流源来代替电压源。当使用恒流源时,穿过RTD的电压降只取决于其电阻值和恒流源值。然而,使用恒流源励磁时测量的准确度取决于电流源的精确度。由于是进行精密的温度测量工作,DAC电流应该被TIA校准。图6显示了使用PSoC3和PSoC5器件实现的一个基于RTD的温度测量系统。这些器件有片上电流源,不需要额外增加模拟放大器电路。同时,这些设备有片上TIA可以用于为IDAC校准。

图6:基于电阻式温度检测器RTD的温度测量设计电路
下面我们总结一下进行精密温度测量电路设计的基本要点:
1.根据应用选择恰当的传感器。
2.CDS有助于进行准确的感测器的读数,避免偏移误差,消除低频噪声。
3.对于热电偶系统,可以用滤波器来清除噪声。
4.电流励磁系统可以通过消除电路中不准确的参考电阻来提高准确度。
5.如果使用电压激励,应该使用4线测量系统。
6.系统的整体精度取决于信号链的准确度和精率。因此,建议使用高精度高分辨率的Delta sigma 模拟数字转换器ADC。
7.为了适应环境的变化,而又能保证精度,建议使用基于混合信号的实现方式。
温度传感电路部分是许多工业系统或嵌入式设计的重要组成部分。我们已经讨论了在准确读取传感器值时所面临的各种各样的挑战,以及如何使用精确模拟技术来提高精度。这些是通用的技术,它同样适用于其他传感器接口电路。



