- 电容式触摸屏的控制器电路设计
- 触摸屏激励信号源介绍
- 触摸电流处理电路介绍
- 自动调零电路介绍
- 通讯接口介绍
摘要:该文介绍一种适用于电容式触摸屏的控制器电路,该控制器由8751单片机系统及相应的触摸感应电路组成,阐明了电容式触摸屏的结构和控制器的硬件电路及各部分的功能,以及确定触摸位置坐标的原理与方法。利用该控制器可以获得手指在屏上触摸的位置和触摸轻重度信息,通过串行口或并行口将信息传送给计算机,基于这些信息可以设计用户应用程序。该控制器电路及相应的控制软件已全部实现。
计算机触摸屏是一种显著改善人机操作界面的输入设备,具有直接、简单、快捷的优点,在各个领域中有着广泛的应用前景,尤其适用于计算机屏幕菜单式问答系统,例如工业控制监控、军事指挥、商场导购、宾馆功能介绍、各种咨询系统等。目前国外触摸屏有电容式、电阻式和红外式之分。由于电容式触摸屏具有数据连续、分辨率高、屏结构简单、内藏式等优点,可以不改变原计算机结构,因而获得广泛应用。触摸屏是履盖在计算机显示终端上的玻璃屏,透过玻璃屏能看到显示屏上的图象。电容式触摸屏是在玻璃屏上喷涂某种金属氧化物薄膜,如可使用铟锡氧化物。在触摸屏的四周边缘上安排有若干电极,使得交流电能够较均匀地在一个方向上流过整个触摸屏,其结构如图1 所示。触摸屏每一边可安排5个或6 个电极,以适合 14″ 、17″ 等不同触摸屏的需要。当用手指触摸玻璃屏某一位置时,使用者的体电容加到电路中,引起电极之间电容的变化。为了感应电容值的变化,并确定手指触摸的位置,必须设计1 个能与主机CPU 通讯的控制器。为此笔者研制了适用于电容式触摸屏的控制器。本文主要介绍该控制器的硬件组成、各部分功能以及确定触摸位置的原理和方法。

图1 电容式触摸屏结构
Fig. 1 St ructure of capacitive touch panel
1 触摸屏控制器电路及其功能
触摸屏控制器总体结构如图2 所示??刂破鞯乃惺毙蚨加傻テ刂?,各部分功能叙述如下。

图2 触摸屏控制器总体框图
Fig. 2 General diagram of controller for touch panel
Fig. 2 General diagram of controller for touch panel
1. 1 触摸屏激励信号源
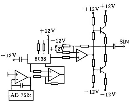
控制器的激励信号源如图3 所示。信号由函数信号发生器8038 产生,它能够输出正弦波和方波,正弦波用作触摸屏的激励信号。单片机通过 8 位 D/ A 转换器可控制8038 的振荡频率,一般控制在200 kHz 左右,以避开计算机显示器扫描信号产生的干扰。同时,由8038 产生的方波信号提供给模拟解调器,作为解调信号参考源。由于8038输出的正弦波信号功率有限,为此在8038的正弦波信号输出端增加了功率放大电路。

图3 控制器的激励信号源
Fig. 3 Excitat ion signal sour ce in cont roller
Fig. 3 Excitat ion signal sour ce in cont roller
1. 2 触摸电流处理电路
触摸电流处理电路如图4 所示。假设在没有触摸时,调零电路已使变压器次级中心抽头上的电流为零。当有触摸时,将使中心抽头上的电流产生变化,其波形为经信号激励源频率X0 调制的信号。如果在位置坐标为X、Y的点上进行触摸,则中心抽头电流通过模拟解调器解调输出,并由低通滤波器滤波后,可得到与坐标X、Y及触摸轻重度Z 相对应的触摸电流i X、iY、iZ。
由于测量值的变化范围较宽,如果简单地将其信号放大后,接入 A/ D 转换器ADC1001,将使其位置测量精度大大下降。为此使用了积分器,使其输出的电压与t XiX、tYiY、tZi Z 相对应,其中,tX、t Y、t Z 为积分因子,对应的积分时间由单片机控制模拟开关的开通时间来实现,这样就能适合于测量值的变化。
1. 3 自动调零电路
在没有触摸的情况下,由于元器件的误差等原因,变压器次级中心抽头上的电流不一定为零,从而引起测量误差,为此本控制器设置了自动调零电路,如图5 所示。该电路将12 位D/ A 转换器DAC1230 的输出,通过电容耦合到SIG-信号上,使得变压器次级中心抽头上的电流调整为零。
[page]图4 触摸电流处理电路
Fig. 4 Touch current pr ocessing circuit
Fig. 4 Touch current pr ocessing circuit
1. 4 通讯接口
电容式触摸屏控制器设置了串行接口和并行接口,将测量计算得到的位置坐标数据传送给计算机。串行接口为RS - 232 标准接口,可通过拨码开关进行设置:波特率为1200、9 600 或19 200; 进行奇/偶校验或不校验; 采用二进制码或ASCⅡ码通讯。并行接口为CENTRONICS标准接口。由拨码开关还可设置4 种数据发送模式: 连续模式、增量模式、按下发送模式和放开发送模式。
2 触摸屏扫描模式和触摸位置的确定
在图1 所示的触摸屏上,如果在 P 点触摸,为了确定触摸坐标X、Y及触摸的轻重度,必须设计适当的扫描模式,使得激励信号SIG+和SIG-按预先安排好的时序分别作用于触摸屏的各边电极上,依次形成各方向的触摸电流。扫描时序由控制器中的单片机通过多路开关进行控制。本控制器设计了4 种扫描模式。第 1种模式为将SIG+加到触摸屏的左边电极上,SIG-
加到触摸屏的右边电极上,触摸屏的上边和下边电极全部开路,这样在触摸屏的X 方向上建立了交流电压梯度,经解调器解调和滤波后,可得到X 方向上的触摸电流为iX= KXXV/ Zf ,其中,V为变压器次级对于中心抽头虚地的电压,KX 为常量,V/ Zf 为电路等价阻抗触摸电流。第2 种模式为将SIG+加到触摸屏的左边电极上,同时也加到触摸屏的右边电极上,这时在X 方向上建立了均匀的交流电压。如果在触摸屏上任意一点进行触摸,则经解调器解调和滤波后,得到其触摸电流为i ZX= KZXV/ Zf ,其中,KZX为常量。由iX 和iZX得X 方向的触摸位置坐标为X= (KZX/ KX)·( iX/ i ZX ) ,式中,iX、iZX在以上2 种扫描模式下测得,而常量KZX/ KX 可由实验确定。一旦确定了KZX / KX,就可计算出X 方向的任意触摸位置坐标X。同样,第3 种模式是将SIG+和SIG-分别加到触摸屏的上边电极和下边电极上,即可得到Y方向上的触摸电流为i Y= KYYV/ Zf ,其中,KY 为常量。第4种模式是同时将SIG+加到触摸屏的上边电极和下边电极上,得等价阻抗触摸电流为 iZY= KZYV/ Zf ,其中,KZY为常量。也可由 iY 和 iZY得Y 方向的触摸位置坐标为 Y=(KZY/ KY) ( i Y/ i ZX) ,其中,常量KZY/ KY 同样可由实验确定。
触摸坐标的计算由单片机软件实现。在测量触摸位置坐标的同时,也得到了触摸轻重度
的信息,该信息可用于设置触摸轻重度的阈值或唤起一个应用程序。
3 结语
本文给出了电容式触摸屏控制器的硬件线路,该控制器电路已全部实现。通过硬件线路
设计及相应软件的配合,在触摸同一点的重复精度与触摸灵敏度上得到用户认可,达到了预
想的技术要求,有关控制器的软件部分将另文论述。




