【导读】在一个射频通信系统中,噪声,尤其是信噪比(SNR),是无线接收机中的一个基本问题。高噪声电平会限制系统的容量、覆盖范围,以及许多对系统运营商和终端用户都有重大影响的相关特性。射频通信接收机是射频电路中比较重要的一部分,射它能在频信号经天线接收后,经过相关滤波器和放大器,将射频信号进行一系列的频率变化,最终将信号调节成所需要的调制信号。
在一个射频通信系统中,噪声,尤其是信噪比(SNR),是无线接收机中的一个基本问题。高噪声电平会限制系统的容量、覆盖范围,以及许多对系统运营商和终端用户都有重大影响的相关特性。射频通信接收机是射频电路中比较重要的一部分,射它能在频信号经天线接收后,经过相关滤波器和放大器,将射频信号进行一系列的频率变化,最终将信号调节成所需要的调制信号。
超外差接收机
超外差结构能提供非常好的性能,但这种结构需要大量分离元件,像滤波器等。这种结构无法单芯片集成实现,因此出现了零中频,低中频接收机结构。超外差接收机自从1917首次出现以来一直作为接收机设计的主要结构。直到2000,出现了零中频接收机,这种接收机结构适合完全集成实现。

图1 一级混频的超外差结构
图1所示为单级混频的超外差结构,混频器利用本振信号将RF信号下变频到IF频率。超外差结构由以下??樽槌桑菏淙氪瞬ㄆ?,低噪声放大器,镜像抑制滤波器,混频器,中频滤波器,AD。
输入带通滤波器通常用于抑制带外干扰信号,防止带外强干扰信号阻塞低噪声放大器。通常输入带通滤波器带宽比较宽,由多个信道组成。镜像滤波器用于抑制镜像频率,关于镜像滤波器我们下面会做详细介绍?;炱抵蟮腎F带通滤波器决定了接收机的通道选择性,用于抑制邻道信号功率,同时IF带通滤波器也通常作为AD前端的抗混叠滤波器。
零中频接收机
超外差接收机需要解决的主要问题就是镜像频率抑制问题。而零中频接收机通过将信号直接转换到基带(0Hz),从而克服了镜像抑制问题。其结构如下:

图2 零中频接收机结构
零中频接收机本振频率(LO)和射频信号频率(RF)相等,镜像频率也就是信号频率本身。不存在镜像频率干扰的问题,原超外差接收机结构中的镜像抑制滤波器及中频滤波器都可以省略。这样一方面取消外部元件,有利于系统的单芯片实现。
如图2所示,混频器后面是一个模拟低通滤波器,该滤波器作为通道选择滤波器和AD前端的抗混叠滤波器。如果接收机的通道选择性完全由该滤波器实现,那么要求该滤波器的截止频率为信号带宽的一半,以有效抑制邻道和更远端的信道干扰。
由于该滤波器工作在低频,因此可以用有源模拟滤波器实现,注意上下两个分支幅度响应匹配。有源模拟滤波器相对于超外差接收中的无源中频滤波器输入动态范围有限,并且阻带衰减有限。
零中频接收机结构虽然减小镜像信号抑制问题,但同时带来了其他问题。这些问题主要是由于输入信号的放大组要集中在基带。这些问题包括:
接收机的偶次非线性失真
本振泄露和直流偏置
直流偏置
Flicker噪声
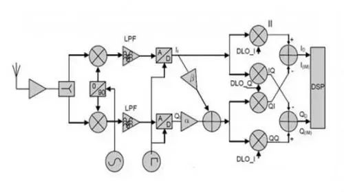
低中频接收机
低中频接收机尝试解决零中频接收机的直流偏置及flicker噪声问题,但同时保持零中频接收机的高集成性。很多无线标准要求邻道干扰的抑制度相对于其他信道的干扰要相对较弱。低中频接收机充分利用这样的规定,选择合适的中频频率将邻道信号作为其镜像信号。

图3 低中频接收机结构
信号经过第一级混频,输出低中频信号。I,Q两路信号经过低通滤波器(抗混叠滤波器),然后抽样。正如前面提到的,由于I,Q两路幅度和相位不匹配,很难获得超过40dB的镜像抑制比。如果不进行较正,通过能过获得25dB到35dB的镜像抑制比。如图所示,AD后面有两个放大器和加法电路组成的校正支路,通过这个支路可以显著提高镜像抑制比。
三种接收机的比较
今天比较三种常用接收机架构的优势和挑战——外差接收机、直接采样接收机和直接变频接收机。我们的意图并非要褒扬某种方案而贬抑其他方案,相反,本文旨在说明这些方案的优点和缺点,并鼓励大家按照工程准则选择最适合特定应用的架构。
外差接收机
外差方法久经检验,性能出色。实施原理是混频到中频 (IF)。IF需选择足够高的频率,使得实际滤波器在工作频段中能够提供良好的镜像抑制和LO隔离。当有超高动态范围ADC可用时,增加一个混频级以降低频率也很常见。此外,接收机增益分布在不同的频率上,这使得高增益接收机发生振荡的风险非常小。通过适当的频率规划,外差接收机可以实现非常好的杂散能量和噪声性能。

遗憾的是,这种架构是最复杂的。相对于可用带宽,其需要的功耗和物理尺寸通常是最大的。此外,对于较大分数带宽,其频率规划可能非常困难。在当前追求小尺寸、低重量、低功耗(SWaP) 并希望获得宽带宽的背景下,这些挑战难度很大,导致设计人员不得不考虑其他可能的架构选项。
优势
经过验证、可信赖
高性能
最优杂散噪声
高动态范围u EMI抗扰度佳
挑战
SWaP
滤波器数量多
直接采样
直接采样方法已被业界追求许久,其障碍在于很难让转换器工作于直接射频采样所需的速率并且实现大输入带宽以及实现大输入带宽。

在这种架构中,全部接收机增益都位于工作频段频率,如果需要较大接收机增益,布局布线必须非常小心。如今,在L和S波段的较高奈奎斯特频段,已有转换器可用于直接采样。业界在不断取得进展,C波段采样很快就会变得实用,后续将解决X波段采样。
优势
无混频
在L、S波段具有实用性
挑战
ADC输入带宽
在感兴趣的频率范围内增益不平坦
直接变频
直接变频架构对数据转换器带宽的使用效率最高。数据转换器在第一奈奎斯特频段工作,此时性能最优,低通滤波更为简单。两个数据转换器配合工作,对I/Q信号进行采样,从而提高用户带宽,同时又不会有交织难题。

对于直接变频架构,困扰多年的主要挑战是维持I/Q平衡以实现合理水平的镜像抑制、LO泄漏和直流失调。近年来,整个直接变频信号链的先进集成加上数字校准已克服了这些挑战,直接变频架构在很多系统中已成为非常实用的方法。
优势
最大ADC带宽
宽带选项最简单
挑战
镜像抑制:I/Q平衡
带内IF谐波
LO辐射
EMI抗扰度(IP2)
DC和1/f噪声
下图显示了三种架构的框图和频率规划示例。

图a为外差接收机示例,高端LO将工作频段混频到ADC的第二奈奎斯特区。信号进一步混叠到第一奈奎斯特区进行处理。
图b为直接采样接收机示例。工作频段在第三奈奎斯特区进行采样并混叠至第一奈奎斯特区,然后将NCO置于频段中心,数字下变频到基带,再进行滤波和抽取,数据速率降低到与通道带宽相称的水平。
图c为直接变频接收机示例。双通道ADC与正交解调器对接,通道1对(同相) I信号进行采样,通道2对Q(正交)信号进行采样。
采用分立实施方案时,直接变频架构的镜像抑制挑战可能相当难以克服。通过提高集成度并结合数字辅助处理,I/Q通道可以很好地匹配,从而大幅改善镜像抑制?!?/p>
免责声明:本文为转载文章,转载此文目的在于传递更多信息,版权归原作者所有。本文所用视频、图片、文字如涉及作品版权问题,请联系小编进行处理。
推荐阅读:




