桃花源qm花论坛(品茶),凤楼阁论坛官网入口网址,一品楼品凤楼论坛最新动态,风楼阁全国信息2024登录入口

你的位置:首页 > RF/微波 > 正文

带可调输出共模的多功能、精密单端转差分电路提升系统动态范围

发布时间:2020-04-02 来源:Darwin Tolentino 和 Sandro Herrera 责任编辑:wenwei

【导读】差分信号适合于需要大信噪比、高抗扰度和较低二次谐波失真的电路,例如高性能ADC驱动和高保真度音频信号处理等应用?!赌D舛曰啊吩毓黄喙匚恼?mdash;—"多功能、低功耗、精密单端差分转换器"1,其中介绍了一种有很大改进的单端转差分电路,它具有很高输入阻抗,最大输入偏置电流为2 nA,最大失调 (RTI) 为60 μV,最大失调漂移为0.7 μV/°C。性能改进是通过在反馈环路中将OP1177与差分增益为1的AD8476级联而实现的。
 
带可调输出共模的多功能、精密单端转差分电路提升系统动态范围
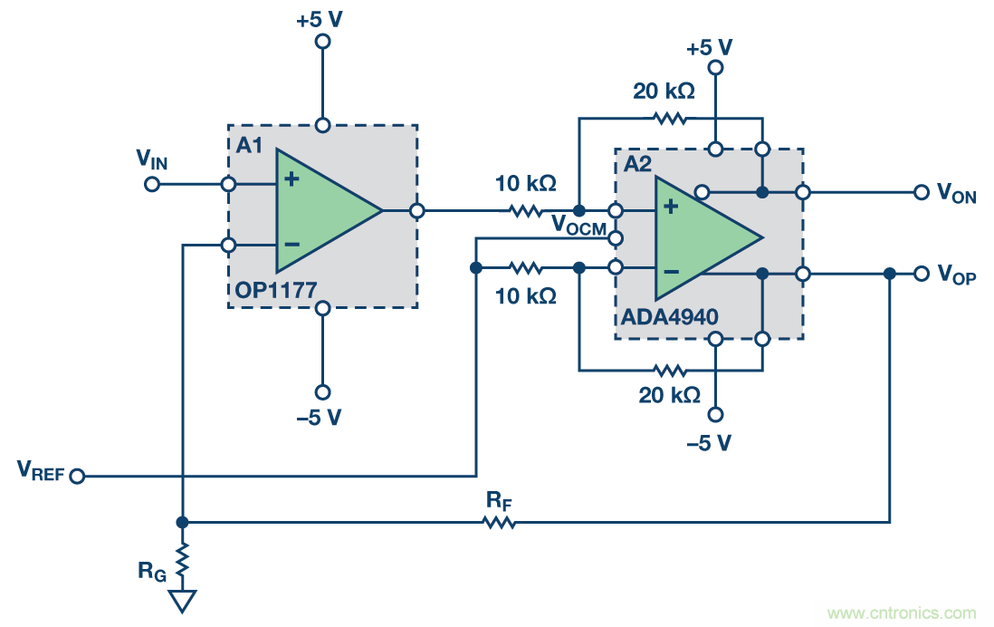
图1. 改进的单端转差分电路
 
然而,许多应用需要更大的输出动态范围,例如温度和压力传感器输出的信号调理等。如果还能调节共模,那么该电路将能非常方便地与许多ADC接口,其基准电压决定满量程范围。
 
带可调输出共模的多功能、精密单端转差分电路提升系统动态范围
图2. 具有改进动态范围的单端转差分电路
 
将环路内部差分放大器的增益配置为大于1的值,可提高电路的输出动态范围(图2)。输出通过下式计算:
 
带可调输出共模的多功能、精密单端转差分电路提升系统动态范围
 
其中RG保持开路,电路的总增益为2。A1 (OP1177) 的输出通过下式计算:
 
带可调输出共模的多功能、精密单端转差分电路提升系统动态范围
 
注意:VREF始终增加到OP1177的输出上,从而会限制其输出裕量。多数应用中,VREF(输出共模)设置在电源的中点,以提供最大输出动态范围?;仿纺诓吭鲆娲笥?的差分放大器,例如2中的ADA4940(增益为2),可降低A1输出电压,降低倍数为A2的差分增益,这样便有助于避免图A1输出饱和。采用±5 V电源时,OP1177的典型输出摆幅为4.1 V,因此,当VREF设置为0时,图2所示电路的差分输出电压摆幅约为±8 V。将A2增益配置为3可进一步改善输出动态范围,实现电路的最大输出摆幅。另一个可用增益为1、2和3的放大器ADA4950,也适合用作A2。
 
可调输出共模
 
可以修改电路,使输出共模可调且独立于输入信号的共模。对于输入以地为基准且需要转换为具有高共模的差分信号以与ADC接口的单电源应用,这样做可带来极大的灵活性和便利。
 
实现方法是在输入端增加两个电阻R1和R2,R2连接到VOCM。若需要,可以使用输入放大器A1的双通道版本OP2177,对于非常低的输入偏置电流,可将第二放大器用作输入缓冲器。
 
带可调输出共模的多功能、精密单端转差分电路提升系统动态范围
图3(a) 改进的单端差分转换器,具有可调共模。
 
带可调输出共模的多功能、精密单端转差分电路提升系统动态范围
图3(b) 输入和输出图,红线为VOP,黄线为VON,蓝线为输入。共模为0V。
 
带可调输出共模的多功能、精密单端转差分电路提升系统动态范围
图3(c) 输入和输出图,红线为VOP,黄线为VON,蓝线为输入。共模为2.5 V。
 
在图1所示电路中,输入以VREF为基准。参见图3所示电路,输入以地为基准,直接获取后转换为差分输出。现在可以调节VOCM以使共模输出偏移,而输入仍然以地为基准。VOCM可以设为基准电压源的一半或转换器的中间电平。VOCM基本上像VIN一样,用作另一个输入。所选电阻值应满足下式:
 
带可调输出共模的多功能、精密单端转差分电路提升系统动态范围
 
通过叠加,当VIN为0时,输出值与VOCM相同。由于VOCM是设置输出共模的值,因此差分输出为0。若R1 = RG且R2 = RF,则输出电压由下式给出:
 
带可调输出共模的多功能、精密单端转差分电路提升系统动态范围
 
带宽和稳定性
 
两个放大器构成一个伺服环路配置的复合差分输出运算放大器。OP1177/OP2177的开环增益和ADA4940的差分增益合并,得到电路的总开环增益,其定义电路的总带宽。其极点的合并则使环路的相移增加。A2使用较高增益时,会降低其带宽,并可能影响电路整体的稳定性。电路设计人员须检查电路整体的频率响应,评估是否需要补偿。为了确保反馈系统的稳定性,经验法则是随频率而变化的合并开环增益必须以–20 dB/十倍频程的滚降速率跨过单位增益。这在最小增益(2倍增益)的应用中更为重要,因为环路增益处于最大值,相位裕量最差。提高总增益,从而减小带宽并增加反馈环路的相位裕量,也能改善稳定性。因为环路增益减小,它会在较低的频率跨过单位增益?;仿吩鲆嬗上率郊扑悖?/div>
 
带可调输出共模的多功能、精密单端转差分电路提升系统动态范围
 
反馈系数β中有一个1/2 ,这 是因为输出为差分,而反馈仅从差分输出之一中获得。ADA4940在2倍增益时的带宽为50 MHz,而OP1177的单位增益带宽约为4 MHz。受限于OP1177和闭环增益,图3所示电路在带宽约为1 MHz时可稳定工作。如之前文章中所指出的,当使用差分放大器无法满足稳定性条件时,可以使用一个限带电容,如图3(a)所示。该电容与反馈环路内部的 RF形成一个积分器,将电路整体的带宽限制为:
 
带可调输出共模的多功能、精密单端转差分电路提升系统动态范围
 
可以适当选择电容和反馈电阻,使总带宽受上式限制。
 
参考电路
 
1Herrera, Sandro and Moshe Gerstenhaber. "多功能、低功耗、精密单端差分转换器.模拟对话,第46卷,第4期。
 
 
推荐阅读:
 
检测并区分心脏起搏伪像
看懂MOSFET数据表,第2部分—安全工作区 (SOA) 图
使用3端子贯通滤波器的电源线辐射噪音对策
多功能低功耗精密单端转差分转换器
贸泽电子与Zipcores签署全球分销协议
要采购转换器么,点这里了解一下价格!

关闭

?

关闭