【导读】天线阵列和滤波器常常通过改变钛酸钡锶(BST)电容上的电压来进行调谐。将这种铁电材料应用于电容时,只需施加一个电压,即可导致其晶体结构发生细小的变化,从而改变其介电常数,电容值因而随之改变。相比于传统的变容二极管,电子可调谐BST电容能够处理更高的功率和更大的信号幅度。
在典型应用中,调谐电容可补偿器件容差,调整滤波器的截止频率,或者匹配可调谐天线的网络阻抗。BST电容的调谐是通过施加0 V至30 V的电压来实现。现代电子器件所用的电源电压呈现越来越低的趋势,3.3 V、2.5 V甚至1.8 V电源已成为常用电源,尤其是在电池供电的应用中。如果仅仅针对这一功能而增加一个单独的电源,尽管可以获得调谐的好处,但并不总是值得这样做。因此,需要一种简便的方法来产生所需电源。
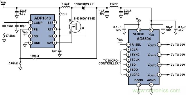
以此应用为例,假设电源电压为3 V,但为了完全控制BST电容,需要20 V以上的电压。两个主要电路??榉直鹗巧?a target="_blank" style="text-decoration:none;" >开关转换器ADP1613和高压DAC AD5504。图1所示电路可产生高达30 V的DAC输出电压。DAC输出设置BST电容的偏置电压,从而调整天线响应。

图1. 升压电源和高压DAC为BST电容提供调谐信号
AD1613是一款升压DC-DC开关转换器(图4),集成了功率开关,能够提供高达20 V的输出电压。通过使用外部器件,它可以输出更高的电压。如图所示,ADP1613从3 V输入产生32 V输出。 ADIsimPower™工具可以帮助设计人员根据输入要求轻松确定适当的器件。
ADP1613的32 V输出为四通道12位高压DAC AD5504(图5)供电,而该DAC的四路输出各自可以提供最高60 V的电压。R_SEL 引脚上的电压决定其满量程输出。在此应用中,R_SEL连接到VDD,从而将满量程输出设置为30 V。DAC寄存器通过3 V兼容串行接口进行更新。利用脉冲将负载引脚(LDAC)拉低,可以同时更新所有四个DAC,因此可以同时改变四个BST电容。
图2所示为一个用作可调谐匹配网络的BST电容的等效电路。图3显示了BST电容与电压的传递函数以及天线响应。BST电容可以从Agile RF等供应商处购得。

图2. BST电容等效电路

图3. 偏置电压与BST电容的关系以及相应的天线响应

图4. ADP1613功能框图

图5. AD5504功能框图
诸如图1所示的电路对目前正受到两种对立要求夹击的新一代移动电话有利。一方面一如既往地需要减小尺寸和功耗,而另一方面又需要提高性能,以便通过在更小的体积中安装更多天线和无线电系统来利用更多的频段。就体积和效率而言,天线设计人员渐已达到物理设计的极限,一旦缩小天线体积,效率即会下降??傻餍程煜呓饩隽硕嗥刀?、多模式手机中的这一问题,并且能够扩展手机的工作频率范围,例如从美国GSM850切换到欧洲GSM900,同时尺寸和效率保持不变。在多用途设备中,发送短信、通话或浏览网络会涉及到不同的头部和手部位置,这会给天线提供不同的负载阻抗,导致天线失谐和信号质量下降??傻餍匙杩蛊ヅ渫缭蚰芨萏跫浠婊Ρ?,恢复失谐的信号。
升压DC/DC开关转换器工作频率为650 kHz/1300 kHz
ADP1613 升压转换器采用2.5 V至5.5 V单电源供电,却能够提供150 mA以上的电流和高达20 V的电压。通过将一个2 A、0.13 ?功率开关与一个电流模式脉宽调制调节器集成在一起,其输出随输入电压、负载电流和温度变化而改变的幅度不到1%。工作频率可通过引脚选择,并可通过优化实现高效率或最小外部元件尺寸:650 kHz时,其效率可达到90%;1.3 MHz时,其电路能够以最小空间实现,因而非常适合便携式设备和液晶显示器中的空间受限环境??傻魅砥舳缏房山擞康缌鹘抵磷钚?,从而确保安全、可预测的启动条件。ADP1613在开关状态下的功耗为2.2 mA,在非开关状态下的功耗为700 μA,而在关断模式下的功耗为10 nA。它采用8引脚MSOP封装,额定温度范围为–40°C至+85°C,千片订量报价为0.70美元/片。
四通道12位DAC提供高压输出
四通道12位高压DAC AD5504 提供引脚可选的0 V至30 V或0 V至60 V输出范围。该器件功能完整,内置精密基准电压源、温度传感器、四个双缓冲DAC和四个高压放大器。上电时,数字部分使能并设置为已知状态,模拟部分则保持禁用状态,n power-up, the dig直到通过SPI端口发出上电命令。如果芯片温度超过110°C,温度传感器将断开模拟输出,并设置一个报警标志。在30 V模式下,AD5504的最大微分非线性(DNL)额定值为1 LSB,而最大积分非线性(INL)额定值为3 LSB。它采用10 V至62 V和2.3 V至5.5 V电源供电,正常模式下的功耗为2 mA,而掉电模式下的功耗为30 μA。它采用16引脚TSSOP封装,额定温度范围为–40°C至+105°C,千片订量报价为9.92美元/片。
推荐阅读:




