桃花源qm花论坛(品茶),凤楼阁论坛官网入口网址,一品楼品凤楼论坛最新动态,风楼阁全国信息2024登录入口

你的位置:首页 > RF/微波 > 正文

复数RF混频器、零中频架构及高级算法: 下一代SDR收发器中的黑魔法

发布时间:2018-03-30 来源:Dave Frizelle 和 Frank Kearney 责任编辑:wenwei

【导读】复数混频器、零中频架构和高级算法开发之间存在一种有趣的联系。本文旨在明确以上三者各自的基本概念,即工作原理以及它们给系统设计带来的价值,并阐述它们之间的相互依赖关系。
 
简介
 
复数混频器、零中频架构和高级算法开发之间存在一种有趣的联系。本文旨在明确以上三者各自的基本概念,即工作原理以及它们给系统设计带来的价值,并阐述它们之间的相互依赖关系。
 
RF工程常被视为电子领域的黑魔法。它可能是数学和力学的某种奇特组合,有时甚至仅仅是试错。它让许多优秀的工程师不得其解,有些工程师仅了解结果而对细节毫无所知。现有的许多文献往往不建立基本概念,而是直接跳跃到理论和数学解释。
 
复数RF混频器揭秘
 
图1是采用上变频器(发射机)配置的复数混频器原理图。两条并行路径各有独立混频器,一个公共本振向这些路径馈送信号,本振与其中一个混频器的相位相差90°。两个独立输出随后在求和放大器中求和,产生所需的RF输出。
 
复数RF混频器、零中频架构及高级算法: 下一代SDR收发器中的黑魔法
图1. 复数发射机基本架构
 
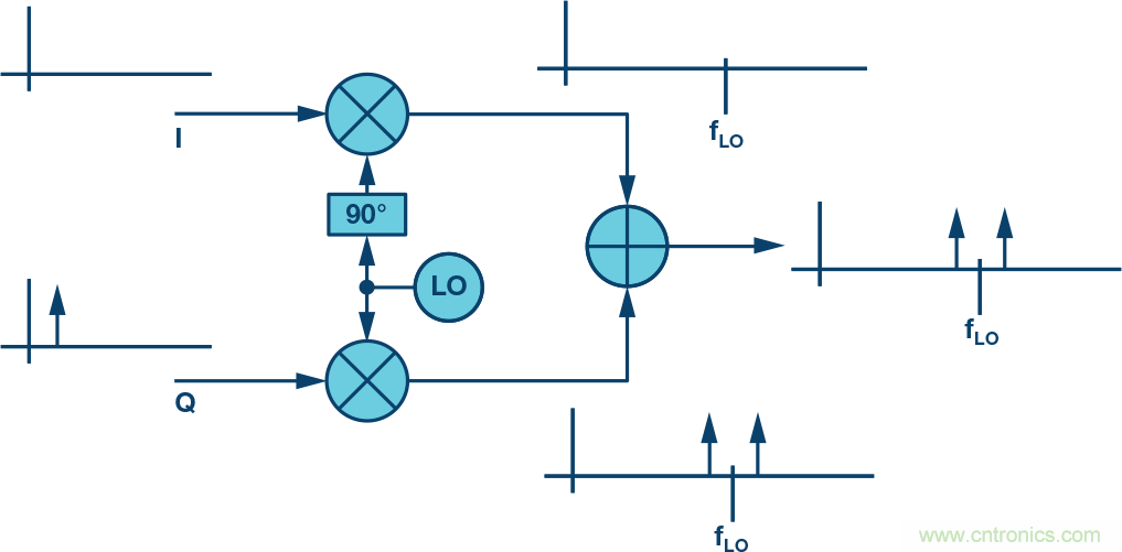
该配置有一些简单但非常有用的应用。假设仅在I输入上馈送一个信号音,而不驱动Q输入,如图2所示。假定I输入上的信号音频率为x MHz,则I路径中的混频器产生LO频率±x的输出。由于没有信号施加于Q输入,此路径中的混频器产生的频谱为空,I混频器的输出直接成为RF输出。
 
复数RF混频器、零中频架构及高级算法: 下一代SDR收发器中的黑魔法
图2. I路径分析
 
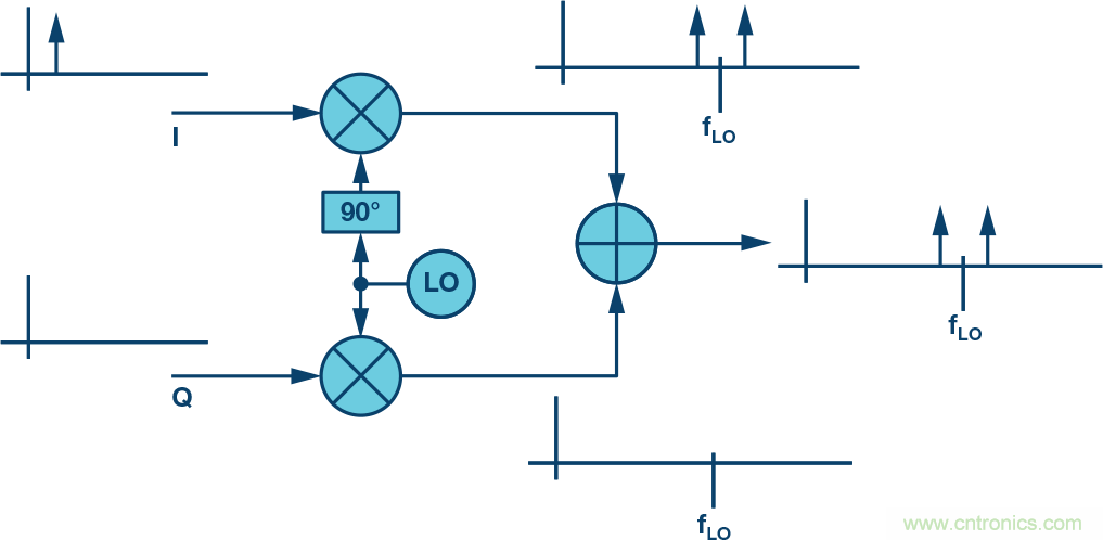
或者,假设仅向Q输入施加一个频率为x的信号音。Q混频器进而产生信号音为LO频率±x的输出。由于没有信号施加于I输入,其混频器输出静音,Q混频器的输出直接成为RF输出。
 
复数RF混频器、零中频架构及高级算法: 下一代SDR收发器中的黑魔法
图3. Q路径分析
 
乍看起来,图2和图3的输出似乎完全相同。但实际上,二者有一个关键差异,那就是相位。假设将相同信号音同时施加于I和Q输入,并且输入通道之间存在90°相移,如图4所示。
 
复数RF混频器、零中频架构及高级算法: 下一代SDR收发器中的黑魔法
图4. 同时施加I和Q信号的路径分析
 
仔细审视混频器输出,我们观察到:LO频率加输入频率的信号是同相的,但LO频率减输入频率的信号是异相的。这导致LO上侧的信号音相加,而下侧的信号音相消。没有任何滤波,我们便消除了其中一个信号音(或边带),产生的输出完全位于LO频率的一侧。
 
在图4所示例子中,I信号比Q信号超前90°。如果变更配置使得Q信号比I信号超前90°,那么可以预期会有类似的相加和相消,但在这种情况下,所有信号将出现在LO的下侧。
 
复数RF混频器、零中频架构及高级算法: 下一代SDR收发器中的黑魔法
图5. 信号音位置取决于I和Q的相位关系
 
上面的图5显示了一个复数发射机的实验室测量结果。左边显示的是I比Q超前90°的测试案例,其导致输出信号音位于LO的上侧。图5右边显示了相反的关系,即Q比I超前90°,由此得到的输出信号音位于LO下侧。
 
理论上应当可以让全部能量仅落在LO的一侧。然而,如图5中的实验室测量结果所示,在实践中完全相消是不可能发生的,有一些能量会留在LO的另一侧,这就是所谓镜像?;褂ψ⒁?,LO频率的能量也是存在的,称为LO泄漏或LOL。结果中还可以看到其他能量—这些是所需信号的谐波,本文不予以讨论。
 
为了完全消除镜像,I和Q混频器输出的幅度必须完全一致,而在LO镜像侧上彼此之间的相位恰好相差180°。如果不能满足上述相位和幅度要求,那么图4所示的相加/相消过程就会不太理想,镜像频率的能量仍会存在。
 
影响
 
采用常规单混频器架构时,产生LO±产物。发射之前需要消除其中一个边带,通常是通过增加带通滤波器来消除。滤波器的滚降频率必须适当,使其既能消除不需要的镜像信号,又不会影响需要的信号。
 
复数RF混频器、零中频架构及高级算法: 下一代SDR收发器中的黑魔法
图6.单混频器镜像滤波器要求
 
镜像和所需信号之间的间隔会直接影响到对滤波器的要求。如果间隔较大,可以使用滚降较缓的简单低成本滤波器。如果间隔较窄,设计必须实现具有陡峭响应的滤波器,通常采用多极点或SAW滤波器。因此可以说,镜像和所需信号之间必须保持适当的间隔,以便可以滤除镜像而不影响所需信号;该间隔与滤波器的复杂度和成本成反比。此外,如果LO频率可变,滤波器必须可调谐,这会进一步增加滤波器的复杂度。
 
镜像和所需信号之间的间隔由施加于混频器的信号决定。图6中的例子显示一个与DC相距10 MHz的10 MHz带宽信号。相应的混频器输出将镜像置于与所需信号相距20 MHz的地方。这种配置中,为在输出端实现10 MHz的所需信号频谱,必须让一条20 MHz基带信号路径连接到混频器。10 MHz的基带带宽未使用,混频器电路的数据接口速率高于必要水平。 
 
回到图5所示的复数混频器,我们知道其架构消除了镜像而无需外部滤波。而且,在零中频架构中可以优化效率,使得信号路径处理带宽等于所需信号带宽。图7所示的概念图说明了其实现原理。如上所述,如果I比Q超前90°,则仅LO上侧会有输出。如果Q比I超前90°,则仅LO下侧会有输出。因此,如果产生两个独立基带信号,其中一个设计成仅产生上边带输出,另一个设计成仅产生下边带另一个设计成仅产生下边带输出,那么可以在基带中将其相加并施加于复数发射机。结果将是具有不同信号的输出出现在LO上侧和下侧。在实际应用中,组合基带信号以数字方式产生。图7所示求和节点仅是为了说明此概念。
 
复数RF混频器、零中频架构及高级算法: 下一代SDR收发器中的黑魔法
图7.零中频复数混频器架构
 
零中频红利
 
利用复数发射机产生单边带输出具有相当大的好处,可减少为消除镜像所需要的RF滤波。然而,如果镜像相消性能足够好,使得镜像可忽略不计,那么可以使用零中频模式来进一步发挥该架构的优势。零中频允许我们使用特别创建的基带数据来产生RF输出,从而在LO两侧出现相互独立的信号。图8显示了这是如何实现的。我们有两组相互独立的I和Q数据,用符号数据编码,接收机可以根据基准载波的相位进行解码。
 
复数RF混频器、零中频架构及高级算法: 下一代SDR收发器中的黑魔法
图8.深入考察零中频复数混频器配置中的I/Q信号
 
初始观测显示:Q1比I1超前90°,二者的幅度一致。类似地,I2比Q2超前90°,其幅度同样一致。将这些独立信号合并,使得I1 + I2 = SumI1I2,Q1 + Q2 = SumQ1Q2。相加后的I和Q信号不再表现出相位和幅度相关性—其幅度在所有时候都不相等,二者之间的相位关系不断变化。所得的混频器输出将I1/Q1数据置于载波的一侧,将I2/Q2数据置于载波的另一侧,如上所述及图7所示。
 
通过将彼此相邻的独立数据块置于LO的任一侧,零中频使复数发射机的优势得到加强。数据处理路径带宽绝不会超过数据带宽。因此,理论上,在零中频架构中使用复数混频器便提供了一种解决方案,其不需要RF滤波,同时还能优化基带功率效率,降低不可使用信号带宽的单位成本。
 
到目前为止,本文的重点是复数混频器用作零中频发射机。同样的原理反过来也成立,即复数混频器架构可以用作零中频接收机。针对发射机说明的优势同样适用于接收机。使用单混频器接收信号时,首先必须利用RF混频器滤除镜像频率。在零中频工作模式下,无需担心镜像频率,高于LO的信号接收与低于LO的信号接收是相互独立的。
 
复数接收机如下图所示。输入频谱同时施加于I和Q混频器。一个混频器通过LO驱动,另一个混频器通过LO + 90°驱动。接收机的输出为I和Q。对于接收机来说,要想由经验证明给定输入对应的输出将会如何并不容易,但如果输入信号音高于LO,如图所示,那么I和Q输出将处于(信号音 – LO)频率,并且I和Q之间会有相移(I比Q超前)。类似地,如果输入信号音低于LO,那么I和Q输出同样是在(LO – 信号音)频率,但这时是Q比I超前。通过这种方式,复数接收机可以区分高于LO的能量和低于LO的能量。
 
复数接收机的输出将是两种I/Q信息之和:一种代表接收到的高于LO的频谱,另一种代表接收到的低于LO的频谱。这一概念已在前面针对复数发射机做过说明,其中是将相加后的I信号和相加后的Q信号施加于复数发射机。对于复数接收机,接收相加后的I信息和相加后的Q信息的基带处理器可利用复数FFT来轻松区分较高频率和较低频率。
 
复数RF混频器、零中频架构及高级算法: 下一代SDR收发器中的黑魔法
图9.零中频复数混频器接收机配置
 
收到相加后的I信号和相加后的Q信号时,有两个已知量——相加后的I信号和相加后的Q信号——但有四个未知量,即I1、Q1、I2和Q2。由于未知量多于已知量,因此似乎无法解出I1、Q1、I2和Q2。然而,我们还知道I1 = Q1 + 90,I2 = Q2 – 90,有了这两个已知关系后,便可利用收到的相加后的I信号和相加后的Q信号解出I1、Q1、I2和Q2。事实上,我们只需解出I1和I2,因为Q信号是I信号的副本,不过相位偏移±90而已。
 
限制
 
实践中,复数混频器试图完全消除镜像信号。这一限制对无线电架构设计有两个突出影响。
 
即使有性能限制,复中频仍能带来切实的好处。试考虑图10所示的低中频例子。由于性能限制,我们确实能看到镜像。然而,同对单混频器设计的预期相比(参见图6),该镜像已大为衰减。虽然复数混频器仍需要滤波器,但对该滤波器的要求可以放松很多,其实现也较简单,成本较低。
 
复数RF混频器、零中频架构及高级算法: 下一代SDR收发器中的黑魔法
图10.复数混频器的实际实现注意衰减的镜像。
 
滤波器复杂度与镜像和所需信号之间的距离成反比。如果使用零中频配置,该距离将变为0,镜像位于所需信号频段中。零中频理论的实际应用无法完全实现,产生的带内镜像导致性能降低到不可接受的水平(参见图11)。
 
复数RF混频器、零中频架构及高级算法: 下一代SDR收发器中的黑魔法
图11.零中频实现的限制
 
只有满足I和Q数据路径的相位和幅度要求,复数发射机和接收机的原理才成立。信号路径的不匹配会导致LO两侧的镜像信号不能精确相消。此类问题的例子参见图10和图11。在不使用零中频的情况下,可以采用滤波来消除镜像。然而,若使用零中频架构,不需要的镜像会直接落在所需信号的频谱范围内,如果镜像功率足够大,就会发生故障状况。因此,只有设计能消除信号路径上的相位和幅度不一致时,使用零中频和复数混频才能提供最优系统设计方案。
 
高级算法支持
 
复数混频器架构的概念已存在很多年,但在动态无线电环境中满足相位和幅度要求的挑战限制了其在零中频模式下的使用。ADI公司综合运用智能硅片设计和高级算法,克服了这些挑战。设计允许存在影响信号路径的因素,但智能硅片设计将这些影响降至最低。剩下的误差通过自优化正交纠错(QEC)算法消除。图12是概念图。
 
复数RF混频器、零中频架构及高级算法: 下一代SDR收发器中的黑魔法
图12.高级QEC算法和智能硅片设计支持零中频架构
 
在AD9371等ADI收发器上,QEC算法位于片内ARM®处理器中。它持续掌握硅片信号路径、经调制的RF输出、输入信号和外部系统环境的信息,并利用此信息以受控的预测方式智能适应信号路径轮廓,而不是做出本能式被动反应。该算法性能出色,可将其视为以数字方式辅助模拟信号路径发挥最佳性能。
 
ADI收发器内部有多种高级算法驻留并发挥作用,动态QEC校准算法只是其中一个较突出的例子。其他与之共存的算法还有LO泄漏消除等,这些算法将零中频架构的性能提升到最优水平。此类第一代收发器算法主要用于支持实现相关技术,而第二代算法(例如数字预失真或DPD)不仅能增强收发器的性能,还能提升整个系统的性能。
 
所有系统都有一些不足之处会限制其性能。第一代算法主要聚焦于通过校准消除片内限制,而新一代算法则利用智能手段来消除收发器外部的系统性能和效率限制因素,例如PA失真和效率(DPD和CFR)、双工器性能(TxNc)、无源交调问题(PIM)等。
 
结语
 
复数混频器已存在很多年,但其镜像抑制性能不允许将其用于零中频模式。智能硅片设计和高级算法的结合消除了原先阻止高性能系统采用零中频架构的性能障碍。性能限制消除之后,采用零中频架构对降低滤波、功耗、系统复杂度、尺寸、热量和重量都有好处(Brad Brannon之前的一篇文章对此做了详尽讨论1)。
 
对于复数混频器和零中频,我们可以考虑将QEC和LOL算法用作支持功能。但是,随着算法开发范围的扩展,它给系统设计人员带来了更高的性能水平,使他们能更灵活地设计无线电。他们既可选择增强的性能,也可利用算法提供的助益来减少无线电设计的成本或器件尺寸。
 
 
推荐阅读:
 
了解并延续Σ-Δ ADC的安全运行
基站中的无源交调效应:了解挑战和解决方案
支持超低功耗物联网节点信号处理设计的ECG前端IC
高精度ADC信号链中固定频率杂散问题分析及解决办法
运放电路超高精度电阻使用:匹配和稳定的重要性
要采购滤波器么,点这里了解一下价格!
特别推荐
技术文章更多>>
技术白皮书下载更多>>
热门搜索

关闭

?

关闭