中心议题:
- 汽车无线传感器结构
- 汽车无线传感器网络
- 汽车无线传感器网络的生命周期
解决方案:
- 汽车无线传感器结构硬件设计
- 汽车无线传感器网络传输协议
- 汽车无线传感器网络生命周期计算
在汽车驾驶和车辆诊断方面一般都会用到射频技术(RF)。按照国际标准的要求,所有车辆的技术应用必须经过详尽的测试,而这些测试都要基于合理的涉及感测数据采集的实证实验。因此在汽车行业,无线传感器网络的发展是伴随着典型传感器和射频设备的发展而发展起来的。对于汽车测试环境,无线传感器有三个方面的优势:第一是体积小,无线传感器不需要电缆端口;第二是节约时间,无线传感器节约了将所有传感器连接到电源和数据线的时间,因此无线传感器可以更快速地展开和轻松地移动,这样一来既提高了感测数据的空间分辨率又改善了传感器网络的故障容差;第三是在驾驶测试期问,连同传感器一起可以安全地塞进驾驶舱的数据线的数量得到了限制。
本文具体结构如下:第一部分,给出了无线传感器的硬件设计方案;第二部分给出了无线传感器网络以及通信协议;第三部分主要讨论了无线传感器网络的使用周期;最后总结了一下整体设计情况。
1 无线传感器结构硬件设计
1.1 无线传感器结构图
无线传感器体系结构含有电源单元、感应??椤⑽尴咄ㄐ拍??、微控制器。硬件设计结构如图1所示。

图1 无线传感器结构图
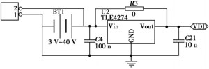
1.2 电源单元
无线传感器通常的工作电压范围为3.0V~3.6V。此次电源设计加入了TLFA274稳压器(如图2所示),可转换3V~40V的电压,比如通常使用的小型电池或者是汽车电池,给使用者带来了很大的方便。

图2 电源??橛布缏飞杓?/p>
1.3 感应???br /> 为了尽量减少电量的消耗,感应???如图3所示)在测量之前接通电源,之后立刻关闭(快速的开关切换对器件并没有影响)。

图3 感应??橛布缏飞杓?/p>
[page]
1.4 无线通信???br />
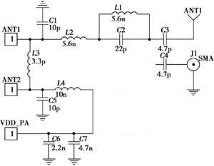
由于不同品牌汽车的差异性,造成了射频技术(RF)运行环境的不确定性。无线通讯??楸匦肼懔礁龌镜纳杓票曜迹旱谝唬嗥刀瓮ㄐ?,选择低功耗的射频(RF)芯片,即433/868/915 MHz频段收发器nRF905和2.4GHz频段nRF2401收发器;第二,两种可供选择的天线(如图4所示),PCB(简洁、低功耗,但难调节)和外部天线(与PCB相反)。不同射频频段和天线之间具有切换的功能,以保证通信畅通,特别是在引擎舱和驾驶舱之间有厚金属板挡板的车辆中。

图4 无线传感器射频天线示意图
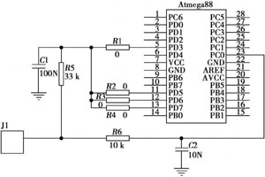
1.5 微控制器
对微控制器芯片选择Atmel ATmega88,因为它具有低功耗,还有待机模式和主动模式的快速转换功能,所以无线传感器能够在非常短的时间完成数据的测量和传输;它有一个内置的掉电检测电路,可用来提醒用户传感器网络电池是否需要更换;它还有一个内置的A/D转换器,可以将传感器的模拟信号转换成具有10位数字值的数字信号(零代表0V,210-1代表电源电压和最大可能电压)。
以上只是说明了单个无线传感器的设计。然而,在实际的汽车测试环境中,还必须考虑有多少个传感器在同时工作,有多大量的数据需要传输。
2 无线传感器网络
无线传感器的数据通信将用到时分多址通信协议。使用时分多址(TDMA)意味着只有有用的数据才能在通信模式(较高功率)下传输和接受,因此无线传感器其他任何时候都处于即时通信模式。我们假设一个无线传感器(主)作为恒定的数据接收器(星形拓扑网络),且无线传感器是有汽车电池供电(所以无需考虑主无线传感器的电源问题),除了发挥中央处理器的作用外,当所有子无线传感器开始传输数据的时候,主无线传感器会同步返给子无线传感器一个专门的请求信息。
两个收发器240位射频数据包,采用十五个16位的数据包(3位配给具有5通道的A/D转换器,10位配给感测数据,3位剩余)。10ms的窗口时间足够接收器处理单个数据包,最小的TDMA也要5ms的间隔。
下面计算一下此网络可负载无线传感器的最大数量,即一个TDMA网络可以支持的数值。
定义:NP=数据包中的数据位号=240;MB=测量尺寸(位数)=16;SIl=采样时间间隔(用户自定义单位:秒);SN=传感器数量(用户自定义 单位:秒);TT=使用TDMA协议时,每个收发器所需最小时间=5ms;MT=MCU处理每个数据包所需要的最小时间=10ms。
基于以上定义,以下数据可以计算的变量为:
Sp=样品包数=
=15;TA=平均传输时间间隔;TM=每个主传感器在TDMA协议下传输和处理的平均窗口时间(单位:毫秒);
传感器按采样时间间隔率每采样15次将发送一个数据包,平均传输时间间隔是这样的:TA=SP*SI。
如果每一个TA传感器传送一个数据包,那么每一个传感器可以获得一个时分多路复用的时间窗。为了精确计算时间槽的大小,间隔时间必须除以网络的节点数。1000转换为毫秒如下:

无线传感网络能够支持的最大无线传感器的数量取决于所抽样的时间间隔(SI)。一旦合适的时间间隔被选定(基于输入的改变速率),使用公式(1)确定节点的数目和TDMA时隙数。
[page]
利用温度传感器作为感应器,如果需要一个1s的采样间隔,那么主节点可以处理的最大节点数为1400(10.714ms的TM)主节点已经达到10ms,如图5(b)所示。

图5 温度传感器两种采样间隔与信源数目对比
在本节中研究了无线感应器的传输协议,并表明该设计可以达到相对较高的空间分辨率(大于1000个节点规模的汽车)。但是,如果传感器耗电量过快,就需要定期更换上千个电池,这样一来,实际上是限制了空间分辨率。因此,这就需要考虑无线传感器网络的生命周期。
3 传感器网络的生命周期
无线传感器的三个主要消耗电能的??槭牵焊杏δ??、无线通信模块和微控制器???,如表1所示。这三个??橹饕辛礁霾僮髂J剑汗鼗J胶凸ぷ髂J?。在这两种模式下分析了每种??榈墓?,以及总的消耗量。

此外,使用一个标准为500mAh电池,这是由供应所需要的电流不能降低,要扣除20%的理论量。因此,要计算出平均寿命(小时),计算公式为:

BS=电池供电一小时=500mAh;AO=工作模式下传感器电流量=453.581μA;
AOF=关机模式下传感器电流量=17.479μA;TO=传感器处于工作模式的时间率(%)。
4 结束语
本文详细介绍了单个无线传感器的硬件设计方案和无线传感网络传输协议,可方便快捷收集大量汽车测试环境中的真实数据。此设计比较灵活,能够使用多种带宽、天线、电源、传感器类型。采用无线传输方式对车辆各部状况进行测试,大大改善了测试设备对真实环境的影响,使测试数据更加真实。但是在实际的测试环境中,往往采用无线星型网络拓扑结构,有多个射频发射装置,有可能造成互调失真。无线信号在车辆周围有可能多次传播(反射、衍射等),导致噪声的发生。这些问题都将有待进一步实验和调试。由于外部振荡器的功率消耗比较大,所以将在内部使用一个相对精确的内部振荡器;由于较高的时钟误差率,必须定期进行重新同步,以达到预期的通信性能。




