【导读】电池可以用来储存太阳能和风能等可再生能源在高峰时段产生的能量,这样当环境条件不太有利于发电时,就可以利用这些储存的能量。本文回顾了住宅和商用电池储能系统 (BESS) 的拓扑结构,然后介绍了安森美(onsemi) 的EliteSiC 方案,可作为硅MOSFET 或IGBT开关的替代方案,改善 BESS 的性能。
电池可以用来储存太阳能和风能等可再生能源在高峰时段产生的能量,这样当环境条件不太有利于发电时,就可以利用这些储存的能量。本文回顾了住宅和商用电池储能系统 (BESS) 的拓扑结构,然后介绍了安森美(onsemi) 的EliteSiC 方案,可作为硅MOSFET 或IGBT开关的替代方案,改善 BESS 的性能。
BESS的优势
最常用的储能方法有四种,分别是电化学储能、化学储能、热储能和机械储能。锂离子电池是家喻户晓的电化学储能系统,具有高功率密度、高效率、外形紧凑、??榛忍氐恪4送?,锂离子电池技术成熟,因此非??煽壳页杀窘系?。随着锂离子电池价格的持续下降,其在储能系统中的使用不断增加。
使用带有储能电池的并网/离网太阳能逆变器系统,为住宅和商业用户带来诸多好处, 包括以下几个方面。
● 价格:当公用事业提供商的电价较高时,储存能量可以降低电费。
● 自给自足:储存能量可以减少(或消除)对电网的依赖。
● 备用电源:储存的电力可在主电源出现故障时用作替代电源。
图1 BESS实施概览
BESS主要构建???/p>
BESS通常包括四大构建???。
● 可充电电池??椋浩渲邪ɑ苁降绯氐ピ浔瓿频缪勾?0 V 到 1000 V 以上不等。
● 电池管理系统 (BMS):BMS 用于‘保护和管理可充电电池,确保电池在安全工作参数范围内运行。
● 变流器 (PCS):PCS 将电池组连接到电网和负载,是影响 BESS 成本、尺寸和整体性能的一个重要因素。
● 能源管理系统 (EMS):EMS 软件用于监测、控制和优化发电或输电系统。
图2 住宅交流耦合(上)和直流耦合(下)ESS
住宅BESS
与BESS搭配使用的变流器可以按照耦合能量的方式(交流或直流)分类,也可以按照功率等级(住宅或商业)分类。直流耦合系统或混合逆变器仅需要一个电源转换步骤。然而,对于现有太阳能或风力发电系统而言,虽然交流耦合储能是一种简单的升级方案,但它需要额外的电源转换步骤来对电池充电和放电,因此可能会损失更多功率。例如,住宅变流器可以添加到现有太阳能逆变器系统中,以使用产生的能量为备用电池充电或为家用电器供电。
双向DC-DC转换器用于连接电池组和直流链路。单相系统的母线电压通常小于600 V,而充放电功率不会超过10 kW。在这种情况下,降压- 升压转换器是最常见的双向DC-DC 拓扑,因为它需要的组件少且易于控制。在此类双向系统中,两个带有并联二极管的650 V IGBT 或MOSFET 就足够了。例如,安森美的650 V FS4 IGBT FGH4L75T65MQDC50 集成了SiC 二极管,可在这种应用中实现低导通和低开关损耗。
隔离可以确保BESS 用户的安全,双有源桥转换器 (DAB) 或CLLC 拓扑结构为BESS 提供了隔离型双向DC-DC 转换器方案。如果电池电压发生显着变化,级联前端降压- 升压电路可以提供更宽范围的输入和输出电压。这种方法还降低了无功功率,并增加了软开关区的大小。NTP5D0N15MC 150 V N 沟道屏蔽栅极PowerTrench MOSFET 非常适合这些拓扑。
商业和企业场所及具有较大功率需求的家庭通常采用标准的三相电源。在三相应用中,电源开关必须能够承受所需的工作电压和电流,以提供高达15 kW 的输出功率,而且还要能够承受高于住宅装置所用的直流链路电压(高达1 000 V)。为此,可以将之前考虑的650 V开关替换为1 200 V 器件,作为三电平对称降压- 升压拓扑的一部分。这样,开关损耗会更低,因为只有一半的输出电压出现在开关和二极管上。它的另一个优点是所需的电感更小,并且EMI 性能得到改善。遗憾的是,这种方法需要更多组件,导致设计复杂性、控制难度和系统成本增加。
商用BESS
商用储能系统的输入和输出功率范围通常在100 kW至2 MW 之间。这些大型装置可能由若干个三相子系统组成,功率范围从几十千瓦到超过100 kW 不等。在这类应用中,最大直流电压是一项关键参数,它取决于现有太阳能系统的母线电压或电池电压。标准商用太阳能逆变器的直流母线电压通常为1 100 V,但在公用事业规模系统中可能高达1 500 V。对于给定功率水平,提高直流母线电压会降低电流,从而降低互连电缆的成本。
图3 双向DC-DC的降压-升压
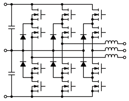
交流耦合系统更常用于商用BESS,因为它可以轻松添加到现有设计中。直流耦合系统对电气改造的要求相对较高,尤其是商用场合,因为必须将其连接到直流母线,而直流母线通常位于原系统内部,具有高电压和高电流。三电平I-NPC 是大功率工业应用中常常与逆变器配合使用的拓扑结构。它有四个开关、四个反向二极管和两个钳位二极管,击穿电压低于实际直流链路电压,这意味着650 V 开关在1 100 V 系统中就足够了。
图4 三相I-NPC拓扑结构
使用三电平拓扑结构有几个优点。首先,其开关损耗较低(与施加到开关和二极管的电压的平方成正比)。其次,其电流纹波较低,并且峰峰值电压为总输出的一半,因而更容易利用较小、成本较低的电感进行滤波。最后,与电流纹波相关的传导EMI 更低,电磁辐射也更低。升级到A-NPC 拓扑可提供更好的性能,因为它用两个更低损耗的有源开关取代了两个钳位二极管。然而,对于这种架构,驱动器配对和延迟匹配至关重要,但这在某些应用中可能是一个不利因素。
SiC方案有助于改善BESS性能
SiC具有比硅更优越的性能特征,例如:更宽的带隙、更高的击穿场强和更高的热导率。这些特性使SiC器件能够在更高的频率下工作,而无需权衡输出功率与电感尺寸。凭借 SiC 带来的更高工作效率,在某些情况下,可使用自然散热来代替强制风冷。安森美的650 V EliteSiC MOSFET NTH4L015N065SC1和NTBL045N065SC1是取代储能系统应用中硅基开关的理想选择。同时,EliteSiC 功率集成??椴捎? 200 VNXH40B120MNQ0 双升压和 NXH010P120MNF1 2 件装半桥,可以在公用事业规模系统中提供更高的功率密度。安森美还提供其他几种组件,包括栅极驱动器、电流检测放大器和 MACPHY 以太网控制器,都可用于BESS应用。
(本文来源于EEPW 2023年10月期)
免责声明:本文为转载文章,转载此文目的在于传递更多信息,版权归原作者所有。本文所用视频、图片、文字如涉及作品版权问题,请联系小编进行处理。
推荐阅读:
高通高级副总裁卡图赞:手机市场仍在缓慢复苏 第三代骁龙8适逢其时




