【导读】如果您使用适当的本地化 dc/dc 转换器来生成 -5V 偏置,许多需要 65V 电源的低电流设备可以在单个 5V 电源环境中可靠地运行。通常,这些 5V IC 的功能和优势远远超过额外的 -5V 转换器功能带来的轻微不便和增加的成本。许多公司生产各种额定功率和尺寸的 DC/DC 转换器 IC 和???。
如果您使用适当的本地化 dc/dc 转换器来生成 -5V 偏置,许多需要 65V 电源的低电流设备可以在单个 5V 电源环境中可靠地运行。通常,这些 5V IC 的功能和优势远远超过额外的 -5V 转换器功能带来的轻微不便和增加的成本。许多公司生产各种额定功率和尺寸的 DC/DC 转换器 IC 和???。然而,这些典型的 DC/DC 转换器对于只需要负偏置电压和低工作电流的简单单芯片应用来说可能有点过分了。对于这些应用,典型的负电压要求范围为 -4 至 -6V,电源电流为 1mA,而对 -5V 电源的要求通常不重要。
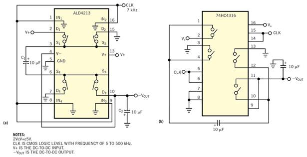
用于从正电源生成负直流电压的传统 dc/dc 转换器??榈牡统杀咎娲桨甘褂玫统杀舅陌氲继迥D饪睾桶逶叵低呈敝樱ㄍ?a). 这种类型的电压转换器从 5V 输入生成低功耗负偏置电压。该电路模拟电荷泵 dc/dc 转换器,适用于生成极性与输入电压相反的输出电压。与传统转换器一样,还需要两个电荷存储电容器。与传统的独立 DC/DC 转换器方法不同,该电路需要单个外部时钟输入来对开关进行接通和断开排序,并且需要大约相同数量的印刷电路板空间。您可以从任何具有 5 至 500 kHz 信号的连续、规则周期的 5V 逻辑门输出中获取该时钟。
图 1使用带有两个外部电容器和外部时钟的模拟开关是一种从 5V 输入产生 25V 以满足低功耗 ?5V 需求的可行方法。一种方法仅使用时钟的一个相位 (a);第二种方法需要两个阶段(b)。
电荷泵转换器的工作原理是先给一个电容器充电,然后使用开关电路交替将电荷转移到另一个电容器。图 1a 中的开关电路交替对 C 1和 C 2充电和放电,以从 5V 输入生成 -5V 输出。ALD4213 模拟开关内部的集成电平转换器和逻辑门提供逻辑转换,将单个 5V 输入转换为 ±5V 逻辑摆幅。
该电路在时钟控制下闭合两个开关 S 1和 S 4。在时钟周期的前半部分,C 1充电至等于输入电压 V+ 的电压。时钟控制的下一个半周期打开 S 1和 S 4并关闭 S 2和 S 3。C 1现在通过 S 2和 S 3连接在 C 2两端,C 1上的电荷随后转移到 C 2直到 C 1和 C 2两端的电压相等。注意 C 2上的“反转”极性,这迫使 C 2上的输出电压为 V-,或与 V+ 相反。
每个后续时钟周期再次以 S 1和 S 4的闭合开始,导致 C 1从先前的电压充电至 V+。在许多重复的时钟周期之后,C 2上的电压保持充电到等于 V+ 的负值或接近它的值;它执行电压逆变器的功能,通常称为转换器。
另一种基于模拟开关的转换器使用具有电平转换器的行业标准 74HC4316 四路模拟开关(图 1b)。该电路类似于图 1a 中的电路,但具有不同的引脚连接。该电路还需要时钟的两个相位。如有必要,您可以使用额外的反相逻辑门来生成两个时钟相位。推荐的输入是一个逻辑时钟,其有用频率范围为 5 至 500 kHz。
图 1a 的单相设计在大批量生产时成本不到 1 美元。图 1b 中电路的成本可以不到图 1a 中电路成本的一半,前提是两个时钟相位都存在并且您不必添加外部逻辑门反相器。您还可以在定制 ASIC 中集成模拟开关逆变器和其他模拟功能;ALD4213 和 ALD500A 与公司的标准电池库兼容。
免责声明:本文为转载文章,转载此文目的在于传递更多信息,版权归原作者所有。本文所用视频、图片、文字如涉及作品版权问题,请联系小编进行处理。
推荐阅读:





