【导读】汽车子系统的设计师不断努力寻找创新的方法来延长 EV 的续航里程并缩短充电时间。在实现这些目标的过程中,他们将基于硅的技术在尺寸、重量和电源效率方面推向物理极限,因而需要转向碳化硅(SiC)来帮助其应对这些挑战。
如今,电池充电器有望轻松支持各种电池化学成分并接受一系列电压输入,包括范围广泛的太阳能电池板。输入电压范围跨越输出电池电压上下的情况越来越普遍,需要降压和升压能力(降压-升压拓扑)。LTC4020 降压-升压电源管理器和多化学电池充电控制器可以采用 4.5V 至 55V 的宽范围输入并产生高达 55V 的输出电压。其降压-升压 DC/DC 控制器支持高于、低于或等于输入电压的电池和系统电压。
该充电器可轻松针对各种电池化学成分进行优化。例如,它可以遵循恒流/恒压 (CC/CV) 充电算法,C/10 或用于锂基电池系统的定时终止,具有定时终止的恒流 (CC) 特性,或优化的 4 步、3 级铅酸充电曲线。
用于 25.2V 电池浮动电压的 6.3A 充电器
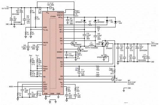
图 1 显示了一个 15V 至 55V 输入、25.2V/6.3A 降压-升压电池充电器,具有仅需要一个电感器 (L1) 的高效 4 开关 (M2–M5) 同步降压-升压 DC/DC 转换器。专有的平均电流模式架构使用两个检测电阻器(R CBRT1和 R CBRB1)来监控电感器电流。在此降压-升压解决方案中,当 V IN 高于 V OUT时,转换器以降压(降压)模式运行;当 V IN 低于 V OUT时,转换器工作在升压(升压)模式。当 V IN 接近 V OUT时,转换器以 4 开关降压-升压模式运行。

图 1. 15V 至 55V 输入、25.2V/6.3A 降压-升压电池充电器
该转换器以 50kHz 至 500kHz 范围内的可编程恒定开关频率运行,由一个电阻器设置 (R13 = 100k,250kHz)。图 1 所示的解决方案可为系统负载提供高达 8A 的电流 (V OUT = 25.2V)。图 2 显示满负载效率(I OUT = 8A,V IN = 24V)可以达到 98% 以上。

LTC4020 使用一个来自 BAT 引脚的外部反馈电阻分压器来通过 V FB 引脚设置电池电压。“PowerPath”FET (M1) 在正常电池充电期间导通,尽可能在电池和降压-升压转换器输出之间形成低阻抗连接。电池充电电流通过检测电阻器 (R CBAT1 ) 进行监控。通过选择 R CBAT1的值,可以轻松设置平均电池充电电流??赏ü?RNG/SS 引脚进行动态限流调整。
PowerPath FET 的瞬时接通和理想二极管功能
对于严重放电的电池,LTC4020 可自动将 PowerPath FET(图 1 中的 M1)配置为线性稳压器,从而允许降压-升压转换器输出升至高于电池电压,同时仍向电池提供充电电流。此功能称为 PowerPath 瞬时启动,此时 PowerPath FET 充当高阻抗电流源,为电池提供充电电流。
当电池充电器不在充电周期时,LTC4020 自动将 PowerPath FET 配置为理想二极管——也就是说,降压-升压转换器专门为系统负载工作。这允许电池在正常操作中保持与转换器输出的断开连接。然而,如果系统负载电流超过降压-升压转换器的容量,则可以通过这个理想二极管有效地从电池中汲取额外的功率。
附加功能
LTC4020 支持基于定时器的充电算法——一个连接在 TIMER 引脚和地之间的电容器对循环时间的结束进行编程。
LTC4020 具有电池温度监视和控制功能。通过将 NTC(负温度系数)热敏电阻连接到 NTC 引脚,并将热敏电阻靠近电池组(或其他所需的监控位置)放置,如果 NTC 引脚电压超出范围(高于 1.35V 或低于 0.3V) ),LTC4020 触发 NTC 故障并停止电池充电。
LTC4020 的 V IN_REG 引脚允许输入电压调节。该引脚可用于为太阳能电池板设置峰值电源电压,或帮助维持其他高阻抗输入电源的电压。
LTC4020 有两个集电极开路输出 STAT1 和 STAT2,用于充电器状态和故障情况。这两个引脚是二进制编码的。
结论
LTC4020 是一款多功能高电压、高效率降压-升压型电源管理器和多化学电池充电器,支持高于、低于或等于输出电池或系统电压的输入电压。其薄型 (0.75mm) 耐热增强型 38 引脚 5mm × 7mm QFN 封装适用于便携式工业和医疗设备、太阳能供电系统、军用通信设备以及 12V 至 24V 嵌入式汽车系统。
免责声明:本文为转载文章,转载此文目的在于传递更多信息,版权归原作者所有。本文所用视频、图片、文字如涉及作品版权问题,请联系小编进行处理。
推荐阅读:
广汽、比亚迪、丰田、本田等都来参与,AUTO TECH 2023 华南展今年有哪些亮点?





