【导读】对于需要低输出电压噪声的便携式系统,线性稳压器通常是系统电源的“首选”。理想情况下,线性稳压器直接由电池电源供电,而不是中间DC/DC转换器供电,以实现最低噪声性能。取决于线性稳压器,输出电压噪声低至 0.8μV有效值是可能的。
(在这个由三部分组成的系列中,我们将介绍使用不同拓扑的低噪声便携式电源。对于许多此类应用来说,使用低噪声线性稳压器是轻而易举的,但在可能不需要线性稳压器的应用中(由于效率、功耗或其他限制),低噪声解决方案还可以包括基于电荷泵和基于电感的DC/DC转换器。电路设计的进步与创新设计技术相结合,使得曾经被认为太嘈杂的解决方案无法用作低噪声替代品。
低噪声线性稳压器
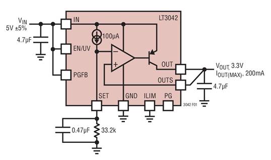
对于需要低输出电压噪声的便携式系统,线性稳压器通常是系统电源的“首选”。理想情况下,线性稳压器直接由电池电源供电,而不是中间DC/DC转换器供电,以实现最低噪声性能。取决于线性稳压器,输出电压噪声低至 0.8μV有效值是可能的。对于这些应用,凌力尔特提供了极低的输出噪声器件,例如 LT3042 和 LT3045,20V 输入,0.8μV有效值线性稳压器分别具有200mA和500mA能力。

图1.LT3042 低噪声线性稳压器框图

图2.LT3042 集成均方根输出噪声
由于其独特的电流基准架构,LT3042 和 LT3045 可轻松并联以实现更高的输出电流和更低的噪声。下面是一个低噪声电源,采用四个并联的 LT3045 来获得 3.3V 和 2A 的输出电流。所用器件数量每增加一倍,输出噪声就会降低 √2 倍。

图3.并联LDO可增加电流并降低噪声
虽然从噪声的角度来看,用电池供电是理想的,但当考虑到效率和系统运行时间时,它通常并不理想。更常见的是,系统使用 DC/DC 转换来实现更高效的电源转换。在这些情况下,最低噪声解决方案可以通过开关稳压器后接后稳压线性稳压器来实现,后者具有低输出电压噪声和高电源纹波抑制(PSRR);需要高PSRR规格,因为线性稳压器必须能够充分抑制DC/DC转换器的开关噪声;现在开关稳压器频率范围高达4MHz,这不是一件小事。这些高频超过了线性稳压器的控制环路带宽,因此PSRR不是由IC决定的,而是由器件的寄生效应决定的。并非巧合的是,LT3042 和 LT3045 还具有出色的 PSRR,在超过 2MHz 的频率下具有 >75dB,在 10MHz 频率外具有 >50dB。这使得它们能够在很宽的频率范围内大幅降低开关频率噪声,同时为系统提供最小的附加输出噪声。

图4.LT3045 电源纹波抑制
如果客户正在寻找最佳的噪声性能,那么选择很容易。但通常术语“低噪音”更具定性;电源噪声需要足够低,以免对系统的测量性能和精度产生不利影响。对于这些应用,低噪声可以通过从微伏到毫伏的RMS值来定义。
在本系列的第2部分中,我们将介绍低噪声电荷泵解决方案。电荷泵可以提供经济高效的电源解决方案,但噪声水平通常在百毫伏或数十或毫伏范围内。凌力尔特的创新工程设计带来了输出均方根噪声低于 5mV 的电荷泵解决方案。
免责声明:本文为转载文章,转载此文目的在于传递更多信息,版权归原作者所有。本文所用视频、图片、文字如涉及作品版权问题,请联系小编进行处理。
推荐阅读:






