【导读】如果您还没有驾驶电动汽车 (EV)——混合动力电动汽车 (HEV)、插电式混合动力汽车(PHEV) 或全电动汽车——那么很有可能,您可能很快就会驾驶。里程焦虑已成为过去。您现在可以帮助?;せ肪常槐氐P谋焕г谄渲?。世界各国政府提供慷慨的财政激励措施来抵消电动汽车的溢价,希望引导您远离购买内燃机(ICE)汽车。一些政府已经采取措施,要求汽车制造商制造和销售电动汽车,希望市场最终将由它们主导,而另一些政府则在沙子上划了一条更明确的界限;例如,德国已经在推动到2030年禁止内燃机汽车。
电动汽车搬运工
如果您还没有驾驶电动汽车 (EV)——混合动力电动汽车 (HEV)、插电式混合动力汽车(PHEV) 或全电动汽车——那么很有可能,您可能很快就会驾驶。里程焦虑已成为过去。您现在可以帮助?;せ肪常槐氐P谋焕г谄渲?。世界各国政府提供慷慨的财政激励措施来抵消电动汽车的溢价,希望引导您远离购买内燃机(ICE)汽车。一些政府已经采取措施,要求汽车制造商制造和销售电动汽车,希望市场最终将由它们主导,而另一些政府则在沙子上划了一条更明确的界限;例如,德国已经在推动到2030年禁止内燃机汽车。
在汽车历史的大部分时间里,创新都集中在提高内燃机的燃油燃烧效率,清理排放,同时提供舒适的用户体验。然而,内燃机汽车最近的绝大多数创新都是电子技术进步的直接结果——底盘系统、动力总成、自主和高级驾驶辅助系统(ADAS)、信息娱乐和安全系统的改进。电动汽车具有许多与内燃机汽车相同的电子系统,当然还有传动系统本身。根据美光科技的数据,电动汽车价值的电子部分高达75%,随着半导体技术的进步不断降低各种电子??楹妥酉低车某杀?,这一部分也在增加。即使是非传统的汽车厂商,如英特尔,也在寻找其中的一部分。
毫不奇怪,在电动汽车的所有电子子系统中,制造商和消费者都关注电动汽车的核心,即电池系统。电池系统包括可充电电池本身(锂离子)是当前标准,以及电池管理系统(BMS),该系统通过监控电池最大限度地提高电池使用率和安全性。
裸金属服务器监控
BMS的主要功能是监控电池的状态,或者在电动汽车的情况下,监控非常大的电池组或电池组的状态。BMS 通常监控单个电池和电池组电压、电流、温度、充电状态 (SOC)、健康状态(SOH) 和其他相关功能,例如冷却液流量。除了BMS提供的明显的安全性和性能优势外,准确监控这些参数通常可以转化为更好的驾驶体验,驾驶员可以充分了解实时电池状况。
为了有效,BMS测量电路必须精确快速,具有高共模电压抑制,功耗低,并与其他设备安全通信。EV BMS 的其他职责包括将能量回收回电池组(即再生制动)、平衡电池、?;さ绯刈槊馐芪O账降牡缪?、电流和温度的影响,以及与其他子系统(例如充电器、负载、热管理和紧急关机)通信。
汽车制造商使用多种 BMS 监控拓扑来满足他们对准确性、可靠性、易于制造、成本和功率要求的需求。例如,图1所示的分布式拓扑强调本地智能的高精度,串联电池组的高可制造性,以及通过低功耗SPI和isoSPI接口实现IC间通信的低功耗和高可靠性。
图1中的拓扑包括一个EV电池组监视器(在本例中为ADI公司的LTC2949),用于低侧电流检测配置,其中isoSPI通信线路与底部电池监视器(LTC6811-1)并联。为了增强可靠性,可以通过将第二个isoSPI收发器连接到电池组顶部并创建可在两个方向上通信的环形拓扑来实现双通信方案。与 SPI 主控制器的隔离通信通过一个LTC6820isoSPI 至 SPI 信号转换器实现。ADI公司的可堆叠LTC681x系列多节电池监视器可用于测量多达6、12、15或18节串联电池的单个电压,而单个LTC2949则用于测量总电池组参数。LTC681x 和 LTC2949 共同构成了一个全面的 EV BMS 监控解决方案 — 对于某些人来说,该电路可能更广为人知的是 BMS 的模拟前端 (AFE)。
图1.采用电池监控器 (LTC6811-1) 和电动汽车电池组(LTC2949) 的分布式 EV BMS 监控拓扑。
EV电池组监视器是专为EV设计的高精度电流、电压、温度、电荷、功率和电能表。通过测量这些关键参数,系统设计人员具备了计算整个电池组的实时SOC和SOH以及其他品质因数的基本要素。图 2 示出了用于高端电流检测配置的 LTC2949 的框图。其中,LTC2949采用可调浮动拓扑,使其能够监控非常高电压的电池组,不受其自身14.5 V额定电压的限制。LTC2949 的电源通过一个具有 V 的LT8301隔离式反激式转换器提供抄送连接到电池正极。
电动汽车电池组监控器的核心是轨到轨、低偏移、Σ-Δ型 ADC,可确保精确的电压测量。在 LTC2949 中可用的 5 个 ADC 中,有两个 20 位 ADC 可用于测量两个检测电阻器两端的电压 (如图 2 所示),并以 0.3% 的准确度推断流经两个独立电源轨的电流;失调小于1 μV时,可提供高动态范围。同样,以高达18位和0.4%的精度测量电池组总电压。两个专用功率ADC检测分流器和电池组电压输入,产生0.9%的精确功率读数。最后的 15 位 ADC 可用于测量多达 12 个辅助电压,便于与外部温度传感器或电阻分压器配合使用。使用内置多路复用器,该监视器可以在 12 个缓冲输入中的任何一对之间执行差分轨到轨电压测量,精度为 0.4%。
为了简化设置,监视器的五个ADC形成三个数据采集通道。每个通道可以配置为两种速度之一,具体取决于应用,如表 1 所示。例如,两个通道可用于监控单个分流电阻器:一个通道用于慢速(100 ms)高精度电流、功率、电荷和能量测量;另一个用于快速(782 μs)电流快照,与电池组电压测量同步,用于阻抗跟踪或预充电测量?;蛘撸ü礁龆懒⑼ǖ兰嗫氐牧礁霾煌叽绲姆至鞯缱瑁ㄈ缤?所示),允许用户平衡每个分流器的精度和功率损耗。同时,第三个辅助通道可以对可选缓冲输入进行快速测量,也可以对两个可配置输入(堆栈电压、芯片温度、电源电压和基准电压)进行自动循环(RR)测量。
表 1.LTC2949 的三个数据采集通道的配置选项
由于 SOH 是电池(或电池组)生命周期中的一个点,也是衡量其相对于新电池的状况的指标,因此使用精确的 EV BMS 监视器不仅要最大限度地提高行驶里程,还要最大限度地减少意外的电池故障,这一点很重要。说到电池寿命,LTC2949在导通时仅消耗16 mA,在睡眠时仅消耗8 μA。当监视器的三个数据采集通道中的任何一个配置为快速模式(782 μs转换时间和15位分辨率)时,监视器可以将其电池组电压和电流测量值与任何LTC681x多节电池监视器的电池电压测量值同步,以推断单个电池阻抗、年龄和SOH。有了这些信息,就可以评估堆栈电池寿命,因为最弱的电池最终决定了整个堆栈的SOH。
数字优势
电动汽车监控器的数字功能包括过采样乘法器和累加器,可生成 18 位功率值以及 48 位能量和电荷值,从而报告最小值和最大值,以及基于用户定义限值的警报。这使BMS控制器和总线免于连续轮询监视器以获取电压和电流数据的任务,以及根据结果执行计算的额外任务。通过以过采样ADC时钟速率(预抽取滤波器)采集功率样本,而不是乘以平均值,该监视器可在电流和电压变化远超其转换速率的情况下准确测量功率,信号高达50 kHz。
图2.采用高端电流检测配置的 LTC2949 浮动 EV 电池监视器的典型连接。监视器的电源通过带 V 的 LT8301 反激式提供抄送连接到电池正极。
由于监视器跟踪电流、电压、功率和温度数据的最小值和最大值,因此总线和主机可以将时钟周期用于其他任务,而不是连续轮询监视器。除了检测和存储最小值和最大值外,监视器还可以在超过任何用户定义的阈值时发出警报,再次将主控制器和总线从轮询任务中释放出来。监视器还可以在提供指定量的能量或电荷后,或者在经过预设的时间量后生成溢出警报。
为确保监控精度,该监视器提供可编程增益校正因子以补偿测量组件的容差:两个用于分流电阻器、一个电池分压器和四个多路复用输入。这些校正因子可以存储在外部EEPROM中,以便采用模块化方法对电池组进行工厂校准。该监视器还可以通过求解具有可编程系数的斯坦哈特-哈特方程,对多达两个外部NTC热敏电阻的温度读数进行线性化;然后,这些读数可用于自动对分流电阻读数进行温度补偿。通过持续补偿容差和温度影响,不仅可以提高监控精度,还可以使用成本更低的外部元件。
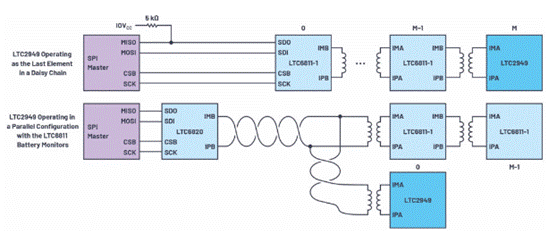
标准SPI接口可用于直接MCU连接,isoSPI接口提供标准芯片级SPI的物理层适配,释放出经济高效的分布式封装架构的全部潜力。isoSPI 专为高电压和高噪声系统而设计,仅使用一根双绞线电缆和一个简单的脉冲变压器,即可在长达 100 米的电缆上提供高达 1 Mbps 的安全、可靠的信息传输。isoSPI也比其他板载隔离解决方案便宜。图3显示了如何利用isoSPI作为菊花链或可寻址并行配置中的最后一个元件的架构。
图3.采用 isoSPI 配置的架构。
结论
电动汽车已成为主流,导致大批量采用的拐点。为了保持竞争力,系统设计人员需要密切关注电池和BMS技术,这些技术对最终用户体验有着深远的影响。电动汽车电池组监控器简化了多种电池堆监控拓扑和配置的处理。几乎在任何电压和任何电流水平下,监视器都能实现高性能、安全、灵活和可靠的电池管理系统。通过准确读取电流、电压、功率、能量、电荷、温度和时间,可立即准确评估电池 SOH 和 SOC。关键最小值、最大值和警报可以通过 isoSPI 接口进行测量、计算和报告。这减少了对主机资源、总线设计和测试以及软件设计的需求。一些数字功能包括乘法器、累加器、最小/最大寄存器、可配置警报和外部元件容差/温度补偿。LTC2949 等监视器专为独立工作或与任何多节电池监视器配合使用而设计,可满足对下一代 EV BMS 的关键需求,同时满足严格的 AEC-Q100 准则和 ISO 26262 安全标准。
免责声明:本文为转载文章,转载此文目的在于传递更多信息,版权归原作者所有。本文所用视频、图片、文字如涉及作品版权问题,请联系小编进行处理。
推荐阅读:




