【导读】功耗是工业和汽车应用 DC/DC 转换器设计师面临的重大问题,因为这类应用需要大电流,但是空间受限。用高性能分立式组件可以构成高效率稳压器,但是其费用之高和解决方案占板面积之大却使这种方法令人难以承受。
功耗是工业和汽车应用 DC/DC 转换器设计师面临的重大问题,因为这类应用需要大电流,但是空间受限。用高性能分立式组件可以构成高效率稳压器,但是其费用之高和解决方案占板面积之大却使这种方法令人难以承受。LT8612 / LT8613 高效率降压型稳压器在单个 IC 中集成了所有必要的组件,显著地减小了 DC/DC 转换器的尺寸,甚至在面对高降压比时也可以。这些器件还可以并联,以增强输出电流能力并分散负载和热量。
包括在这些调节器中的其它期望功能有:超低静态电流以最大限度延长电池寿命;高开关频率以最大限度减小解决方案尺寸并避开噪声敏感频段。
采用 3mm x 6mm 封装的高效率 42V、6A 稳压器
LT8612 / LT8613 是 42V、6A 降压型单片式稳压器。其集成的高效率电源开关功耗很低,因此这些开关、升压二极管、内部补偿和所有必要的电路都密封在一个纤巧的 3mm x 6mm QFN 封装中,不会产生过热问题。图 1 显示了一个典型的 5V/30W LT8612 转换器,其效率和功耗如图 2 所示。甚至在 24V 输入电压时,LT8612 也能产生 30W 输出,且温升不超过 50°C。在负载范围的另一端,LT8612 / LT8613 以低纹波突发模式 (Burst Mode®) 运行,以在超低负载情况下提高效率。

图 1:采用 LT8612 的 5V/30W 降压型转换器

图 2:图 1 所示 5V/30W LT8612 降压型转换器的效率和功耗
EFFICIENCY:效率
POWER LOSS:功耗
LOAD CURRENT:负载电流
LT8612 / LT8613 的最小接通时间短至 40ns,从而允许很高的 VIN/VOUT 比,即使在很高的开关频率时也是如此。高达 2.2MHz 的开关频率最大限度减小了功率电感器和输出电容器的尺寸和值。此外,可以基于输出负载要求有把握地改变电感器的大小,而无需使用较大的电感器来进行设计,这是器件的高速峰值电流模式架构和可靠的开关设计带来的结果。
多相设计增强输出电流能力
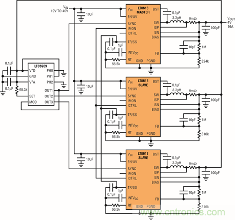
在汽车和工业应用中,超过 6A 的负载并非不常见。就这些电流相对较大的情况而言,多相设计可以增强 LT8612 / LT8613 稳压器的输出能力。LT8613 具内置轨至轨电流检测放大器以及监视器和控制引脚,从而可实现准确的输入或输出平均电流调节。这个电流环路调节内部开关电流限制,这样跨 ISP / ISN 引脚的电压就不会超过 ICTRL 引脚设定的电压。另一个 IMON 引脚用来监视通过 ISP / ISN 引脚测量的平均电流。这种电流控制功能可在几个 LT8613 之间实现准确的均电,而无需任何额外的控制电路。
图 3 显示了三个 LT8613 并联以提供高达 16A 输出的电路。最上面一个 LT8613 是主稳压器,其输出电压设定为 4V,另外两个 LT8613 是从属稳压器,其输出电压设定为略高于 4V。

图 3:以一个三相设计的 3 个并联 LT8613 在 4V VOUT 时提供 16A
为了在 3 个 LT8613 稳压器之间均流,主稳压器 LT8613 的 IMON 引脚连至从属 LT8613 的 ICTRL 引脚。3 个 LT8613 稳压器由 LTC6909 振荡器产生的三相 700kHz 时钟信号 (120° 相移) 同步。图 4 显示了这个三相 LT8613 设计的热像。这些 LT8613 的温度相似表明,三相之间的电流是均匀分配的。这个设计的效率如图 5 所示。

图 4:三相 LT8613 设计的热像显示,电流均分是平衡的

图 5:图 3 所示三相 LT8613 设计的典型效率曲线
EFFICIENCY:效率
LOAD CURRENT:负载电流
如果期望给这些相位之间的均流加权,也就是说让电流均分不平衡,那么简单地调节跨 ISP 和 ISN 引脚的检测电阻值即可。
结论
LT8612 和 LT8613 是全面集成的高功率密度单片式降压型稳压器,可满足挑战性的汽车和工业应用需求。这些稳压器能够非常方便地并联,以用于高效率、大电流应用,构成占板面积紧凑的解决方案。
(来源:ADI公司,作者:Ying Cheng,电源产品部 高级应用工程师 )
免责声明:本文为转载文章,转载此文目的在于传递更多信息,版权归原作者所有。本文所用视频、图片、文字如涉及作品版权问题,请电话或者邮箱联系小编进行侵删。



