【导读】随着时间流逝,我们对每种设备的准确度水平也有点熟悉了,而且知道对设备报告的数字信赖到什么程度,例如剩余 10% 电量。在较大功率的多节电池应用中,如果用户发现没有充足的电量,情形可能更加紧急,例如使用电动自行车、电池备份系统、电动工具或医疗设备等情况。

引言
我们很多人都会用到电池供电设备,这类设备会显示当前还有多少电量或运行时间,特别是因为,我们被家里的众多小器具所包围。从电动刮胡刀到平板电脑,我们依靠各种各样的电池电量指示器,帮助确定是否以及怎样继续使用这些设备。随着时间流逝,我们对每种设备的准确度水平也有点熟悉了,而且知道对设备报告的数字信赖到什么程度,例如剩余 10% 电量。在较大功率的多节电池应用中,如果用户发现没有充足的电量,情形可能更加紧急,例如使用电动自行车、电池备份系统、电动工具或医疗设备等情况。备用电池组也许并不总是现成可用,或者设备需要在特定的时长内连续运行,因此我们会重视准确的电池电量测量,或者重视评估在某一时刻电池或电池组还有多少电量。
除了充电、?;ず偷绯氐缌科胶獾缏?,电池电量测量一般也是智能化多节电池系统中会有的多种功能之一。不管提供什么功能,电池系统都面对一套独特的设计挑战,因为电池的电气特性始终处于变化之中。例如,电池的最大容量 (也称为健康状态或 SOH) 和自放电速率始终随时间流逝而降低,同时充电和放电速率随温度改变而变化。设计良好的电池系统尽可能多地连续应对这类参数漂移,以向最终用户提供准确度一致的电池性能标准,例如充电时间、估计电量或预期电池寿命 (或剩余充电次数)。
简言之,准确的电池电量测量需要准确的电池电量计 IC 和一个相关和针对电池的模型,以最终为系统提供人们最渴望的电池电量测量参数 ─ 充电状态 (SOC),或者以最大容量的百分数表示的当前电池电量。尽管市场上有集成了电池模型和算法以直接估计 SOC 的电池电量计,但是经过抽丝剥茧,我们发现,这类设备的 SOC 估计方法往往过于简化,代价是极大地损害了准确度。此外,这类设备通常仅适用于特定的电池化学组成,需要额外的外部组件以连接高电压。现在来看一下图 1 所示的凌力尔特 LTC2944,这是一款简便的 60V 电池电量计,专门为准确测量单节或多节电池的电量提供了最基本的功能。

图 1:LTC2944 60V 电池电量计
依靠库伦计数
目前的研究显示,精确的库伦计数以及精确的电压、电流和温度是准确估计 SOC 的前提条件,迄今为止在这样的前提条件下,所产生的最低误差为 5%。这些参数使我们能够准确地确定电池位于充电或放电曲线的哪一点上,这时库伦计数不仅使电压读数更可靠,而且有助于区分曲线的任何平坦区域。图 2 显示了不同电池化学组成的典型放电曲线。库伦计数有助于避开以下情形:设备长时间误导性地报告 75% SOC,然后突然降至 15% SOC。这种情形往往发生在仅通过测量电压来估算 SOC 的设备中。为了对库伦计数,用户要将库伦计数器初始化至一个已知的、电池满充电时的电池容量,然后当放电时倒计数,或充电时正计数 (以解释部分充电)。这种方法的优势是,电池化学组成不必是已知的。因为 LTC2944 集成了一个库伦计数器,所以这款器件可以非常方便地复制和粘贴到多种设计中,而不受电池化学组成的影响。

图 2:不同电池化学组成的典型放电曲线
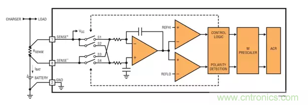
我们来看一下图 3 中 LTC2944 怎样对库伦计数。请记住,电量是电流对时间的积分。LTC2944 通过监视检测电阻器两端呈现的电压,以高达 99% 的准确度测量电量,检测电压范围为 ±50mV,这里差分电压加到一个自动调零的差分模拟积分器上以计算电量。当积分器输出斜坡变化到高基准电平和低基准电平 (REFHI 和 REFLO) 时,开关切换以改变斜坡方向。然后控制电路观察开关状态和斜坡方向以确定极性。接下来,可编程预分比例器允许用户按照 1 至 4096 的因子增加积分时间。随着预分比例器每次下溢或上溢,累积电量寄存器 (ACR) 最终递增或递减一个数。

图 3:LTC2944 以高达 99% 的准确度测量电量
值得一提的是,LTC2944 的库伦计数器中使用的模拟积分器引入的差分偏移电压最小,因此最大限度减小了对总体电量误差的影响。很多库伦计数电池电量计对检测电阻器两端的电压进行模数转换,并累积转换结果以计算电量。在这种方法中,差分偏移电压可能是主要的误差源,尤其是在获取小信号读数时。例如,考虑一个电池电量计,该电量计采用基于 ADC 的库伦计数器,最大规定差分电压偏移为 20µV,当以数字方式对 1mV 输入信号进行积分时,偏移导致的电量误差会是 2%。相比之下,使用 LTC2944 的模拟积分器时,偏移导致的电量误差仅为 0.04%,为前者的 1/50!
回到基本要素 - 电压、电流和温度
如果库伦计数负责增强电压读数的可靠性和区分充电或放电曲线的平坦区域,那么电流和温度就是负责获取最相关的曲线以开始测量的参数。挑战是,电池的端电压 (连接到负载时的电压) 受到电池电流和温度的显著影响。因此,电压读数必须用校正项进行补偿,这些校正项与电池电流和开路电压 (与负载断接时的电压) 随温度的变化是成比例的。因为仅为了测量开路电压而在运行时断开电池和负载的连接是不切实际的,所以好的做法是,至少逐个电流和温度曲线调节端电压读数。
既然高 SOC 准确度是终极设计目标,所以 LTC2944 采用了一个 14 位无延迟增量累加 (No Latency ΔΣ™) ADC,分别以高达 1.3% 和 ±3°C 的保证准确度测量电压、电流和温度。实际上,LTC2944 的典型性能好得多。图 4 中的曲线显示,LTC2944 的某些有价值的准确度数字是怎样随温度和电压而变化的。图 4a 显示,测量电压时,随检测电压变化,ADC 总的未调整误差一般在 ±0.5% 以内,而且相当恒定。类似地,图 4b 显示,测量电流时,随温度变化,ADC 增益误差一般在 ±0.5% 以内。最后,图 4c 显示,就任何给定检测电压而言,温度误差在温度变化时仅变化约 ±1°C。所有这些准确度数字加起来,可能很容易损害 SOC 准确度,这就是为什么在众多性能规格中要注意特定电池电量计测量电压、电流和温度的准确程度,而这点是很重要。
图 4a:测量电压时 ADC 的增益误差

图 4b:测量电流时 ADC 的增益误差

图 4c:温度误差随温度的变化
测量电压、电流和温度时,LTC2944 提供 4 种 ADC 运行模式。在自动模式,该器件每隔几毫秒连续执行 ADC 转换,在扫描模式,该器件每 10 秒转换一次,然后进入休眠模式。在手动模式,该器件按照命令进行单次转换,然后进入休眠模式。无论何时,只要该器件进入休眠模式,静态电流就被最大限度降至 80µA。LTC2944 的整个模拟部分还可以完全关断,以进一步将静态电流降至 15µA,因为用户最不想要的一件事,就是电池电量计令人啼笑皆非地消耗大量电池功率。
便利的接口
用户可以通过数字 I2C 接口,从 LTC2944 读出电池电量、电压、电流和温度。用户还可以通过 I2C,配置几个 16 位寄存器,这样就可以读出状态、控制接通/断开并针对每个参数设定可报警的高低门限。有了报警系统,就无需软件连续轮询,因此 I2C 总线和主机有时间去执行其他任务。此外,ALCC 引脚既用作 SMBus 警报输出端,又用作可连至电池充电电路充电完成输出端的充电完成输入端。有了所有这些数字功能,有人可能仍然会问:“为什么 LTC2944 中没有置入电池电量曲线或容量 / SOC 估计算法?” 答案很简单 ─ 这完全归结为 (也许不出所料) 准确度问题。
尽管内置电池电量曲线和算法的电池电量计可以简化设计,但是作为真实世界电池行为的模型,这些曲线和算法常常次数不足或缺乏相关性,在测量过程中草率地牺牲了 SOC 准确度。例如:用户可能被迫使用由未规定的来源或在未知温度范围内产生的通用充电和放电曲线;曲线和算法也许不支持用户使用的电池化学组成,这对 SOC 准确度造成了又一个打击。重点是,准确的电池建模一般会考虑很多变量,而且足够复杂,这样对用户才是有意义的,用户可以用软件对自己的电池建模,以获得最高的 SOC 准确度,而不是依靠不准确的通用内置模型。这类内置模型还使电池电量计不够灵活,难以在不同设计中重用?;桓鏊捣ǎ娜砑雀挠布菀椎枚?,与更换也需要配置的电池电量计相比,更改特定于应用的代码容易得多。
如果通过非常方便的 I2C 接口提供所有这些必要的电池测量参数和无与伦比的准确度还不够的话,那么高压功能就是使 LTC2944 真正不同于今天市场上其他电池电量计之处了。LTC2944 可直接从低至 3.6V 的电池到高达 60V 的满充电电池组供电,从而满足了从低功率便携式电子产品到大功率电动型汽车的任何应用的需求。无需在电源或测量引脚上使用额外的电平移位电路而使设计复杂化,电池 (或电池组) 与 LTC2944 之间可以直接连接,这极大地简化了硬件设计。最大限度减少外部组件数量也降低了总体功耗,并提高了准确度,因为不存在电阻分压器等组件。
结论
电池电量测量本身是一门艺术,因为有很多相互依赖的、影响 SOC 的参数。全球的专家们都认为,准确的库伦计数与电压、电流和温度读数相结合,为估计 SOC 提供了最准确的方法。LTC2944 电池电量计提供所有这些基本测量,并有意不包括内部电池模型,从而允许用户在特定于应用的软件中采用对自己有意义的电量曲线和算法。此外,通过 I2C 非常容易访问测量及配置寄存器,同时高达 60V 的多节电池可以直接与 LTC2944 连接。对任何数量、任何化学组成的电池进行电量测量从来没有这么容易,或者更重要的是,从来没有这么准确。
免责声明:本文为转载文章,转载此文目的在于传递更多信息,版权归原作者所有。本文所用视频、图片、文字如涉及作品版权问题,请电话或者邮箱联系小编进行侵删。




