【导读】目前市面上,汽车大灯的光源主要有卤素,氙气和LED大灯三种。卤素车灯,卤素是车灯填充物的主要元素,这其中应用于汽车车灯的主要是碘或者是溴。它的优点在于制造成本低,缺点在于热量过大,使用寿命不长。
氙气车灯,氙气是一种惰性气体,被填充在车灯里,而后经过车内部增压器的增压,产生的压力可以瞬间将氙气电离从而产生光亮,其优点在于价格低廉,照明度亮度比卤素要高;缺点在于一些极端天气下,射出的光线并不足以穿透大雾,这就有可能造成安全隐患。
LED车灯,今年来,LED作为新型照明光源具有优良的性能,其应用正在迅猛增长。其主要优点在于寿命长,高效率、低能耗。缺点在于成本高,散热不好。从LED车灯技术发展现状与趋势来讲,其价格正在稳步下降, LED车灯向个性化和艺术化方向发展,同时LED智能控制系统也将快速发展。
TPS92633-Q1的特点
TPS92633-Q1是TI新推出的LED驱动,可用于汽车尾灯,内/外部小灯上。TPS92633-Q1 是一款线性驱动器,可承受4.5V到40V的宽压输入,每通道输出电流达150mA。该芯片的诊断功能包括LED开路,LED对地短路和单 LED 短路检测。 TPS92633-Q1 的one-fails-all-fail功能能够与其他 LED 驱动器 (如 TPS9261x-Q1 ,TPS92630/8-Q1 和 TPS92830-Q1) 配合使用。除此以外,TPS92633-Q1还有三点独特的设计。
1. 独特的热管理设计,避免设备高温。
TPS92633-Q1的每个通道提供两个电流输出路径,电流从电源流经 R(SNSx)进入集成的电流调节电路,并通过 OUTx 针脚和 Resx 针脚流向 LED。 OUTx 引脚和 Resx 引脚上的电流输出都是独立调节的,以实现所需的总电流。输出 OUTx 和 Resx 的总和电流等于流过 R(SNSx) 的电流。
OUTx 连接LED 负载的阳极,但是 Resx 通过外部电阻连到 LED ,利用外部电阻实现热分享,其方式如图1所示。当供电电压低于或者接近于LED需要的正向电压时,电流主要通过图1的红色路径;当供电电压高于LED需要的正向电压,电流路径转为绿色,通过R(SHUNT)分压以实现热分散。图2 显示了R (resx) 为 68.5 Ω 时的功耗分配曲线,由图可知输出功耗的分配主要取决于供电电压。

图1 电流流向示意图

图2 输出功耗分配和供电电压的关系
2. 跨板调节LED亮度。
TPS92633-Q1有模拟调光功能,通过等式1可知通过调整ICTRL脚上电阻的大小,可以调整输出电流,从而实现LED 的亮度调节。为了抑制噪声,建议使用两个电阻,其中一个固定电阻放置的离ICTRL脚越近越好,另外一个调光电阻可以放在另外一个放置LED的PCB板上,如图3所示。

图3 跨板调节示意图
3. NTC热敏电阻调整输出电流。
模拟电流控制功能还允许在 ICTRL 引脚上连接 NTC 热敏电阻,根据测量的 PCB 板温度或 LED 单元温度实现输出电流的调整。 NTC 热敏电阻随着温度升高而降低。它导致 ICTRL 引脚上的 R(ICTRL) 等效电阻降低,根据等式1可得出随着R(ICTRL)降低输出电流降低。图4中, R1 和 R2 的电阻值与 NTC 热敏电阻配合使用,以实现高温下,输出电流的调整。具体输出电流随温度变化曲线如图5所示。

图4 外部NTC热敏电阻应用原理图

图5 输出电流随温度变化曲线
典型应用及PCB Layout
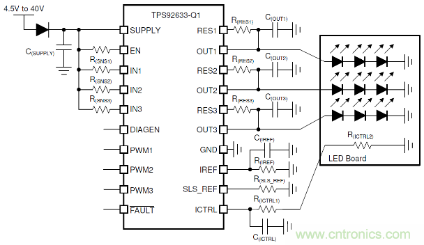
TPS92633-Q1可以用来驱动汽车的尾灯和内部小灯,其典型应用如图6所示。图7是TPS92633-Q1的PCB布局示例,主要考虑两大要素:
散热是TPS92633-Q1布局的主要考虑因素。
在PCB的顶层和底层都建议有较大的散热面积。因为R(RESx)与TPS92633-Q1一样有功耗,建议将R(RESx)电阻器放置在距离TPS92633-Q1设备20 mm以上的位置。在R(RESx)周围还需要较大的铜浇注区域,以帮助散热。
抗噪性是TPS92633-Q1布局的次要考虑因素。
SUPPLY、ICTRL和IREF引脚的噪声去耦电容放置在尽可能靠近引脚的位置。R(RESx)电阻器放置在尽可能靠近INx管脚的位置,并通过最短的PCB连线到SUPPLY脚。

图6 TPS92633-Q1的典型应用

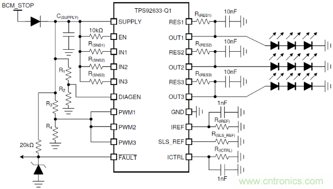
图7 TPS92633-Q1的PCB布局示例
参考资料:
[1] 车灯的市场空间、技术升级与企业布局(证券研究报告)
[2] TPS92633-Q1 Three-Channel Automotive High-Side LED Driver with Thermal Sharing and Off-Board Binning datasheet
免责声明:本文为转载文章,转载此文目的在于传递更多信息,版权归原作者所有。本文所用视频、图片、文字如涉及作品版权问题,请联系小编进行处理。
推荐阅读:






