桃花源qm花论坛(品茶),凤楼阁论坛官网入口网址,一品楼品凤楼论坛最新动态,风楼阁全国信息2024登录入口

你的位置:首页 > 电源管理 > 正文

断路器三相不一致?;ば滦涂刂苹芈酚爰觳庾爸酶慕?/h2>

发布时间:2021-02-20 来源:柏文健、岑荣佳 责任编辑:wenwei

【导读】贵州电网有限责任公司都匀供电局的研究人员柏文健、岑荣佳,在2019年第1期《电气技术》杂志上撰文,提出一种新型三相不一致?;た刂苹芈罚帽;た刂苹芈吩黾恿?a target="_blank" style="text-decoration:none;" >继电器和触点的数目并改变了原有的拓扑结构。
 
对比传统三相不一致控制回路中存在的器件易老化、时间继电器可靠性差等不足,本回路具有对器件依赖性低,防老化性能更好、可靠性更高的特点。同时针对电网故障排查中遇到的时间继电器校准存在的步骤复杂、需要断电等问题进行了简单的探讨和分析。
 
三相不一致运行是指电力系统中某一支路上三相中的单相或者两相断开运行的情况。对于部分高压和所有超高压、特高压的电压等级的电网,出于对高压绝缘、系统稳定性和系统继电?;づ渲玫目悸?,系统大范围的采用分相断路器,并配置有单相重合闸?;で也捎煤蠹铀俦;ぁ?/div>
 
同时由于装置和人工操作等因素,系统在正常工作过程中会不可避免的处于三相断路器分相状态不一致的异常运行状态,应配置可以反映断路器非全相运行状态的非全相?;?,作用于跳开已处于不正常状态的断路器。根据GB/T 14285—2006《继电保护和安全自动装置技术规程》,220~500kV断路器三相不一致,应尽量采用断路器的本体三相不一致?;ぃ辉倭硗馍柚猛啾;ぁ?/div>
 
但是,在实际的工况运行下,断路器控制回路的可靠性相对较低,主要原因是二次回路中采用的接触器、继电器等关键元件运行工况较差,断路器的三相不一致?;た刂苹芈分械氖奔浼痰缙餍枰ㄊ钡男<?,从而才能保证供电的可靠性。
 
关于三相不一致回路改进的研究有很多,各有侧重,文献[7]提出的控制回路降低了对于器件的依赖性,提高了?;さ目煽啃?,但是一定程度上增加了检修的负担。文献[8-9]则提出改变回路拓扑结构以及增加继电器数量实现防误动的功能,却没有考虑器件的运行工况对可靠性的影响。文献[10]则通过增加触点降低对运行工况的要求。
 
随着技术水平的进步和对供电可靠要求的不断提高,新的问题在实际运行中不断的被发现,综合考虑并改进保护原有存在的不足是很有必要的。
 
本文先介绍了传统的经典三相不一致保护控制回路,分析其中存在的问题。针对这些接触器、继电器存在的隐患,提出了一种新型的三相不一致?;た刂苹芈?。通过对比发现,新型控制回路可以有效地解决回路的自保持问题,实现防跳,并有效地降低了触点损坏老化对?;せ芈返挠跋?。
 
同时对于工程校检时间继电器存在的步骤复杂、安全风险高等问题,提出了一种新型的实时监测校检装置的设想,不仅可以减少工作人员的工作量,还能够提供记录历史数据功能。
 
1 典型断路器三相不一致?;?/div>
 
1.1 典型保护控制回路
 
目前电力系统三相不一致?;さ奶⒒芈啡缤?所示。典型回路中的核心元件是时间继电器TS和跳闸辅助继电器K61。
 
断路器三相不一致保护新型控制回路与检测装置改进
图1典型断路器本体三相不一致?;せ芈?/div>
 
保护控制回路由断路器的一组三相??サ愫鸵蛔槿喑1沾サ愦⒘槌?。
 
当出现三相不一致运行的情况时,以上??统1沾サ愀髯灾辽儆幸幌啻τ诒蘸献刺谑切纬闪送?,使时间继电器TS和跳闸继电器K61处于通电状态,跳开故障的断路器,以保证系统的安全运行。
 
1.2 典型三相不一致保护的缺陷
 
典型的三相不一致?;ぴ谑导适褂弥写嬖谧胖疃嗟娜毕?,其中最主要的问题在于核心时间继电器元件的可靠性问题。如起动回路中只使用了一个时间继电器,可靠性较低,时间继电器的整定时间需要满足系统稳定性与继电?;に俣缘囊?,同时需要与单相重合闸的整定时间相配合,若时间继电器的发生动作时间偏移,则三相不一致保护可能会引起误动作。
 
三相不一致?;さ恼ㄊ奔湟灿τ肓阈蚝透盒虮;さ恼ㄊ奔湎嗯浜?。据统计,由于时间继电器的故障导致的误动作占三相不一致保护误动作的70%。而三相不一致保护的误动作会对电网、发电机、变压器等重要电力设备产生诸多危害,严重危害电力系统的安全稳定运行。
 
另外,目前断路器三相不一致保护的继电器工作环境恶劣,特别是由于其长期在户外运行,内部精密器件易受影响。同时继电器和触点的设计与选型标准尚不完整,复杂的工作环境可能导致其??サ憷匣蛘哐趸斐杀;ぞ芏?,或者由于受潮和绝缘降低存在着误动的风险。即使是ABB、OMRON的部分器件也存在此问题。
 
综上所述,目前典型的?;た刂苹芈返挠诺阍谟诮峁辜虻ィ褂迷仙?。从保护原理角度,回路采用更简单的结构提高了?;さ目煽啃浴H欢?,典型控制回路对于时间继电器的依赖较高,不能很好解决继电器的老化、氧化等问题。
 
2 新型断路器三相不一致?;?/div>
 
2.1 新型保护控制回路
 
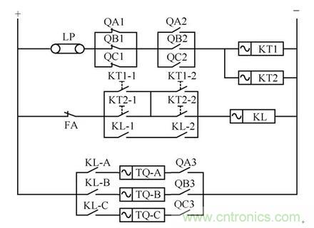
为了保证系统的安全稳定运行,并且克服经典回路存在的不足,本文提出了一种新型的?;た刂苹芈罚缤?所示。
 
断路器三相不一致?;ば滦涂刂苹芈酚爰觳庾爸酶慕? width=
图2新型断路器本体三相不一致保护回路
 
新的控制回路包括改进后的起动回路、跳闸回路、自保持回路、防跳回路。起动回路:由KT1和KT2时间继电器相并联,KT1-1、KT2-1、KT1-2、KT2-2分别是其对应的常开触点。只需要有一组时间继电器动作就能保证跳闸回路通电。避免了一个时间继电器故障时的拒动风险,也很大程度上降低了由于某一个或者两个时间继电器触点因工况不良造成的拒动情况,提高了?;さ目煽啃?,避免了采用单一触点由于绝缘降低、受潮、脏污引起的保护误动。
 
自保持回路:在跳闸继电器通电后,对应的??サ鉑L-1,KL-2变为闭合状态,跳闸回路持续通电,形成自保持。补充了在目前现场应用中有部分国内厂家断路器缺乏该的回路,同时也避免了采用单一触点的缺点。
 
防跳回路:防跳回路的逻辑如图3所示。
 
断路器三相不一致?;ば滦涂刂苹芈酚爰觳庾爸酶慕? width=
图3防跳回路示意图
 
在断路器三相合闸回路前段和后段串联三相不一致的跳闸继电器KL所对应的触点KL-3和KL-4。继电器KL断电后常闭触点跳开,令合闸回路断电实现防跳功能。在现场应用的断路器中50%不具备防跳功能,在具备防跳功能的断路器中在负电侧采用了单一触点,图3新型控制回路避免了直流接地造成的防跳失效的问题。
 
除了原理上的分析,对于三相不一致保护继电器的选型,还应关注其耐压水平、电容元件、密封性等诸多方面,需要根据实际工况选择合适型号的继电器[15]。
 
2.2 新型?;た刂苹芈返牟馐杂敕治?/div>
 
在某220kV变电站220kV备用线路间隔测试了新型?;せ芈酚氪晨刂苹芈?,其结果见表1。
 
断路器三相不一致?;ば滦涂刂苹芈酚爰觳庾爸酶慕? width=
表1传统控制回路与新型控制回路测试结果
 
该间隔断路器为国内某厂家2004年生产。使用原控制回路测试了50次后更改为新型控制回路,又测试了50次。各项功能测试中模拟了绝缘降低、受潮、脏污、接点粘死、元件故障等缺陷。该间隔断路器本体三相不一致?;の瓷杓品捞δ埽诙下菲鞅咎迦嗖灰恢卤;ざ骱蠖下菲魅文芎险?,故合格率为0。将时间继电器动作时间整定为2s,计算标准差以衡量时间继电器的时间离散程度。
 
通过测试,表明新型?;た刂苹芈返闹饕诺阌校?/div>
 
1)时间继电器离散程度低可靠性高,并且降低了由于工况恶劣导致继电器触点误动拒动造成危害的几率。
 
2)自保持回路的可靠跳闸,避免了采用一副触点时由于受潮和绝缘降低,造成继电器KL误动的风险。
 
3)防跳回路避免了断路器跳闸后再次合闸给电网带来的二次伤害,避免跳闸回路的触点粘死或直接接地导致的防跳回路失效。
 
综上所述,断路器三相不一致保护的新型控制回路,通过对起动回路和跳闸回路的改进,改变设备的拓扑结构以及增减继电器与触点的数量,减少了设备之间的相互影响,很大程度上降低了设备工况问题对电网的危害,间接提高了?;さ目煽啃裕⑶胰阅鼙Vち己玫木眯б?。
 
3 对新型三相不一致保护的展望
 
断路器三相不一致?;ば滦涂刂苹芈反釉砩峡朔舜车湫偷娜嗖灰恢卤;た刂苹芈反嬖诘牟蛔阌氡锥?。通过增加了元件数目提高了?;た刂苹芈返目煽啃裕氪送币膊豢杀苊獾卦黾恿吮;ぷ爸眯<斓牟街瑁渲?,校检触点的老化与氧化工作相对简单,更为复杂和重要的是对于时间继电器的校检工作。
 
根据研究表明,时间继电器的故障主要源于老化后设备的硬件故障和计时偏移的缺陷。同时,目前继电?;すぷ魅嗽痹诙允奔浼痰缙鞯恼ㄖ到行<焓比杂胁簧俚穆榉场?/div>
 
目前,可将主流的校检的方式分为以下两类。
 
第一类:断电以后将三相不一致电路拆下用专业仪器进行校检。此方法在测量全过程中需要在保证断电,同时拆除以及安装接线可能造成接线的错误。该过程需要花费大量的时间与人力。
 
第二类:将实验台搬至断路器机构箱处进行校检。此方法同样需要断电进行,可以直接利用实验仪测试线对时间继电器加动作电压进行测量。该方法较第一类方法的优点在于避免了拆线安装的繁琐与接线错误的风险,很好减轻了人工的负担。但是由于需要外加电压,所以可能存在设备损坏的风险。
 
目前断路器三相不一致保护监测存在的主要矛盾是校检的步骤过于复杂或者校检的附加仪器过于繁多,并且许多新型?;し桨冈黾恿诵栊Q榈囊瞧骱托Q榈牟街?。一种能够在?;ねǖ缱刺率凳奔嗖庑<斓呐涮紫低郴蛘咦爸贸晌颂剿鞯姆较?。这种装置既可以避免拆线接线的复杂步骤,又可以有效避免接线发生错误对电网安全稳定运行的危害。同时这套附加设备必须是精简且成本不高的。
 
为解决以上问题,本文提出了一种新型实时监测校检装置的工作原理图,如图4所示。实时采集并记录断路器三相不一致时间继电器起动信号以及跳闸辅助继电器动作信号,通过对于时间继电器的实时监测,极大减小了?;ば<斓墓ぷ?,令更复杂可靠的新型控制回路的使用成为了可能。
 
断路器三相不一致保护新型控制回路与检测装置改进
图4实时监测校检装置的工作原理图
 
新型的断路器三相不一致回路可以与其配套的实时监测校检系统相互搭配使用。既能从原理上克服原有传统典型控制回路存在的缺陷,又可以在运行维护的过程中降低人力成本,提高时间继电器的可靠性,满足电网创新发展的需求。
 
结论
 
针对断路器三相不一致保护控制回路,本文在分析了传统二次回路的缺陷之后,提出了新的三相不一致控制回路。新的回路较之原来改进了控制回路拓扑结构,改进了自保持和防跳的功能,以保证保护可以有效地跳开并切除故障,使系统恢复到三相对称运行状态。并在设计时考虑了硬件工作工况的问题,从逻辑上降低了硬件故障的危害。
 
文章来源: 柏文健、岑荣佳 电气技术
 
 
免责声明:本文为转载文章,转载此文目的在于传递更多信息,版权归原作者所有。本文所用视频、图片、文字如涉及作品版权问题,请联系小编进行处理。
 
推荐阅读:
 

关闭

?

关闭