桃花源qm花论坛(品茶),凤楼阁论坛官网入口网址,一品楼品凤楼论坛最新动态,风楼阁全国信息2024登录入口

你的位置:首页 > 电源管理 > 正文

在当今电子应用中,可靠且受控的上电和关断真的很重要

发布时间:2021-02-03 来源:ADI 责任编辑:wenwei

【导读】当今的电子应用常常需要不止一个5 V或3.3 V电源电压。10个、20个或更多的电压并不罕见。此外,有的电压域具有相同的电压电平,但必须作为单独的域产生——也就是说,这些电压必须产生两次。一个例子是提供两个相同的电压来分别为模拟和数字负载供电。这种分离可防止相互干扰,并在不同时间为不同负载提供能量。
 
图1显示了一个具有很多不同电压域的系统框图。这些电压由单独的开关稳压器和线性稳压器产生。各电压转换器的选择在很大程度上取决于所需的转换效率、要产生的电压以及相应负载所消耗的电流(最后一点尤其重要)。因此,每个电压转换器的设计有很大不同。
 
在当今电子应用中,可靠且受控的上电和关断真的很重要
图 1. 典型电子系统需要八个电压。
 
另外,对于每个转换器,各电压上电的延迟也会不同。这导致不同电压域中的电压爬升不受控制,有可能引起功能问题并损坏系统。
 
因此,通常需要可靠的上电顺序以确保每个电压在正确的时间达到其目标值。另外,关断常常也要遵循特定的关断顺序。
 
在有多个电源电压的系统中,监视不同电压的能力可能很重要。仅有两个电压域的系统中的区区小事,在有许多电压的系统中会变得非常复杂。因此,许多时序控制器还内置了电源监控器或电压监视功能。
 
图2所示为ADM1186-1 模拟时序控制器IC。它能图2所示为控制和监视四个电压域。电压的上电和关断是通过控制相应电压转换器上的使能(开/关)引脚进行的。电压转换器的开启时间可以利用小电容产生的时间延迟来调整。各输出电压通过相应的监控引脚进行监控。当所有电压建立之后,时序控制器电路产生电源良好信号。
 
在当今电子应用中,可靠且受控的上电和关断真的很重要
图 2. ADM1186-1 模拟时序控制器解决方案,最多可监控四个电压转换器。
 
模拟时序控制解决方案(如ADM1186-1)很容易使用。它们具备多电压系统所需的全部功能。模拟时序控制器与数字时序控制器的不同之处在于,前者的设计较为简单,并且系统需要的数字监视功能较少。例如,它们可以不使用PMBus或类似协议。
 
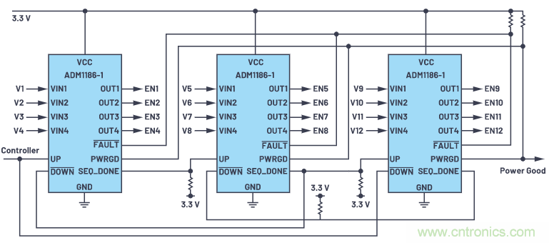
图1所示的示例系统使用了八个电压域。对于具有四个以上电压域的系统,如何进行时序控制和监视?为此,可以将多个ADM1186-1电路按顺序组合起来。实际上,可以将任意数量的ADM1186-1时序控制器连接在一起。
 
市场上可以找到此类时序控制(即把单独的时序控制器耦合起来)的很多例子。然而,ADM1186-1脱颖而出的原因是当用在链接应用中时,它还支持在上电和关断期间进行完整的时序控制,如图3所示。与之相当的解决方案可以提供链接不同时序控制器IC的可能性,但它们仅支持各个电压的受控斜坡上升,而不支持这种菊花链星座中的受控关断时序(即电压关断)。
 
在当今电子应用中,可靠且受控的上电和关断真的很重要
图 3. 多个 ADM1186-1 器件链接在一起,可控制 12 个电压的上电和关断时序。
 
可靠且受控的上电和关断在许多现代系统中都很重要,此需求可以利用ADM1186-1之类的解决方案灵活地实现,几乎不需要任何开发工作。
 
ADM1186
 
●     4个开漏使能输出
●     VCC引脚采用2.7 V~5.5 V单电源电压
●     可以对4个输入进行编程,从而利用电阻分压器监控不同的电压电平
●     开漏使能输出
●     开漏时序完成与双向开漏Fault引脚(ADM1186-1)
●     数字内核支持上电与断电排序,多个器件可以并用(ADM1186-1)
●     电源排序延迟与超时延迟,精度5%
●     通过0.8%的高精度比较器监控4个电源
 
 
免责声明:本文为转载文章,转载此文目的在于传递更多信息,版权归原作者所有。本文所用视频、图片、文字如涉及作品版权问题,请联系小编进行处理。
 
推荐阅读:
 
接收器IC混合式混频器、频率合成器和IF放大器
Vishay赞助的同济大学电动方程式车队勇夺冠军,支持培养下一代汽车设计师
音频D类功放LC滤波器设计(一)
如何利用微控制器的完全隔离来控制具有电压和电流输出的16位输出???/a>
汽车USB 2.0和5 V Type-C解决方案提供充电和稳健的数据线?;?/a>
要采购转换器么,点这里了解一下价格!
特别推荐
技术文章更多>>
技术白皮书下载更多>>
热门搜索

关闭

?

关闭