【导读】在电力系统设计中,提供电气隔离通常是必要的。保持高低压域电隔离,防止电流在它们之间流动,否则可能导致严重的安全问题。当然,隔离的域仍需要进行交互,让数据在它们之间传输。
尽管隔离很普遍,但是有效地实现隔离仍然存在问题,尤其是当我们向更高的系统集成度发展。它的主要目的是安全,但它也可以通过最大化共模瞬变抗扰度(CMTI)来提高性能,这是在汽车行业中使用隔离的主要原因之一。另一个原因,尤其是在电动汽车中,是支持电压域之间的电源转换和电平转换。
电源转换系统通常使用功率MOSFET或IGBT。这些器件需要使用低压信号由门极驱动器来开关。为保持不同的电压域独立但相互连接,需要隔离,这就是个典型的示例。隔离通常使用光耦合器来实现,这至少需要两个分立器件。发射器是一个LED,接收器包括一个光电二极管。
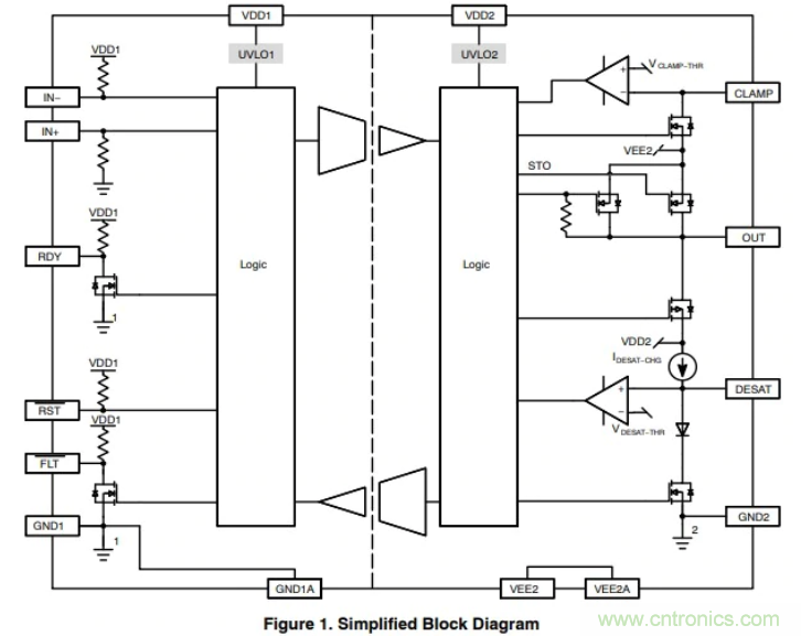
尽管光耦合器可易于实现极高的5 kVrms或更高的隔离,但它们体积大且易老化。在没有光的情况下实现跨越隔离栅的通信,同时仍保留所需的隔离水平,这是可能的。光耦合器在许多应用中可能是理想的选择,但替代技术的趋势越来越明显,集成的隔离器件提供更多便利。一个示例是安森美半导体的NCD57001。它使用通过无芯变压器的磁耦合在微型电感器之间创建数据路径,从而提供5 kVrms的电气隔离和至少100 kV / us的CMTI。

图1:安森美半导体的先进的NCD57001门极驱动器IC
NCD57001的另一个显著特点是它的输出级,专为解决一个常见问题而开发。它具有一个内部缓冲级,为克服米勒平台而设计。这是传递曲线区域,证明了许多门极驱动器的消亡。在此期间,寄生米勒电容生效,从而降低了开/关转换速度。

为了补偿米勒电容的迟滞效应,输出缓冲器的作用是通过米勒平台(Miller Plateau)来增加驱动电流。栅极端子上的米勒电容是开关损耗的主要原因。当门极电压开始上升且驱动器输出电压与门极电压之差减小时,提供大电流输出驱动,IGBT或MOSFET可以更快地通过米勒平台。这是利用输出级的升压效应来减少为寄生/米勒门极电容充电所需的时间来实现的。
NCD57001的无芯变压器技术,在芯片级门极驱动器中提供了有效的隔离。这些全集成的隔离式门极驱动器具有真正的工程优势,并且在需要以小尺寸实现高隔离度的应用中是光隔离驱动器的绝佳替代品。其为克服米勒平台而设计的输出升压级还提高了开关效率。随着越来越多的应用采用高直流电压,对高效和安全隔离的需求也在增长。因此,创新方案如NCD57001可真正为您的下一个功率开关应用带来积极的改变。
推荐阅读:




