【导读】随着锂电池行业的兴起,电池测试设备的市场也变得庞大,其主要应用于3C电池与动力电池的化成分容。3C电池的串数少,实际使用对每串电池要求的一致性不高,而动力电池由于串数高达数百串,并且使用环境相对极端,为保证较长的使用寿命,相比3C电池在一致性上要求高的多,因此电池在分容中要求的电流精度较高,目前按照市场要求,保持0.02%的要求是电池测试设备生产商面临的设计挑战,为了争取更高的市场份额,对精度以及效率,功率密度等其他性能的追求也从未停歇。
需要知道的是在电池设备中,主要分为三大部分,分别为双向AC-DC电能变换,数据处理单元,以及电池测试单元。本文主要剖析实现电池化成分容技术要点紧密相关的电池测试单元的功率变换部分。
功率变换
电池测试单元的功率部分主要包括模拟控制器,半桥驱动,MOSFET,输入输出?;て鳌5缒鼙浠煌仄俗畛S玫木褪前肭耪鞯腂uck/Boost变换电路,主要是因为电路结构简单,控制也不复杂,同时能满足目前市面上低至0.5A或者更小以及高至上百安培的输出电流的应用场合,不同的是在大电流应用场合,为了保证良好的散热性能并减小体积,多采用多相Buck/Boost并联的方式,无论单相还是两相甚至多相,不变的是控制方案。
TL594分立方案
目前比较成熟的方案是TL594的模拟分立方案,德州仪器在之前推出过TL594方案的TI Design,如图1所示,该方案成熟稳定,且有性价比优势。

图1 TI Design框图
半桥驱动器
当测试单元的输出电流在10A左右或以内时,驱动能力要求不大的条件下一般1A左右即可满足要求,使用较为常见的有LM5109B和LM5106,表1。
当输出电流在几十上百安时,考虑MOSFET的快速切换所需要的驱动电流,UCC27282目前驱动电流2.5A source/3.5A sink电流,且HS能承受的负压较大,可靠性较高,因为其具有的interlock的功能,所以不会变换器半桥节点的di/dt的干扰而出现半桥直通的情况。
表1:驱动器

LM5060与LM5069实现功率接口的?;て?/div>
当电池充电时,系统如果没有电流防倒灌?;?,被测试电池将放电,会产生不可靠的的系统启动动作,同时在系统过压过流欠压?;な?,如果只有主电路MOSFET关闭,电池仍然有电流倒灌的路径,因此附加输入输出接口保护器尤为重要。LM5060与LM5069适用于输入输出的接口的欠压,过压,浪涌电流等保护,参数如表2所示。
表2:负载开关参数表

LM5170-Q1集成方案
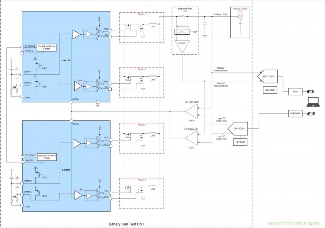
当电流较大,需要使用多相交错并联,而一颗TL594只能控制一相功率变换电流,同时需要外部给定给TL594同步信号,多相并联增加了TL594分立元件方案复杂度。LM5170-Q1的方案内部含有两路控制环路,既可独立工作也可以交错并联,且集成过压过流欠压等?;?,支持二极管仿真模式,同时也有防电流倒灌的?;さ缏贰M?为两路并联的典型应用方案TI Design: TIDA-01041,输出电流最大100A,且具有0.02%的电流精度与0.1%的电压精度。

图2: TIDA-01041
LM5170-Q1方案的优势在于不仅为信号链的设计留出了可自由拓展的空间,且集成度较高,为功率变换MOSFET的散热提供了较大的空间。ti.com提供几种不同电流大小的参考设计TID-A01041,TIDA-01042。
参考文献:
● PMP40182: 双向电池初始化系统电源板参考设计
● TIDA-01041: 用于多相高精度 0.5 至 100A 电池化成的电池测试仪参考设计
● TIDA-01042: 适用于 50A、100A 和 200A 应用的??榛绯夭馐砸遣慰忌杓?/div>
● 电池测试设备-参考设计及 产品
推荐阅读:
特别推荐
- 强强联手!贸泽电子携手ATI,为自动化产线注入核心部件
- 瞄准精准医疗,Nordic新型芯片让可穿戴医疗设备设计更自由
- 信号切换全能手:Pickering 125系列提供了从直流到射频的完整舌簧继电器解决方案
- 射频供电新突破:Flex发布两款高效DC/DC转换器,专攻微波与通信应用
- 电源架构革新:多通道PMIC并联实现大电流输出的设计秘籍
技术文章更多>>
- 瑞典Ionautics新一代HiPIMS设备HiPSTER 25落地瑞士Swiss PVD
- CITE 2026:以科创之钥,启电子信息新局
- 迈来芯单线圈驱动芯片:二十载深耕,实现无代码开发与高能效双突破
- 工业智能化利器:树莓派的多元应用与优势
- 电容选型核心指南:特性、误区与工程实践
技术白皮书下载更多>>
- 车规与基于V2X的车辆协同主动避撞技术展望
- 数字隔离助力新能源汽车安全隔离的新挑战
- 汽车模块抛负载的解决方案
- 车用连接器的安全创新应用
- Melexis Actuators Business Unit
- Position / Current Sensors - Triaxis Hall
热门搜索





