【导读】在工业控制世界,有几点是确定无疑的:下一款产品将具有更小的尺寸、更多通道数,每通道的目标成本更低。人们期望,技术在上一个设计产品之后已有所改进,所有这些都是可能的。在很大程度上,过去就是这样发展的,而未来很可能仍然如此。
从光耦合器时代到最新的高速、低功耗、高集成度数字隔 离器,数据接口一直在稳步发展。本文将讨论隔离传感器 接口的一个本应得到更多关注的方面。如何在缩小接口尺 寸并提高性能的同时,将隔离电源提供给ADC和调理电 路?过去,模拟接口板的通道数不多,因此板上有足够的 空间可用来设计适当的DC-DC转换器,以便为传感器接口 提供电源。一个??橹挥幸涣礁鼋涌冢虼斯牟皇鞘裁?大问题。而目前,模拟PLC???如图1所示)能够提供4 个、8个甚至16个独立的隔离通道。多个大小适中的 DC-DC转换器会占据很多空间,并产生很多热量。

图1. 典型多通道传感器接口
图1所示通用模拟接口为电源讨论提供了一个很好的起点。 有源电路包括信号调理单元(例如运算放大器或仪表放大 器),以及集成了串行接口的ADC,可通过数字隔离器通道 实现与FPGA的接口。通常该电路所需功率远低于150 mW。
为传感器接口提供电源的基本挑战是优化电源,使其在所 需功率范围内正常工作。0 mW至150 mW工作范围意味着 构成电源的控制器和反馈元件的固定静态功耗会占所用总 功耗的较大部分,因此效率较低。表1中不同电源配置的 静态电流值显示了这一点。另外,许多简单电源设计需要 一个最小负载才能正常工作,为使电源正常发挥作用,必 须将功率浪费在持续阻性负载上。虽然在电路板上放置一 个555定时器和晶体管来获得一定的功率很容易,但制作 一个高效、可靠、低功耗的电源则很困难。
在此功率范围内,有三种基本的DC-DC转换器类型:
1. 非稳压开关电源或???/div>
2. 稳压开关电源或模块
3. 芯片级功率转换器
采用这些电源结构都会增加控制电路的复杂性,而前两种 类型还需增加元器件数目和解决方案的尺寸。
非稳压电源
最简单的解决方案是图2所示的非稳压DC-DC转换器。

图2. 非稳压DC-DC???/div>
该设计利用固定频率、固定占空比输入切换来产生副边电 源,然后进行整流和滤波。所选变压器的额定隔离电压必 须达到应用要求。隔离要求越高,则变压器越大(即PCB面 积越大、高度越高)。该解决方案的成本以变压器为主,数 量合适的话,分立解决方案的成本低于1.00美元。
虽然成本很低,但负载和温度范围内的输出电压变化可能 很大,模拟接口的模拟器件选择将更加困难。模拟接口的 所有模拟器件都必须具有出色的电源抑制性能,负载不能 快速变化,否则就会引起电源大幅度改变。因此,器件成 本会提高,或者至少要花费更多的设计时间,以评估解决 方案在极端情况下的表现。非稳压电源的效率可能相当 高,但电源质量很低。
稳压电源和???/div>
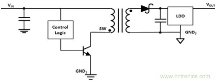
稳压电源提供更好的输出特性。图3显示一个1 W功率范围 内的典型DC-DC???。

图3. 稳压DC-DC???/div>
与上述非稳压电源示例类似,控制器将功率切换到变压器 中。选择适当的变压器功率水平和匝数比,以便在最大负 载下提供充足的电压,使得LDO能够将输出电压调节到稳 定的水平。该方案的电源效率在高负载下非常好,在低负 载下则很差,而后者正是模拟接口应用的运行情况。
有许多有源稳压方案可以提高全负载范围内的效率,但需 要复杂得多的控制电路,而且大部分方案需要在隔离栅上 建立一个反馈通道。这会大幅增加设计的成本和尺寸,一 般不适合此功率范围内的???。
由于难以将变压器整合到组件中,因此这些电源的集成并 未超出密封??榛騊CB子卡。制造商在缩小这些器件的尺 寸方面取得的成功非常有限。
芯片级转换器
芯片级变压器技术是ADI公司针对iCoupler®数字隔离器产 品而开发的,基于该技术已产生一类新型DC-DC转换器。 该技术非常适合低功耗高性能电源设计。变压器为“空 芯”,也就是说变压器中不存在磁性材料。这意味着,这 些微型变压器在大约125 MHz时具有最高的Q??仄德?如此之高,因而无法通过改变开关信号的占空比来控制功 率。相反,控制电路通过选通和开关整个振荡器来调节副 边电压。
变压器非常小,足以集成到采用内分引脚架构的标准IC封 装中。在隔离栅两侧,正向电源和输出反馈所需的全部器 件都可以集成到一对芯片中,无需外部分立器件,并且可 以实现多种高级特性。芯片级功率转换器能够集成完全稳 压DC-DC电源的全部功能,在低负载情况下具有紧凑型的 稳压特性和良好的效率。

图4.ADuM5010芯片级转换器
比较
下面通过一些实际例子来说明上述设计的区别。表1显示 两个电源??楹鸵桓鲂酒蹲黄鞯奶匦远员?。所选TI模 块为最常见的模块,功率范围为传感器接口要求中规定的 0 mW至150 mW。
表1. 技术对比

大部分设计师需要实现高电源效率的设计。表1中,非稳 压解决方案的效率最高,但选择该方案也有弊端。此???的额定功率为1 W,但其数据手册连100 mW以下的性能都 未给出。事实很可能是这样:输出电压显著高于额定值, 效率迅速降低。
效率第二的是稳压模块。它设计用于轻负载,具有良好的 特性。然而,仔细对比芯片级转换器,分析稳压??榈男?率,由图5可见,由于芯片级转换器集成有源反馈调节, 其效率能够更快地上升至最终值,因此在0 mA和15 mA的 负载范围内,芯片级解决方案事实上更有效。这基本上就 是最初模拟接口定义中的目标范围了。因此,尽管芯片级 解决方案的最大效率最低,它依然是一个较好的选择。

图5. DC-DC稳压??橛胄酒蹲黄鞯男识员?/div>
解决方案尺寸是下一个比较点。??榻饩龇桨冈赑CB上的 面积均为180 mm2,非稳压??榈母叨仁?0 mm,因此它不 仅要占用电路板空间,而且很可能是板上最高的部分,决 定??榈睦砺弁饪浅叽?。明智的选择同样是采用薄型 SSOP20 JEDEC标准封装、尺寸为55 mm2,并且添加一些旁 路电容和两个电阻的芯片级???。
稳压方案相对于非稳压方案的优势与模拟前端的ADC和放 大器的电源抑制性能有关。稳压能力越强,则选择测量器 件的灵活性越大,而不是局限于那些具有最佳电源抑制性 能的器件。
??槭?分立解决方案与芯片级解决方案的最后一个区别因 素是工作频率??氐缌骰岣缭创丛肷臀撇ā:芏?情况下,模块的工作频率范围是200 kHz到1 MHz,与许多 传感器应用的采样速率相当。必须对数据进行适当的滤波 或消除混叠,防止其受到电源噪声影响。芯片级解决方案 的原边功率振荡器的工作频率在125 MHz,远高于多数工业 传感器ADC的采样频率。虽然功率振荡器的PWM控制仍 会引起纹波,但最大噪声源高于ADC的带宽,可将其轻松 滤除。
芯片级转换器的额外优势
仅就尺寸效率而言,芯片级转换器非常适合该应用。但该 技术还有许多其他优点。下面将详细介绍新型隔离功率转 换器ADuM5010。此器件能在模拟接口要求的低功耗范围 内提供电信用DC-DC转换器的性能。
1. 无限可调的输出电压。ADuM5010通过副边的分压器设 置输出电压。其范围为3.15 V至5.5 V。许多模拟ADC和 运算放大器采用非标准电源轨供电,因此可以调整电压 以获得最佳电源条件。
2. 热关断功能可在短路过载情况下?;さ缭?,尤其是在芯 片温度可能超过最高限值的高环境温度下。热关断跳变 点为154°C,芯片必须比它低10°C以上,器件才能自动 重启。电源重启不需要任何外部处理器干预。
3. 施加电源时,通过在原边控制PWM实现软启动。这 样,器件启动时的浪涌电流可忽略不计。多个器件同时 启动时,浪涌电流可能会压倒较弱直流输入电源轨,导 致无法预测的行为。
4. 利用原边电源禁用功能,可以将转换器关断到功耗极低 的待机状态。此特性结合软启动可实现省电方案,在测 量间歇关闭传感器的电源。
5. 原边输入电源具有欠压闭锁(UVLO)功能。此特性可防 止转换器以低输入电源轨启动。这样, 在下游 ADuM5010尝试取电之前,输入电源可以有效充电。
6. 全面隔离认证。模块的类型测试要求可以降低,并且可 以消除生产期间的在线测试。
结论
针对大多数PLC应用设计的模拟传感器接口,应用时需要 对数字通信和电源进行隔离。其功率水平非常低,低于大 部分DC-DC转换器以高效率和可预测方式正常工作的范 围。不过,经过精密调节并表现良好的电源对接口非常有 益。隔离式芯片级转换器ADuM5010非常适合隔离模拟输 入的要求,功耗150 mW,并提供一般只有高功率DC-DC转 换器才具备的特性组合。在功率与隔离数据通道相结合的 系列器件中,此器件是仅提供功率的型号。ADuM521x双 数据通道器件支持数据接口集成,从而节省更多空间。该 系列还将继续推出更高通道数器件,以便工程师只需进行 极少的设计工作就能安全且轻松地应用电源。
推荐阅读:
特别推荐
- 强强联手!贸泽电子携手ATI,为自动化产线注入核心部件
- 瞄准精准医疗,Nordic新型芯片让可穿戴医疗设备设计更自由
- 信号切换全能手:Pickering 125系列提供了从直流到射频的完整舌簧继电器解决方案
- 射频供电新突破:Flex发布两款高效DC/DC转换器,专攻微波与通信应用
- 电源架构革新:多通道PMIC并联实现大电流输出的设计秘籍
技术文章更多>>
- 瑞典Ionautics新一代HiPIMS设备HiPSTER 25落地瑞士Swiss PVD
- CITE 2026:以科创之钥,启电子信息新局
- 迈来芯单线圈驱动芯片:二十载深耕,实现无代码开发与高能效双突破
- 工业智能化利器:树莓派的多元应用与优势
- 电容选型核心指南:特性、误区与工程实践
技术白皮书下载更多>>
- 车规与基于V2X的车辆协同主动避撞技术展望
- 数字隔离助力新能源汽车安全隔离的新挑战
- 汽车??榕赘涸氐慕饩龇桨?/a>
- 车用连接器的安全创新应用
- Melexis Actuators Business Unit
- Position / Current Sensors - Triaxis Hall
热门搜索
浪涌?;て?/a>
雷度电子
锂电池
利尔达
连接器
流量单位
漏电保护器
滤波电感
滤波器
路由器设置
铝电解电容
铝壳电阻
逻辑IC
马达控制
麦克风
脉冲变压器
铆接设备
梦想电子
模拟锁相环
耐压测试仪
逆变器
逆导可控硅
镍镉电池
镍氢电池
纽扣电池
欧胜
耦合技术
排电阻
排母连接器
排针连接器
友情链接(QQ:317243736)
我爱方案网 ICGOO元器件商城 创芯在线检测 芯片查询 天天IC网 电子产品世界 无线通信???/a> 控制工程网 电子开发网 电子技术应用 与非网 世纪电源网 21ic电子技术资料下载 电源网 电子发烧友网 中电网 中国工业电器网 连接器 矿山设备网 工博士 智慧农业 工业路由器 天工网 乾坤芯 电子元器件采购网 亚马逊KOL 聚合物锂电池 工业自动化设备 企业查询 工业路由器 元器件商城 连接器 USB中文网 今日招标网 塑料机械网 农业机械 中国IT产经新闻网 高低温试验箱
关闭
?
关闭





